top
A.B.S. 15749
колесный диск: 4 отверстия
Диаметр: 245
Высота: 59.3
Масса: 3.59
: 68
Толщина диска: 9.9
Минимальная толщина: 8
TEXTAR 92010603
Диаметр: 239
Высота: 35.2
Масса: 3.5
: 10
Толщина диска: 12
Минимальная толщина: 10
Дополнительная информация: без ступицы
A.B.S. 15764
колесный диск: 4 отверстия
Диаметр: 256
Высота: 41.5
Масса: 4.58
: 68
Толщина диска: 19.9
Минимальная толщина: 18
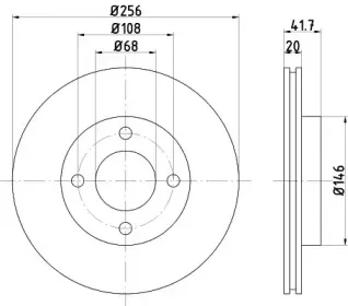
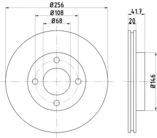
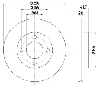
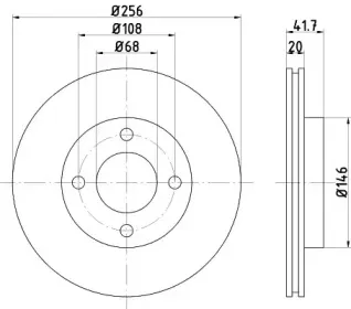
ABE C3A016ABE
Толщина: 20 мм
Диаметр: 256
Высота: 41.7
: 68
Толщина диска: 20
Минимальная толщина: 18
AP 24295
Диаметр: 256
Высота: 41.7
: 120
Толщина диска: 20
Минимальная толщина: 18
APEC braking DSK155
: 4
Толщина диска: 10
Минимальная толщина: 8
мм: 245
APEC braking DSK547
: 4
Толщина диска: 22
Минимальная толщина: 20
мм: 256
ATE 24012001201
Диаметр: 256
Высота: 41.9
:
Толщина диска: 20
Минимальная толщина: 18
BORG & BECK BBD4174
Диаметр: 239
: 12
Минимальная толщина: 10
BOSCH 0986478225
: с внутренней вентиляцией
BRECO BS8014
Диаметр: 256
Высота: 41.7
: 120
Толщина диска: 20
Минимальная толщина: 18
BREMBO 09534310
Диаметр: 256
Высота: 41.7
: 120
Толщина диска: 20
Минимальная толщина: 18
CAR 142706
Диаметр: 256
Высота: 41.9
Масса: 4.58
: 142.706
Толщина диска: 20
Минимальная толщина: 18
CAR 142710
Диаметр: 239
Высота: 35.4
Масса: 3.4
: 142.710
Толщина диска: 12
Минимальная толщина: 10
CAR HPD706
Диаметр: 256
Высота: 41.9
Масса: 4.58
: HPD 706
Толщина диска: 20
Минимальная толщина: 18
CAR HPD710
Диаметр: 239
Высота: 35.4
Масса: 3.4
: HPD 710
Толщина диска: 12
Минимальная толщина: 10
COMLINE ADC1402
Место установки: передний мост
Высота: 35.1
: 100
Толщина диска: 11.9
Минимальная толщина: 10
Внешний диаметр: 238.8
COMLINE AND6705
Место установки: передний мост
Высота: 35.1
: с покрытием
Толщина диска: 11.9
Минимальная толщина: 10
Внешний диаметр: 238.8
COMLINE DRUM
Место установки: задний мост
DELPHI BG2215
Диаметр: 256
: 46.4
Толщина диска: 13
Минимальная толщина: 11
DELPHI BG2272
Диаметр: 257
: 46.3
Толщина диска: 22
Минимальная толщина: 20
DELPHI BG2343
Диаметр: 245
: 59.1
Толщина диска: 10
Минимальная толщина: 8
DYNAMATRIX DBD256
Место установки: передний мост
Диаметр: 256
Высота: 41.7
Масса: 9.14
: 110
Толщина диска: 20
Минимальная толщина: 18
Дополнительная информация: без винтов
E.T.F. 193638
Диаметр: 256
Высота: 41.7
: 19-3638
Толщина диска: 20
Минимальная толщина: 18
E.T.F. 194010
Диаметр: 245
Высота: 59
: 19-4010
Толщина диска: 9.9
Минимальная толщина: 8
FEBI BILSTEIN 08618
колесный диск: 4 отверстия
Место установки: передний мост
Масса: 4.417
Необходимое количество: 2
: 108
Толщина диска: 20
Внешний диаметр: 256
FERODO DDF256
Место установки: передний мост
Диаметр: 256
Высота: 41.7
Масса: 9.14
: комплект
Толщина диска: 20
Минимальная толщина: 18
Дополнительная информация: без винтов
FREMAX BD3633
колесный диск: 4 отверстия
Место установки: передний мост
Диаметр: 256
Высота: 46.2
: 68
Толщина диска: 22
Минимальная толщина: 20
FREMAX BD3638
колесный диск: 4 отверстия
Место установки: передний мост
Диаметр: 256
Высота: 41.7
: 68
Толщина диска: 20
Минимальная толщина: 18
FREMAX BD4010
колесный диск: 4 отверстия
Место установки: задний мост
Диаметр: 245
Высота: 59.2
: 68
Толщина диска: 10
Минимальная толщина: 8
мм:
FTE BS3630
Диаметр: 256
Высота: 41.5
: 108
Толщина диска: 20
Минимальная толщина: 18
GIRLING 6015311
Диаметр: 256
Высота: 41.7
: 108
Толщина диска: 20
Минимальная толщина: 18
HELLA 8DD355100131
Диаметр: 239
Высота: 35.2
Масса: 3.5
: 53908PRO
Толщина диска: 12
Минимальная толщина: 10
Дополнительная информация: без ступицы
HELLA 8DD355100611
Диаметр: 256
Высота: 41.7
Масса: 4.75
: 53935
Толщина диска: 20
Минимальная толщина: 18
Дополнительная информация: без ступицы
ICER 78BD36332
Исп. моста: Front
Толщина: 22 мм
Диаметр: 256
Высота: 46.2
Масса: 10.31
: 78BD3633-2
Минимальная толщина: 20
JP GROUP 1163102000
Место установки: передний мост
Диаметр: 239
: 5/4
Толщина диска: 12
JP GROUP 1163102009
Место установки: передний мост
Диаметр: 239
: 5/4
Толщина диска: 12
JURID 561239J
Место установки: передний мост
Диаметр: 256
Высота: 41.5
: 108
Толщина диска: 20
Минимальная толщина: 18
KAWE 608801
Место установки: передний мост
: 65
Диаметр: 239
Высота: 35
Масса: 3.5
Толщина диска: 12
Минимальная толщина: 10
KAWE 612200
Место установки: задний мост
: 68
Диаметр: 245
Высота: 59.2
Масса: 3.52
Толщина диска: 10
Минимальная толщина: 8
KAWE 617610
Место установки: передний мост
: 68
Диаметр: 256
Высота: 41.7
Толщина диска: 20
Минимальная толщина: 18
KRAFT AUTOMOTIVE 6040150
Место установки: передний мост
Высота: 41.9
Толщина диска: 20
: 68
дюймы: K6040150
LEMFÖRDER 1011503
Место установки: передний мост
Диаметр: 239
: 04/05
Толщина диска: 12
Минимальная толщина: 10
LEMFÖRDER 1458101
Место установки: передний мост
Диаметр: 256
Высота: 41.7
: 04/04
Толщина диска: 20
Минимальная толщина: 18
LPR A1131V
Диаметр: 256
Высота: 42
: A1131V
Толщина диска: 20
Минимальная толщина: 18
MAGNETI MARELLI 351010520500
Диаметр: 256
Высота: 41.7
Толщина диска: 20
Минимальная толщина: 18
: 68
MAGNETI MARELLI 360406000800
Диаметр: 256
Высота: 41.7
Толщина диска: 20
Минимальная толщина: 18
: 68
MAGNETI MARELLI 431602041270
Диаметр: 256
MAXGEAR 192675
Место установки: передний мост
Диаметр: 256
Высота: 41.7
Масса: 4.75
: 10
Толщина диска: 20
Минимальная толщина: 18
Дополнительная информация: без ступицы
MAXGEAR 192675SPORT
Место установки: передний мост
Диаметр: 256
Высота: 41.7
Масса: 4.75
: 10
Толщина диска: 20
Минимальная толщина: 18
Дополнительная информация: без ступицы
METZGER 10073
Диаметр: 239
Высота: 35
: 120
Толщина диска: 12
Минимальная толщина: 10
Дополнительная информация: С комлектом установочных винтов
METZGER 6110019
вар. оснащения: beschichtet
Диаметр: 238.8
Высота: 35.2
: 120
Толщина диска: 11.96
Минимальная толщина: 10.5
Дополнительная информация: С комлектом установочных винтов
MINTEX MDC198
Диаметр: 239
Высота: 35.2
Масса: 3.5
: 10
Толщина диска: 12
Минимальная толщина: 10
Дополнительная информация: без ступицы
MINTEX MDC563
Диаметр: 256
Высота: 41.7
Масса: 4.75
: 108
Толщина диска: 20
Минимальная толщина: 18
Дополнительная информация: без ступицы
NATIONAL NBD021
Место установки: передний мост
Диаметр: 239
Высота: 35
: 4
Толщина диска: 12
Минимальная толщина: 10
NATIONAL NBD131
Место установки: передний мост
Диаметр: 256
Высота: 41
: 4
Толщина диска: 20
Минимальная толщина: 18
NK 204750
колесный диск: 4 отверстия
Диаметр: 256
Высота: 41.5
Масса: 4.55
: 68
Толщина диска: 20
Минимальная толщина: 18
OPTIMAL BS1760
Место установки: передний мост
Диаметр: 256
Высота: 41.6
: 68
Толщина диска: 20
Минимальная толщина: 18
PILENGA V366
Место установки: передний мост
Диаметр: 256
Высота: 41.7
: 68
Толщина диска: 20
Минимальная толщина: 18
PROTECHNIC PRD2321
Диаметр: 256
Высота: 41.7
: 11
Толщина диска: 20
Минимальная толщина: 18
Материал: бумага
QUINTON HAZELL BDC3589
Диаметр: 245
Высота: 59.3
: 68
Толщина диска: 10
Минимальная толщина: 8
QUINTON HAZELL BDC3630
Диаметр: 256
Высота: 41.5
: 68
Толщина диска: 19.9
Минимальная толщина: 18.5
REMSA 608801
Место установки: передний мост
: 65
Диаметр: 239
Высота: 35
Масса: 3.5
Толщина диска: 12
Минимальная толщина: 10
REMSA 612200
Место установки: задний мост
: 68
Диаметр: 245
Высота: 59.2
Масса: 3.52
Толщина диска: 10
Минимальная толщина: 8
REMSA 617610
Место установки: передний мост
: 68
Диаметр: 256
Высота: 41.7
Толщина диска: 20
Минимальная толщина: 18
ROADHOUSE 608801
Место установки: передний мост
: 65
Диаметр: 239
Высота: 35
Масса: 3.5
Толщина диска: 12
Минимальная толщина: 10
ROADHOUSE 612200
Место установки: задний мост
: 68
Диаметр: 245
Высота: 59.2
Масса: 3.52
Толщина диска: 10
Минимальная толщина: 8
ROADHOUSE 617610
Место установки: передний мост
: 68
Диаметр: 256
Высота: 41.7
Толщина диска: 20
Минимальная толщина: 18
SASIC 9004210J
для OE-№: 443615301B
Место установки: передний мост
Диаметр: 257
Высота: 46.5
: 4
Толщина диска: 22
Минимальная толщина: 20
SASIC 9004213J
для OE-№: 321615301
Место установки: передний мост
Диаметр: 238.8
Высота: 35.1
: 65
Толщина диска: 11.9
Минимальная толщина: 10
Дополнительная информация: без валового подшипника
SASIC 9004219J
для OE-№: 321615301C
Место установки: передний мост
Диаметр: 238.8
Высота: 38.6
: 65
Толщина диска: 19.9
Минимальная толщина: 18
Дополнительная информация: без валового подшипника
SASIC 9004393J
для OE-№: 443615601
Место установки: задний мост
Диаметр: 245
Высота: 59.2
: 68
Толщина диска: 10
Минимальная толщина: 8
Дополнительная информация: без валового подшипника
sbs 1815204750
колесный диск: 4 отверстия
Диаметр: 256
Высота: 41.5
Масса: 4.55
: 68
Толщина диска: 20
Минимальная толщина: 18
sbs 1815314750
колесный диск: 4 отверстия
Диаметр: 256
Высота: 41.5
: с покрытием
Толщина диска: 20
Минимальная толщина: 18
ST-TEMPLIN 5311010020
Место установки: задний мост
Толщина: 12 мм
Диаметр: 239
Высота: 35
: без покрытия
Минимальная толщина: 10
ST-TEMPLIN 5311010060
Место установки: задний мост
Толщина: 10 мм
Диаметр: 245
Высота: 59.2
: без покрытия
Минимальная толщина: 8
ST-TEMPLIN 5311110020
Место установки: задний мост
Толщина: 12 мм
Диаметр: 239
Высота: 35
: с покрытием
Минимальная толщина: 10
ST-TEMPLIN 5311110060
Место установки: задний мост
Толщина: 10 мм
Диаметр: 245
Высота: 59.2
: с покрытием
Минимальная толщина: 8
STELLOX 60204723SX
Место установки: задний мост
Диаметр: 245
Высота: 59.2
: 108
Толщина диска: 10
Минимальная толщина: 8
SWAG 30908618
колесный диск: 4 отверстия
Место установки: передний мост
Масса: 4.417
Необходимое количество: 2
: 108
Толщина диска: 20
Внешний диаметр: 256
TEXTAR 92026200
Диаметр: 256
Высота: 41.7
Масса: 4.75
: 10
Толщина диска: 20
Минимальная толщина: 18
Дополнительная информация: без ступицы
TOPRAN 107089
колесный диск: 4 отверстия
Место установки: задний мост
Высота: 40
: 68
Толщина диска: 10
Внешний диаметр: 245
TRISCAN 812010122C
для производителя: ATE
Диаметр: 239
: 35
Толщина диска: 12
TRUCKTEC AUTOMOTIVE 0735025
для OE-№: 853 615 301 C
Место установки: передний мост
Диаметр: 256
: 108
Толщина диска: 20
TRUCKTEC AUTOMOTIVE 0735030
для OE-№: 321 615 301
Место установки: передний мост
Диаметр: 239
: 100
Толщина диска: 12
TRW DF1531
Диаметр: 256
Высота: 41.7
: 108
Толщина диска: 20
Минимальная толщина: 18
VAICO V1080057
колесный диск: 4 отверстия
Место установки: передний мост
Диаметр: 256
Высота: 46.5
: 108
Толщина диска: 22
Минимальная толщина: 20
VALEO 186273
колесный диск: 4 отверстия
Место установки: передний мост
Высота: 41.7
Масса: 9.17
: 68
Толщина диска: 19.9
Минимальная толщина: 18
Внешний диаметр: 256
VILLAR 6281771
Диаметр: 256
Высота: 41.7
: 120
Толщина диска: 20
Минимальная толщина: 18
WOKING D608801
Место установки: передний мост
: 65
Диаметр: 239
Высота: 35
Масса: 3.5
Толщина диска: 12
Минимальная толщина: 10
WOKING D612200
Место установки: задний мост
: 68
Диаметр: 245
Высота: 59.2
Масса: 3.52
Толщина диска: 10
Минимальная толщина: 8
WOKING D617610
Место установки: передний мост
: 68
Диаметр: 256
Высота: 41.7
Толщина диска: 20
Минимальная толщина: 18
ZIMMERMANN 600115820
Толщина: 12 мм
Высота: 35.2
Масса: 3.2
: 65
Минимальная толщина: 10
Внешний диаметр: 239
ZIMMERMANN 600115852
№ ABE: KBA 60934
Толщина: 12 мм
Высота: 35.2
Масса: 3.2
: 65
Минимальная толщина: 10
Внешний диаметр: 239
Двигатель
AUDI 90 (81, 85, B2) 2.0
Код двигателя: JS

Категории

Кнопка связи