top
BGA CV0100A
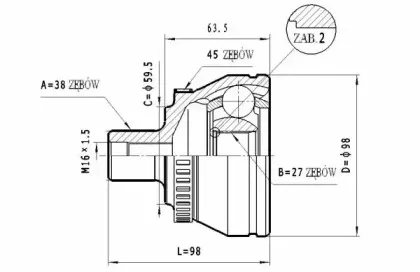
: 81
GSP 661033
Длина: 85
: 34
GSP 803019
Длина: 97.5
: GrooveType:Inner
LPR KVW001
: Inner
Внешний диаметр: 99.5
SPIDAN 22763
Длина: 97
: 190130
Дополнительная информация: с резиновой манжетой
Nm: 190135
ACEMARK 214109
Место установки: со стороны колеса
Длина: 63
: With Inner Groove ty
ASHIKA 62000011
Место установки: со стороны колеса
Длина: 97.5
: Groove type: OUTER
BSG BSG90340013
: без нарезки / выемки во внутренней части
BUGIAD 51196
Место установки: со стороны колеса
Длина: 102
: Groove Type: Inner
BUGIAD BSP20316
Место установки: со стороны колеса
BUGIAD BSP23879
Место установки: со стороны коробки передач
: Шарнир равных угловых скоростей
CAR GVW0770K
Место установки: со стороны колеса
: CIRCLIP POS : INNER
Внешний диаметр: 100
CEVAM 6277N
Место установки: со стороны колеса
: NBR (бутадиен-нитрильный каучук)
CIFAM 607267
: с нарезкой / выемкой во внутренней части
Материал: резина
Внешний диаметр: 98
COMLINE ECV061
Место установки: со стороны колеса
: 45
DENCKERMANN C120001
Место установки: со стороны колеса
: Groove Type: Inner
DYNAMATRIX DCV803019
Место установки: со стороны колеса
Длина: 97.5
: Inner
ERA Benelux CVN3492
Место установки: со стороны колеса
: без нарезки / выемки во внутренней части
FARCOM 240148
Место установки: со стороны колеса
: 34.6
Внешний диаметр: 98
FEBI BILSTEIN 33226
Место установки: передний мост
Масса: 2.95
FENOX CV16124
Место установки: со стороны колеса
: Шарнир равных угловых скоростей
FENOX CV16125
Место установки: передний мост
: Шарнир равных угловых скоростей
GENERAL RICAMBI AU1117
Место установки: со стороны колеса
Диаметр: 98
: для автомобилей с ABS
IPD 312501
: с нарезкой / выемкой во внутренней части
Внешний диаметр: 98
JAPANPARTS GI0011
Место установки: со стороны колеса
Длина: 97.5
: Groove type: OUTER
JAPKO 620011
Место установки: со стороны колеса
Длина: 97.5
: Groove type: OUTER
JP GROUP 1143201500
Место установки: со стороны колеса
: Шарнир равных угловых скоростей
JP GROUP 1143301810
Место установки: передний мост
: Шарнир равных угловых скоростей
JP GROUP 1143301819
Место установки: передний мост
: Шарнир равных угловых скоростей
JP GROUP 1143303619
Место установки: передний мост
: Шарнир равных угловых скоростей
KAMOKA 6560
Место установки: со стороны колеса
: без нарезки / выемки во внутренней части
LÖBRO 301961
Длина: 97
: 190130
Дополнительная информация: с резиновой манжетой
Nm: 190135
LYNXauto CO1202A
Место установки: со стороны колеса
Длина: 97.5
: Inner Groove
MAPCO 16834
Место установки: со стороны колеса
: Шарнир равных угловых скоростей
Внешний диаметр: 98
MASTER-SPORT 300856SETMS
Место установки: со стороны колеса
Длина: 97.5
: Шарнир равных угловых скоростей
MASTER-SPORT 301961SETMS
Место установки: со стороны колеса
Длина: 97
: 98
MAXGEAR 490231
Место установки: передний мост
: Шарнир равных угловых скоростей
Внешний диаметр: 99.5
MAXGEAR 490232
Место установки: со стороны колеса
Длина: 97.5
: с кольцом ABS
Внешний диаметр: 98
MAXGEAR 490233
Место установки: передний мост
: 45
METELLI 151267
: с нарезкой / выемкой во внутренней части
Материал: резина
Внешний диаметр: 98
METZGER 7110062
Длина: 97.5
: с пазом во внутренней детали (внутри)
MEYLE 1004980064
Длина: 97.5
: с кольцом ABS
Внешний диаметр: 98
OPEN PARTS CVJ526110
Место установки: со стороны колеса
: 34.6
Внешний диаметр: 98
PATRON PCV1267
Место установки: со стороны колеса
: с нарезкой / выемкой во внутренней части
Внешний диаметр: 98
RUVILLE 75717
: Шарнир равных угловых скоростей
Внешний диаметр: 98
RUVILLE 75717S
: Шарнир равных угловых скоростей
Внешний диаметр: 98
SKF VKJA3002
: с пазом во внутренней детали (внутри)
Внешний диаметр: 98
STELLOX 1501267SX
Место установки: со стороны колеса
: Шарнир равных угловых скоростей
SWAG 30933226
Место установки: передний мост
Масса: 2.95
TOPRAN 108113
Место установки: передний мост слева
:
Дополнительная информация: с пыльником
TRISCAN 854029138
Диаметр: 98
: для автомобилей с ABS
TRUCKTEC AUTOMOTIVE 0731126
для OE-№: 4D0 498 099
Место установки: со стороны колеса
VAICO V107290
Место установки: со стороны колеса
: Шарнир равных угловых скоростей
Двигатель
AUDI A6 Avant (4B5, C5) 1.9 TDI
Код двигателя: AFN
AUDI A6 Avant (4B5, C5) 1.9 TDI Код двигателя : AFN
Объем двигателя(куб.см): 1896 ccm
Мощность двигателя(кВт/л.с.): 110 PS
AUDI A6 Avant (4B5, C5) 1.8 Код двигателя : ARH
Объем двигателя(куб.см): 1781 ccm
Мощность двигателя(кВт/л.с.): 125 PS
AUDI A6 Avant (4B5, C5) 2.8 quattro Код двигателя : AQD
Объем двигателя(куб.см): 2771 ccm
Мощность двигателя(кВт/л.с.): 193 PS
AUDI A6 Avant (4B5, C5) 1.8 T Код двигателя : AWT
Объем двигателя(куб.см): 1781 ccm
Мощность двигателя(кВт/л.с.): 150 PS
AUDI A6 Avant (4B5, C5) 2.4 Код двигателя : ARJ
Объем двигателя(куб.см): 2393 ccm
Мощность двигателя(кВт/л.с.): 165 PS
AUDI A6 Avant (4B5, C5) 2.8 Код двигателя : AQD
Объем двигателя(куб.см): 2771 ccm
Мощность двигателя(кВт/л.с.): 193 PS
AUDI A6 Avant (4B5, C5) 1.8 T quattro Код двигателя : AWT
Объем двигателя(куб.см): 1781 ccm
Мощность двигателя(кВт/л.с.): 150 PS
AUDI A6 Avant (4B5, C5) 2.4 quattro Код двигателя : ARJ
Объем двигателя(куб.см): 2393 ccm
Мощность двигателя(кВт/л.с.): 165 PS
AUDI A6 Avant (4B5, C5) 2.5 TDI Код двигателя : AKN
Объем двигателя(куб.см): 2496 ccm
Мощность двигателя(кВт/л.с.): 150 PS
AUDI A6 Avant (4B5, C5) 2.5 TDI quattro Код двигателя : AKN
Объем двигателя(куб.см): 2496 ccm
Мощность двигателя(кВт/л.с.): 150 PS
AUDI A6 Avant (4B5, C5) 2.7 T Код двигателя : AJK
Объем двигателя(куб.см): 2671 ccm
Мощность двигателя(кВт/л.с.): 230 PS
AUDI A6 Avant (4B5, C5) 2.7 T quattro Код двигателя : AZA
Объем двигателя(куб.см): 2671 ccm
Мощность двигателя(кВт/л.с.): 230 PS
AUDI A6 Avant (4B5, C5) 2.4 Код двигателя : ASM
Объем двигателя(куб.см): 2393 ccm
Мощность двигателя(кВт/л.с.): 136 PS
AUDI A6 Avant (4B5, C5) 1.8 T quattro Код двигателя : AJL
Объем двигателя(куб.см): 1781 ccm
Мощность двигателя(кВт/л.с.): 180 PS
AUDI A6 Avant (4B5, C5) 3.7 quattro Код двигателя : AQG
Объем двигателя(куб.см): 3697 ccm
Мощность двигателя(кВт/л.с.): 260 PS
AUDI A6 Avant (4B5, C5) 3.7 Код двигателя : AQG
Объем двигателя(куб.см): 3697 ccm
Мощность двигателя(кВт/л.с.): 260 PS
AUDI A6 Avant (4B5, C5) 4.2 quattro Код двигателя : AWN
Объем двигателя(куб.см): 4172 ccm
Мощность двигателя(кВт/л.с.): 299 PS
AUDI A6 Avant (4B5, C5) 1.8 T Код двигателя : AJL
Объем двигателя(куб.см): 1781 ccm
Мощность двигателя(кВт/л.с.): 180 PS
AUDI A6 Avant (4B5, C5) S6 quattro Код двигателя : AQJ
Объем двигателя(куб.см): 4172 ccm
Мощность двигателя(кВт/л.с.): 340 PS
AUDI A6 Avant (4B5, C5) 2.5 TDI Код двигателя : BDH
Объем двигателя(куб.см): 2496 ccm
Мощность двигателя(кВт/л.с.): 180 PS
AUDI A6 Avant (4B5, C5) 2.5 TDI quattro Код двигателя : BDH
Объем двигателя(куб.см): 2496 ccm
Мощность двигателя(кВт/л.с.): 180 PS
AUDI A6 Avant (4B5, C5) 1.9 TDI Код двигателя : AJM
Объем двигателя(куб.см): 1896 ccm
Мощность двигателя(кВт/л.с.): 115 PS
AUDI A6 Avant (4B5, C5) 1.8 Код двигателя : AFY
Объем двигателя(куб.см): 1781 ccm
Мощность двигателя(кВт/л.с.): 116 PS
AUDI A6 Avant (4B5, C5) 2.8 Код двигателя : AGE
Объем двигателя(куб.см): 2771 ccm
Мощность двигателя(кВт/л.с.): 180 PS
AUDI A6 Avant (4B5, C5) 2.8 Код двигателя : ATX
Объем двигателя(куб.см): 2771 ccm
Мощность двигателя(кВт/л.с.): 190 PS
AUDI A6 Avant (4B5, C5) 2.4 Код двигателя : APC
Объем двигателя(куб.см): 2393 ccm
Мощность двигателя(кВт/л.с.): 156 PS
AUDI A6 Avant (4B5, C5) 2.0 Код двигателя : ALT
Объем двигателя(куб.см): 1984 ccm
Мощность двигателя(кВт/л.с.): 130 PS
AUDI A6 Avant (4B5, C5) 2.4 Код двигателя : BDV
Объем двигателя(куб.см): 2393 ccm
Мощность двигателя(кВт/л.с.): 170 PS
AUDI A6 Avant (4B5, C5) 2.4 quattro Код двигателя : BDV
Объем двигателя(куб.см): 2393 ccm
Мощность двигателя(кВт/л.с.): 170 PS
AUDI A6 Avant (4B5, C5) 2.5 TDI Код двигателя : AYM
Объем двигателя(куб.см): 2496 ccm
Мощность двигателя(кВт/л.с.): 155 PS
AUDI A6 Avant (4B5, C5) 2.7 T quattro Код двигателя : BES
Объем двигателя(куб.см): 2671 ccm
Мощность двигателя(кВт/л.с.): 250 PS
AUDI A6 Avant (4B5, C5) 3.0 Код двигателя : ASN
Объем двигателя(куб.см): 2976 ccm
Мощность двигателя(кВт/л.с.): 220 PS
AUDI A6 Avant (4B5, C5) 3.0 quattro Код двигателя : ASN
Объем двигателя(куб.см): 2976 ccm
Мощность двигателя(кВт/л.с.): 220 PS
AUDI A6 Avant (4B5, C5) 1.9 TDI Код двигателя : AWX
Объем двигателя(куб.см): 1896 ccm
Мощность двигателя(кВт/л.с.): 130 PS
AUDI A6 Avant (4B5, C5) RS6 quattro Код двигателя : BCY
Объем двигателя(куб.см): 4172 ccm
Мощность двигателя(кВт/л.с.): 450 PS
AUDI A6 Avant (4B5, C5) 2.4 Код двигателя : APZ
Объем двигателя(куб.см): 2393 ccm
Мощность двигателя(кВт/л.с.): 163 PS
AUDI A6 Avant (4B5, C5) 2.4 quattro Код двигателя : APZ
Объем двигателя(куб.см): 2393 ccm
Мощность двигателя(кВт/л.с.): 163 PS
AUDI A6 Avant (4B5, C5) 2.5 TDI Код двигателя : BFC
Объем двигателя(куб.см): 2496 ccm
Мощность двигателя(кВт/л.с.): 163 PS
AUDI A6 Avant (4B5, C5) 2.4 quattro Код двигателя : APC
Объем двигателя(куб.см): 2393 ccm
Мощность двигателя(кВт/л.с.): 156 PS
AUDI A6 Avant (4B5, C5) RS6 plus quattro Код двигателя : BRV
Объем двигателя(куб.см): 4172 ccm
Мощность двигателя(кВт/л.с.): 480 PS
AUDI A6 Avant (4B5, C5) 3.0 quattro Код двигателя : AVK
Объем двигателя(куб.см): 2976 ccm
Мощность двигателя(кВт/л.с.): 223 PS
AUDI A6 Avant (4B5, C5) S6 quattro Код двигателя : BBD
Объем двигателя(куб.см): 4172 ccm
Мощность двигателя(кВт/л.с.): 364 PS
AUDI A6 Avant (4B5, C5) 3.0 Код двигателя : BBJ
Объем двигателя(куб.см): 2976 ccm
Мощность двигателя(кВт/л.с.): 218 PS
AUDI A6 Avant (4B5, C5) 3.0 quattro Код двигателя : BBJ
Объем двигателя(куб.см): 2976 ccm
Мощность двигателя(кВт/л.с.): 218 PS

Категории

Кнопка связи