top
BGA CV0200B
: 100
ACEMARK 214077
Место установки: со стороны колеса
Длина: 58
: With Inner Groove ty
ACEMARK 214351
Место установки: со стороны колеса
Длина: 56
: With Inner Groove ty
ACEMARK 214357
Место установки: со стороны колеса
Длина: 58
: With Inner Groove ty
AUTEX 822132
Место установки: со стороны коробки передач
Длина: 32
: 100
CAR GAR0450K
Место установки: со стороны колеса
: CIRCLIP POS : INNER
Внешний диаметр: 90
CAR GAR0460K
Место установки: со стороны колеса
: CIRCLIP POS : INNER
Внешний диаметр: 90
CAR GFT0440K
Место установки: со стороны колеса
: CIRCLIP POS : INNER
Внешний диаметр: 90
CAR GFT8000K
Место установки: со стороны коробки передач
: GFT8000K
Внешний диаметр: 100
CAR GLN0620K
Место установки: со стороны колеса
: CIRCLIP POS : INNER
Внешний диаметр: 85
CAR GLN0630K
Место установки: со стороны колеса
: CIRCLIP POS : INNER
Внешний диаметр: 90
CEVAM 6423
Место установки: со стороны колеса
: NBR (бутадиен-нитрильный каучук)
CEVAM 6545
Место установки: со стороны коробки передач
Длина: 32
: NBR (бутадиен-нитрильный каучук)
CIFAM 607032
: с нарезкой / выемкой во внутренней части
Материал: резина
Внешний диаметр: 85
CIFAM 607095
: с нарезкой / выемкой во внутренней части
Материал: резина
Внешний диаметр: 90
CIFAM 607110
: с нарезкой / выемкой во внутренней части
Материал: резина
Внешний диаметр: 90
CIFAM 617002
: Шарнир равных угловых скоростей
Внешний диаметр: 100
DYNAMATRIX DCV618070
Место установки: со стороны коробки передач
Длина: 32
: 100
DYNAMATRIX DCV648004
Место установки: со стороны коробки передач
Длина: 32.2
: 100
DYNAMATRIX DCV802004
Место установки: со стороны колеса
Длина: 143
: Inner
DYNAMATRIX DCV817012
Место установки: со стороны колеса
Длина: 140.5
: Inner
DYNAMATRIX DCV817018
Место установки: со стороны колеса
Длина: 143
: Inner
ERA Benelux CVN12068
Место установки: со стороны коробки передач
: 25
Внешний диаметр: 100
ERA Benelux CVN2622
Место установки: со стороны колеса
: 52
ERA Benelux CVN3234
Место установки: со стороны колеса
: 44
FARCOM 134100
Место установки: со стороны колеса
: без нарезки / выемки во внутренней части
FARCOM 134101
Место установки: со стороны колеса
: для автомобилей с ABS
FARCOM 134114
Место установки: со стороны коробки передач
: 25
FARCOM 240011
Место установки: со стороны колеса
: 47
Внешний диаметр: 90
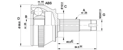
FARCOM 240043
Место установки: со стороны колеса
: 46.9
Внешний диаметр: 89.6
FARCOM 240044
Место установки: со стороны колеса
: 46.9
Внешний диаметр: 89.5
FARCOM 240236
Место установки: со стороны колеса
: для автомобилей с ABS
Внешний диаметр: 100
FEBI BILSTEIN 33266
Место установки: передний мост
Необходимое количество: 2
GENERAL RICAMBI FI1060
Место установки: со стороны колеса
Диаметр: 85
: M24x1.5
GENERAL RICAMBI FI1060K
Место установки: со стороны колеса
Диаметр: 85
: M24x1.5
GENERAL RICAMBI FI1076
Место установки: со стороны колеса
Диаметр: 90
: для автомобилей с ABS
GENERAL RICAMBI FI1076K
Место установки: со стороны колеса
Диаметр: 90
: для автомобилей с ABS
GENERAL RICAMBI FI2001
Место установки: со стороны колеса
Диаметр: 100
: 25
GENERAL RICAMBI FI2001K
Место установки: со стороны колеса
Диаметр: 100
: 25
GSP 618070
Место установки: со стороны коробки передач
Длина: 32
: 100
IPD 312266
: с нарезкой / выемкой во внутренней части
Внешний диаметр: 85
IPD 312327
: с нарезкой / выемкой во внутренней части
Внешний диаметр: 90
IPD 312329
: с нарезкой / выемкой во внутренней части
Внешний диаметр: 90
IPD 322236
: Шарнир равных угловых скоростей
Внешний диаметр: 100
LÖBRO 301979
Длина: 140.7
: 190250
Дополнительная информация: с резиновой манжетой
Nm: 190135
LÖBRO 302241
Длина: 32
:
Дополнительная информация: с резиновой манжетой
Nm: 190135
MAPCO 16001
Место установки: со стороны колеса
: 90
MAPCO 16002
Место установки: со стороны колеса
: Шарнир равных угловых скоростей
MAPCO 16056
: Шарнир равных угловых скоростей
Внешний диаметр: 100
MASTER-SPORT 302007SETMS
Место установки: со стороны колеса
: Шарнир равных угловых скоростей
Внешний диаметр: 89.8
MAXGEAR 490115
Место установки: со стороны колеса
: Шарнир равных угловых скоростей
Внешний диаметр: 90
MAXGEAR 490450
Место установки: со стороны колеса
: 44
MAXGEAR 490647
Место установки: передний мост
: Шарнир равных угловых скоростей
Внешний диаметр: 100
METELLI 151032
: с нарезкой / выемкой во внутренней части
Материал: резина
Внешний диаметр: 85
METELLI 151095
: с нарезкой / выемкой во внутренней части
Материал: резина
Внешний диаметр: 90
METELLI 151110
: с нарезкой / выемкой во внутренней части
Материал: резина
Внешний диаметр: 90
METELLI 161002
: Шарнир равных угловых скоростей
Внешний диаметр: 100
OPEN PARTS CVJ501410
Место установки: со стороны колеса
: 47
Внешний диаметр: 90
OPEN PARTS CVJ509210
Место установки: со стороны колеса
: 46.9
Внешний диаметр: 89.6
OPEN PARTS CVJ509310
Место установки: со стороны колеса
: 47
Внешний диаметр: 90
OPEN PARTS CVJ539920
Место установки: со стороны коробки передач
: 32
Внешний диаметр: 100
PATRON PCV1032
: с нарезкой / выемкой во внутренней части
Внешний диаметр: 85
PATRON PCV1093
: с нарезкой / выемкой во внутренней части
Внешний диаметр: 90
PATRON PCV3002
Место установки: со стороны коробки передач
: Шарнир равных угловых скоростей
Внешний диаметр: 100
PROTECHNIC PRJ504
Место установки: со стороны коробки передач
Длина: 32
: 100
RCA FRANCE AV30
Место установки: со стороны коробки передач
: Шарнир равных угловых скоростей
RUVILLE 75808
: Шарнир равных угловых скоростей
Внешний диаметр: 85
RUVILLE 75808S
: Шарнир равных угловых скоростей
Внешний диаметр: 85
RUVILLE 75811
: Шарнир равных угловых скоростей
Внешний диаметр: 90
RUVILLE 75811S
: Шарнир равных угловых скоростей
Внешний диаметр: 90
RUVILLE 75818
: Шарнир равных угловых скоростей
Внешний диаметр: 90
RUVILLE 75818S
: Шарнир равных угловых скоростей
Внешний диаметр: 90
RUVILLE 75851
: Шарнир равных угловых скоростей
Внешний диаметр: 100
RUVILLE 75851S
: Шарнир равных угловых скоростей
Внешний диаметр: 100
SERCORE 21002
Место установки: со стороны коробки передач
: Шарнир равных угловых скоростей
Внешний диаметр: 100
SERCORE 21106B
вар. оснащения: Igual que 21143A
Место установки: со стороны колеса
: Grupilla interior
SERCORE 21145
Место установки: со стороны колеса
: Grupilla interior
Внешний диаметр: 83
SERCORE 21145A
Место установки: со стороны колеса
: Grupilla interior
Внешний диаметр: 83
SKF VKJA3085
: с пазом во внутренней детали (внутри)
Внешний диаметр: 89.8
SKF VKJA3159
: с пазом во внутренней детали (внутри)
Внешний диаметр: 89.8
SKF VKJA8080
Длина: 32
: с пазом во внутренней детали (внутри)
Внешний диаметр: 100
SPIDAN 21237
Длина: 140.7
: 190250
Дополнительная информация: с резиновой манжетой
Nm: 190135
SPIDAN 21238
Длина: 141
: 190250
Дополнительная информация: с резиновой манжетой
Nm: 190135
SPIDAN 21311
Длина: 32
:
Дополнительная информация: с резиновой манжетой
Nm: 190135
STELLOX 1501032SX
Место установки: со стороны колеса
: Шарнир равных угловых скоростей
STELLOX 1501095SX
Место установки: со стороны колеса
: Шарнир равных угловых скоростей
Внешний диаметр: 90
STELLOX 1601002SX
Место установки: со стороны коробки передач
: Шарнир равных угловых скоростей
Внешний диаметр: 100
SWAG 70933266
Место установки: передний мост
Необходимое количество: 2
TRISCAN 854015107
Диаметр: 85
: для автомобилей без ABS
VAICO V240453
Место установки: со стороны колеса
: 20
Двигатель
FIAT TEMPRA (159_) 1.9 TD (159.AQ)
Код двигателя: 160 B6.046
FIAT TEMPRA (159_) 1.9 TD (159.AQ) Код двигателя : 160 B6.046
Объем двигателя(куб.см): 1929 ccm
Мощность двигателя(кВт/л.с.): 80 PS
FIAT TEMPRA (159_) 1.9 TD (159.CU, 159.AU, 159.AI, 159.BI) Код двигателя : 160 D1.000
Объем двигателя(куб.см): 1929 ccm
Мощность двигателя(кВт/л.с.): 90 PS
FIAT TEMPRA (159_) 1.4 i.e. (159.AC, 159.AX) Код двигателя : 836 A4.000
Объем двигателя(куб.см): 1372 ccm
Мощность двигателя(кВт/л.с.): 69 PS
FIAT TEMPRA (159_) 1.6 i.e. (159.AS, 159.AT) Код двигателя : 835 C1.000
Объем двигателя(куб.см): 1581 ccm
Мощность двигателя(кВт/л.с.): 75 PS
FIAT TEMPRA (159_) 1.6 i.e. (159.AE) Код двигателя : 159 A3.046
Объем двигателя(куб.см): 1581 ccm
Мощность двигателя(кВт/л.с.): 78 PS
FIAT TEMPRA (159_) 1.8 i.e. (159.AN) Код двигателя : 159 A4.046
Объем двигателя(куб.см): 1756 ccm
Мощность двигателя(кВт/л.с.): 105 PS
FIAT TEMPRA (159_) 2.0 i.e. (159.AP) Код двигателя : 159 A6.046
Объем двигателя(куб.см): 1995 ccm
Мощность двигателя(кВт/л.с.): 113 PS
FIAT TEMPRA (159_) 1.8 i.e. (159.BY) Код двигателя : 836 A5.000
Объем двигателя(куб.см): 1756 ccm
Мощность двигателя(кВт/л.с.): 101 PS
FIAT TEMPRA (159_) 1.8 i.e. (159.AV) Код двигателя : 835 C2.000
Объем двигателя(куб.см): 1756 ccm
Мощность двигателя(кВт/л.с.): 103 PS
FIAT TEMPRA (159_) 1.8 i.e. (159.AZ) Код двигателя : 835 C4.000
Объем двигателя(куб.см): 1756 ccm
Мощность двигателя(кВт/л.с.): 90 PS
FIAT TEMPRA (159_) 1.6 i.e. (159.AJ) Код двигателя : 159 B9.000
Объем двигателя(куб.см): 1581 ccm
Мощность двигателя(кВт/л.с.): 90 PS
FIAT TEMPRA (159_) 1.4 i.e. (159.AC) Код двигателя : 159 A2.000
Объем двигателя(куб.см): 1372 ccm
Мощность двигателя(кВт/л.с.): 78 PS
FIAT TEMPRA (159_) 1.9 D (159.AG) Код двигателя : 160 A7.000
Объем двигателя(куб.см): 1929 ccm
Мощность двигателя(кВт/л.с.): 65 PS
FIAT TEMPRA (159_) 1.6 i.e. (159.AJ) Код двигателя : 159 B9.000
Объем двигателя(куб.см): 1581 ccm
Мощность двигателя(кВт/л.с.): 87 PS
FIAT TEMPRA (159_) 1.8 i.e. (159.AN) Код двигателя : 159 A4.000
Объем двигателя(куб.см): 1756 ccm
Мощность двигателя(кВт/л.с.): 110 PS
FIAT TEMPRA (159_) 1.6 (159.AD) Код двигателя : 159 B9.000
Объем двигателя(куб.см): 1581 ccm
Мощность двигателя(кВт/л.с.): 86 PS
FIAT TEMPRA (159_) 2.0 16V Код двигателя : 154 E1.000
Объем двигателя(куб.см): 1995 ccm
Мощность двигателя(кВт/л.с.): 126 PS
FIAT TEMPRA (159_) 2.0 Код двигателя : 149 E1.011
Объем двигателя(куб.см): 1995 ccm
Мощность двигателя(кВт/л.с.): 99 PS
FIAT TEMPRA (159_) 2.0 Код двигателя : 159 A6.046
Объем двигателя(куб.см): 1995 ccm
Мощность двигателя(кВт/л.с.): 110 PS
FIAT TEMPRA (159_) 1.6 Код двигателя : 159 A3.048
Объем двигателя(куб.см): 1581 ccm
Мощность двигателя(кВт/л.с.): 69 PS
FIAT TEMPRA (159_) 2.0 Álcool Код двигателя : 149 E1.011
Объем двигателя(куб.см): 1995 ccm
Мощность двигателя(кВт/л.с.): 99 PS
FIAT TEMPRA (159_) 2.0 Álcool Код двигателя : 159 B2.011
Объем двигателя(куб.см): 1995 ccm
Мощность двигателя(кВт/л.с.): 110 PS
FIAT TEMPRA (159_) 2.0 Код двигателя : 159 A6.046
Объем двигателя(куб.см): 1995 ccm
Мощность двигателя(кВт/л.с.): 103 PS
FIAT TEMPRA (159_) 2.0 Turbo Код двигателя : 154 C4.000
Объем двигателя(куб.см): 1995 ccm
Мощность двигателя(кВт/л.с.): 165 PS
FIAT TEMPRA (159_) 2.0 16V Код двигателя :
Объем двигателя(куб.см): 1995 ccm
Мощность двигателя(кВт/л.с.): 132 PS
FIAT TEMPRA (159_) 2.0 Код двигателя : 159 A6.046
Объем двигателя(куб.см): 1995 ccm
Мощность двигателя(кВт/л.с.): 109 PS

Категории

Кнопка связи