top
GSP 823013
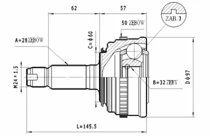
Длина: 147
: GrooveType:Middle
GSP 823014
Длина: 147
: GrooveType:Middle
ACEMARK 214500
Место установки: со стороны колеса
Длина: 59
: With Middle Groove t
ACEMARK 214501
Место установки: со стороны колеса
Длина: 59
: With Middle Groove t
ASHUKI H06640
Место установки: со стороны колеса
Масса: 2.9
Необходимое количество: 1
: Groove type Middle
ASHUKI HO2G0I
Место установки: со стороны колеса
Масса: 3.028
Необходимое количество: 1
: 50
CAR GHO2990K
Место установки: со стороны колеса
: CIRCLIP POS : MIDDLE
Внешний диаметр: 96
CAR GHO3020K
Место установки: со стороны колеса
: CIRCLIP POS : MIDDLE
Внешний диаметр: 97
CEVAM 6348
Место установки: со стороны колеса
: NBR (бутадиен-нитрильный каучук)
CEVAM 6378
Место установки: со стороны колеса
: NBR (бутадиен-нитрильный каучук)
CIFAM 607131
: с нарезкой / выемкой во внутренней части
Материал: резина
Внешний диаметр: 97
CIFAM 607131A
: с нарезкой / выемкой во внутренней части
Материал: резина
Внешний диаметр: 97
COMLINE CHN45003E
Место установки: со стороны колеса
: 50
DENCKERMANN C120244
Место установки: со стороны колеса
: Groove Type: Middle
DYNAMATRIX DCV823013
Место установки: со стороны колеса
Длина: 147
: Middle
DYNAMATRIX DCV823014
Место установки: со стороны колеса
Длина: 147
: Middle
ERA Benelux CVN1614
Место установки: со стороны колеса
: 60
ERA Benelux CVN1634
Место установки: со стороны колеса
: 50
FARCOM 134515
Место установки: со стороны колеса
: с нарезкой / выемкой во внутренней части
FARCOM 240062
Место установки: со стороны колеса
: 58.2
Внешний диаметр: 97
GENERAL RICAMBI HO1016
Место установки: со стороны колеса
Диаметр: 95.6
: M24x1.5
GENERAL RICAMBI HO1016K
Место установки: со стороны колеса
Диаметр: 95.6
: M24x1.5
GENERAL RICAMBI HO1017
Место установки: со стороны колеса
Диаметр: 95.6
: для автомобилей с ABS
GENERAL RICAMBI HO1017K
Место установки: со стороны колеса
Диаметр: 95.6
: для автомобилей с ABS
IPD 312365
: с нарезкой / выемкой во внутренней части
Внешний диаметр: 97
IPD 312365S
: с нарезкой / выемкой во внутренней части
Внешний диаметр: 100
IPS Parts ICJ10422
Место установки: передний мост
JP GROUP 3443300310
Длина: 147.4
: 93
Дополнительная информация: с резиновой манжетой
JP GROUP 3443300319
Место установки: передний мост
: Шарнир равных угловых скоростей
KAMOKA 6800
: с нарезкой / выемкой во внутренней части
LÖBRO 302013
Длина: 146.5
: 190250
Дополнительная информация: с резиновой манжетой
Nm: 190135
LÖBRO 302014
Длина: 147.4
: 190250
Дополнительная информация: с резиновой манжетой
Nm: 190135
LYNXauto CO3401
Место установки: со стороны колеса
: Middle Groove
LYNXauto CO3402A
Место установки: со стороны колеса
Длина: 149
: Middle Groove
MAPCO 16517
Место установки: передний мост
: Шарнир равных угловых скоростей
Внешний диаметр: 97
MAPCO 16554
Место установки: передний мост
: 50
MAXGEAR 490640
: Шарнир равных угловых скоростей
Внешний диаметр: 97
METELLI 151131
: с нарезкой / выемкой во внутренней части
Материал: резина
Внешний диаметр: 97
METELLI 151131A
: с нарезкой / выемкой во внутренней части
Материал: резина
Внешний диаметр: 97
MEYLE 31144980005
Место установки: со стороны колеса
Длина: 147
: без кольца ABS
Внешний диаметр: 95.5
NPS H281A16
Место установки: со стороны колеса
NPS H281A23
Место установки: со стороны колеса
OPEN PARTS CVJ512910
Место установки: со стороны колеса
: 58.2
Внешний диаметр: 97
OPEN PARTS CVJ513010
Место установки: со стороны колеса
: 60
Внешний диаметр: 97
PATRON PCV1131
: с нарезкой / выемкой во внутренней части
Внешний диаметр: 97
PATRON PCV1131A
: с нарезкой / выемкой во внутренней части
Внешний диаметр: 100
PATRON PCV5005
Место установки: со стороны коробки передач
Длина: 152
: Шарнир равных угловых скоростей
Внешний диаметр: 83.5
RCA FRANCE HO19
Место установки: со стороны колеса
: Карданный шарнир
RUVILLE 77411
: Шарнир равных угловых скоростей
Внешний диаметр: 97
RUVILLE 77411S
: Шарнир равных угловых скоростей
Внешний диаметр: 97
RUVILLE 77420
: Шарнир равных угловых скоростей
Внешний диаметр: 100
RUVILLE 77420S
: Шарнир равных угловых скоростей
Внешний диаметр: 100
SERCORE 21244A
Место установки: со стороны колеса
: Grupilla interior
Внешний диаметр: 92
SKF VKJA5534
: С защитой от пыли
Внешний диаметр: 96
SPIDAN 22352
Длина: 147.4
: 190250
Дополнительная информация: с резиновой манжетой
Nm: 190135
SPIDAN 22355
Длина: 146.5
: 190250
Дополнительная информация: с резиновой манжетой
Nm: 190135
STELLOX 1501053SX
Место установки: со стороны колеса
: Шарнир равных угловых скоростей
Внешний диаметр: 97
STELLOX 1501131SX
Место установки: со стороны колеса
: Шарнир равных угловых скоростей
Внешний диаметр: 100
URW MS812G0
Место установки: со стороны колеса
Диаметр: 93
Длина: 149.7
: ombouw ABS
URW MS812L0
Место установки: со стороны колеса
Диаметр: 93
Длина: 149.7
: 50
Двигатель
HONDA ACCORD IV Aerodeck (CB) 2.2 i 16V (CB8)
Код двигателя: F22A8
HONDA ACCORD IV Aerodeck (CB) 2.2 i 16V (CB8) Код двигателя : F22A8
Объем двигателя(куб.см): 2156 ccm
Мощность двигателя(кВт/л.с.): 147 PS
HONDA ACCORD IV Aerodeck (CB) 2.2 i 16V (CB8) Код двигателя : F22A7
Объем двигателя(куб.см): 2156 ccm
Мощность двигателя(кВт/л.с.): 150 PS
HONDA ACCORD IV Aerodeck (CB) 2.0 i 16V (CC9) Код двигателя : F20Z3
Объем двигателя(куб.см): 1997 ccm
Мощность двигателя(кВт/л.с.): 133 PS
HONDA ACCORD IV Aerodeck (CB) 2.2 Код двигателя : F22A6
Объем двигателя(куб.см): 2156 ccm
Мощность двигателя(кВт/л.с.): 141 PS
HONDA ACCORD IV Aerodeck (CB) 2.2 16V (CB7) Код двигателя : F22A1
Объем двигателя(куб.см): 2156 ccm
Мощность двигателя(кВт/л.с.): 126 PS
HONDA ACCORD IV Aerodeck (CB) 2.2 16V Код двигателя : F22A4
Объем двигателя(куб.см): 2156 ccm
Мощность двигателя(кВт/л.с.): 132 PS
HONDA ACCORD IV Aerodeck (CB) 2.2 (CB8, CB9) Код двигателя : F22A6
Объем двигателя(куб.см): 2156 ccm
Мощность двигателя(кВт/л.с.): 140 PS
HONDA ACCORD IV Aerodeck (CB) 2.0 i Код двигателя : F20A5
Объем двигателя(куб.см): 1997 ccm
Мощность двигателя(кВт/л.с.): 135 PS

Категории

Кнопка связи