top
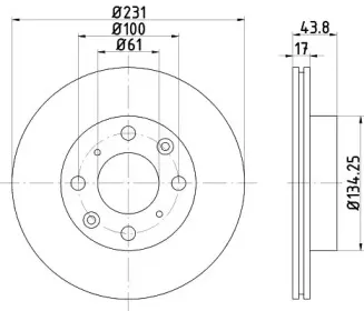
FERODO DDF1521
REMSA 636810
Место установки: передний мост
: 61
Диаметр: 231
Высота: 43.8
Масса: 3.4
Толщина диска: 17
Минимальная толщина: 15
A.B.S. 15599
колесный диск: 4 отверстия
Диаметр: 231
Высота: 44
Масса: 3.55
: 61
Толщина диска: 17
Минимальная толщина: 15
ABE C34013ABE
Толщина: 17 мм
Диаметр: 231
Высота: 43.8
: 61
Толщина диска: 17
Минимальная толщина: 15
Дополнительная информация: с винтами
AP 24149
Диаметр: 231
Высота: 43.8
: 108
Толщина диска: 17
Минимальная толщина: 15
Дополнительная информация: с винтами
APEC braking DSK214
: 4
Толщина диска: 17
Минимальная толщина: 15
мм: 231
ASHIKA 6004413
Место установки: передний мост
Диаметр: 230.7
Высота: 44.4
: 61
Толщина диска: 17
Минимальная толщина: 15
ASHUKI H03504
колесный диск: 4 отверстия
Место установки: передний мост
Толщина: 44 мм
Масса: 3.49
Необходимое количество: 1
:
Толщина диска: 17
Минимальная толщина: 15
Внешний диаметр: 230
ATE 24011701011
Диаметр: 231
Высота: 44
:
Толщина диска: 17
Минимальная толщина: 15
BLUE PRINT ADH24309
колесный диск: 4 отверстия
Место установки: передний мост
Толщина: 44 мм
Масса: 3.49
Необходимое количество: 2
:
Толщина диска: 17
Минимальная толщина: 15
Внешний диаметр: 230
BORG & BECK BBD4007
Диаметр: 231
: 17
Минимальная толщина: 15
BORG & BECK BBD4035
Диаметр: 242
: 19
Минимальная толщина: 17
BOSCH 0986478203
: с внутренней вентиляцией
BOSCH 0986479841
Диаметр: 231
: 61
Толщина диска: 17
Минимальная толщина: 15
BOSCH 0986AB9840
Диаметр: 231
: 61
Толщина диска: 17
Минимальная толщина: 15
BRECO BS7893
Диаметр: 231
Высота: 43.8
: 108
Толщина диска: 17
Минимальная толщина: 15
Дополнительная информация: с винтами
BREMBO 09310210
Диаметр: 231
Высота: 43.8
: 108
Толщина диска: 17
Минимальная толщина: 15
Дополнительная информация: с винтами
CIFAM 800176
: 61
Диаметр: 230.7
Высота: 44
Толщина диска: 17
Минимальная толщина: 15
COMLINE ADC0502V
Место установки: передний мост
Высота: 44
: 100
Толщина диска: 17
Минимальная толщина: 15
Внешний диаметр: 231
COMLINE AND6851
Место установки: передний мост
Высота: 44
: с покрытием
Толщина диска: 17
Минимальная толщина: 15
Внешний диаметр: 231
DELPHI BG2451
Диаметр: 231
: 43.8
Толщина диска: 17
Минимальная толщина: 15
DENCKERMANN B130092
Место установки: передний мост
Диаметр: 231
Высота: 44
: 100
Толщина диска: 17
Минимальная толщина: 15
DJ PARTS BD1545
Место установки: передний мост
: 61
Толщина диска: 17
DYNAMATRIX DBD152
Место установки: передний мост
Диаметр: 231
Высота: 43.8
Масса: 7.08
: 110
Толщина диска: 17
Минимальная толщина: 15
Дополнительная информация: с винтами
FARCOM 230110
Место установки: передний мост
Диаметр: 231
Высота: 44
: лакированный
Толщина диска: 17
Минимальная толщина: 15
Дополнительная информация: с винтами
FENOX TB217309
Место установки: передний мост
Диаметр: 231
Высота: 44
: 100
Толщина диска: 17
Минимальная толщина: 15
FERODO DDF152
Место установки: передний мост
Диаметр: 231
Высота: 43.8
Масса: 7.08
: комплект
Толщина диска: 17
Минимальная толщина: 15
Дополнительная информация: с винтами
FREMAX BD1702
колесный диск: 4 отверстия
Место установки: передний мост
Диаметр: 231
Высота: 43.8
: 61
Толщина диска: 17
Минимальная толщина: 15
FREMAX BD1712
колесный диск: 5 отверстия
Место установки: передний мост
Диаметр: 302
Высота: 54.1
: 96.5
Толщина диска: 28
Минимальная толщина: 26
fri.tech. BD1582
: 61
Диаметр: 230.7
Высота: 44
Толщина диска: 17
Минимальная толщина: 15
FTE BS3525
Диаметр: 231
Высота: 44.2
: 100
Толщина диска: 17
Минимальная толщина: 15
GIRLING 6018151
Диаметр: 231
Высота: 44.25
: лакированный
Толщина диска: 17
Минимальная толщина: 15
Цвет: черный
HERTH+BUSS JAKOPARTS J3304013
Диаметр: 231
Высота: 44
: E1 90R-02C0064/0050
Толщина диска: 17
Минимальная толщина: 15
ICER 78BD17022
Исп. моста: Front
Толщина: 17 мм
Диаметр: 231.3
Высота: 44.3
Масса: 6.96
: 78BD1702-2
Минимальная толщина: 15
IPS Parts IBT1413
Место установки: передний мост
Диаметр: 231
Высота: 44
: 61
Толщина диска: 19
Минимальная толщина: 17
JAPANPARTS DI413
Место установки: передний мост
Диаметр: 230.7
Высота: 44.4
: 61
Толщина диска: 17
Минимальная толщина: 15
JAPKO 60413
Место установки: передний мост
Диаметр: 230.7
Высота: 44.4
: 61
Толщина диска: 17
Минимальная толщина: 15
JP GROUP 4463100609
Место установки: передний мост
Диаметр: 231
: 8/4
Толщина диска: 17
JURID 561348J
Место установки: передний мост
Диаметр: 231
Высота: 44
: 100
Толщина диска: 17
Минимальная толщина: 15
JURID 561348JC
Место установки: передний мост
Диаметр: 231
Высота: 44
: JC
Толщина диска: 17
Минимальная толщина: 15
KAISHIN CBR182
Место установки: передний мост
Диаметр: 231
: 231x61x4
KAVO PARTS BR2209C
Диаметр: 231
Высота: 44
: 135
Толщина диска: 17
KAWE 636810
Место установки: передний мост
: 61
Диаметр: 231
Высота: 43.8
Масса: 3.4
Толщина диска: 17
Минимальная толщина: 15
LEMFÖRDER 1823601
Место установки: передний мост
Диаметр: 231
Высота: 43.8
: 04/08
Толщина диска: 17
Минимальная толщина: 15
LPR H1131V
Диаметр: 231
Высота: 44
: H1131V
Толщина диска: 17
Минимальная толщина: 15
MAXGEAR 190926
Место установки: передний мост
Диаметр: 230.7
Высота: 44.4
: 61
Толщина диска: 17
Минимальная толщина: 15
MAXGEAR 190926MAX
Место установки: передний мост
Диаметр: 230.7
Высота: 44.4
: с покрытием
Толщина диска: 17
Минимальная толщина: 15
MAXGEAR 190926SPORT
Место установки: передний мост
Диаметр: 231
Высота: 43.8
Масса: 3.4
: 10
Толщина диска: 17
Минимальная толщина: 15
Дополнительная информация: без ступицы
METELLI 230176
: 61
Диаметр: 230.7
Высота: 44
Толщина диска: 17
Минимальная толщина: 15
MINTEX MDC343
Диаметр: 231
Высота: 43.8
Масса: 3.4
: 10
Толщина диска: 17
Минимальная толщина: 15
Дополнительная информация: без ступицы
MOTAQUIP LVBD363Z
Диаметр: 231
Высота: 43.8
: 61.1
Толщина диска: 17
Минимальная толщина: 15
NATIONAL NBD059
Место установки: передний мост
Диаметр: 231
Высота: 44
: 4
Толщина диска: 17
Минимальная толщина: 15
NIPPARTS J3304013
Диаметр: 231
Высота: 44
: 134.4
Толщина диска: 17
Минимальная толщина: 15
NK 202605
колесный диск: 4 отверстия
Диаметр: 231
Высота: 44.2
Масса: 3.4
: 61
Толщина диска: 17
Минимальная толщина: 15
NPS H330A13
Место установки: передний мост
Высота: 44
Толщина диска: 17
: 2
Внешний диаметр: 231
OPEN PARTS BDR120320
Диаметр: 231
Высота: 44
: лакированный
Толщина диска: 17
Минимальная толщина: 15
Дополнительная информация: с винтами
OPTIMAL BS3680
Место установки: передний мост
Диаметр: 231
Высота: 43.5
: 61
Толщина диска: 17
Минимальная толщина: 15
PATRON PBD4513
Диаметр: 231
Высота: 44.25
: лакированный
Толщина диска: 17
Минимальная толщина: 15
Цвет: черный
PILENGA V309
Место установки: передний мост
Диаметр: 231
Высота: 44.2
: 4
Толщина диска: 17
Минимальная толщина: 15
QUINTON HAZELL BDC3481
Диаметр: 231
Высота: 44.2
: 61
Толщина диска: 12
Минимальная толщина: 10
QUINTON HAZELL BDC3525
Диаметр: 230.5
Высота: 44
: 61
Толщина диска: 17
Минимальная толщина: 16
ROADHOUSE 636810
Место установки: передний мост
: 61
Диаметр: 231
Высота: 43.8
Масса: 3.4
Толщина диска: 17
Минимальная толщина: 15
SAKURA 604406640
Место установки: передний мост
Высота: 44
Толщина диска: 17
: 61
дюймы: S6046640
sbs 1815202605
колесный диск: 4 отверстия
Диаметр: 231
Высота: 44.2
Масса: 3.4
: 61
Толщина диска: 17
Минимальная толщина: 15
sbs 1815204008
колесный диск: 4 отверстия
Диаметр: 231
Высота: 44.2
Масса: 3.4
: 61
Толщина диска: 17
Минимальная толщина: 15
sbs 1815312605
колесный диск: 4 отверстия
Диаметр: 231
Высота: 44.2
: с покрытием
Толщина диска: 17
Минимальная толщина: 15
ST-TEMPLIN 5311016050
Место установки: передний мост
Толщина: 21 мм
Диаметр: 262
Высота: 44.6
: без покрытия
Минимальная толщина: 19
ST-TEMPLIN 5311116050
Место установки: передний мост
Толщина: 21 мм
Диаметр: 262
Высота: 44.6
: с покрытием
Минимальная толщина: 19
STELLOX 60202605VSX
Место установки: передний мост
Диаметр: 231
Высота: 43.8
: 100
Толщина диска: 17
Минимальная толщина: 15
STOP 561348S
Место установки: передний мост
Диаметр: 231
Высота: 43.8
: 4
Толщина диска: 17
Минимальная толщина: 15
TEXTAR 92046500
Диаметр: 231
Высота: 43.8
Масса: 3.4
: 10
Толщина диска: 17
Минимальная толщина: 15
Дополнительная информация: без ступицы
TRISCAN 812040122
Диаметр: 231
Высота: 43.8
: 100
Толщина диска: 17
TRUSTING DF1582
: 61
Диаметр: 230.7
Высота: 44
Толщина диска: 17
Минимальная толщина: 15
TRW DF1815
Диаметр: 231
Высота: 44.25
: лакированный
Толщина диска: 17
Минимальная толщина: 15
Цвет: черный
VAICO V2680004
Место установки: передний мост
Диаметр: 231
Высота: 44
: R90
Толщина диска: 17
Минимальная толщина: 15
VALEO 186430
колесный диск: 4 отверстия
Место установки: передний мост
Высота: 43.8
Масса: 6.87
: 1
Толщина диска: 17
Минимальная толщина: 15
Внешний диаметр: 231
VEMA 98287
вар. оснащения: ventilato
Место установки: Позиция оси 1
VILLAR 6281497
Диаметр: 231
Высота: 43.8
: 108
Толщина диска: 17
Минимальная толщина: 15
Дополнительная информация: с винтами
WOKING D636810
Место установки: передний мост
: 61
Диаметр: 231
Высота: 43.8
Масса: 3.4
Толщина диска: 17
Минимальная толщина: 15
Двигатель
HONDA CIVIC IV Hatchback (EC, ED, EE) 1.4 L (EC9)
Код двигателя: D14A1
HONDA CIVIC IV Hatchback (EC, ED, EE) 1.4 L (EC9) Код двигателя : D14A1
Объем двигателя(куб.см): 1396 ccm
Мощность двигателя(кВт/л.с.): 90 PS
HONDA CIVIC IV Hatchback (EC, ED, EE) 1.6 i 16V (ED7) Код двигателя : D16A6
Объем двигателя(куб.см): 1590 ccm
Мощность двигателя(кВт/л.с.): 109 PS
HONDA CIVIC IV Hatchback (EC, ED, EE) 1.3 16V Cat (EC8) Код двигателя : D13B2
Объем двигателя(куб.см): 1343 ccm
Мощность двигателя(кВт/л.с.): 75 PS
HONDA CIVIC IV Hatchback (EC, ED, EE) 1.5 i 16V (ED6) Код двигателя : D15B2
Объем двигателя(куб.см): 1493 ccm
Мощность двигателя(кВт/л.с.): 94 PS
HONDA CIVIC IV Hatchback (EC, ED, EE) 1.6 i 16V (ED7) Код двигателя : D16Z2
Объем двигателя(куб.см): 1590 ccm
Мощность двигателя(кВт/л.с.): 110 PS
HONDA CIVIC IV Hatchback (EC, ED, EE) 1.6 i 16V Vtec (EE9) Код двигателя : B16A1
Объем двигателя(куб.см): 1595 ccm
Мощность двигателя(кВт/л.с.): 150 PS
HONDA CIVIC IV Hatchback (EC, ED, EE) 1.6 i 16V Код двигателя : D16A9
Объем двигателя(куб.см): 1590 ccm
Мощность двигателя(кВт/л.с.): 130 PS
HONDA CIVIC IV Hatchback (EC, ED, EE) 1.3 (EC8) Код двигателя : D13B1
Объем двигателя(куб.см): 1343 ccm
Мощность двигателя(кВт/л.с.): 75 PS
HONDA CIVIC IV Hatchback (EC, ED, EE) 1.5 i 16V Код двигателя : D15B2
Объем двигателя(куб.см): 1493 ccm
Мощность двигателя(кВт/л.с.): 90 PS
HONDA CIVIC IV Hatchback (EC, ED, EE) 1.5 Код двигателя : D15B1
Объем двигателя(куб.см): 1493 ccm
Мощность двигателя(кВт/л.с.): 82 PS
HONDA CIVIC IV Hatchback (EC, ED, EE) 1.2 Код двигателя : D12B1
Объем двигателя(куб.см): 1187 ccm
Мощность двигателя(кВт/л.с.): 56 PS
HONDA CIVIC IV Hatchback (EC, ED, EE) 1.5 i 16V Код двигателя : D15B4
Объем двигателя(куб.см): 1493 ccm
Мощность двигателя(кВт/л.с.): 98 PS
HONDA CIVIC IV Hatchback (EC, ED, EE) 1.6 i 16V Код двигателя : D16A7
Объем двигателя(куб.см): 1590 ccm
Мощность двигателя(кВт/л.с.): 124 PS
HONDA CIVIC IV Hatchback (EC, ED, EE) 1.5 i 16V Код двигателя : D15B1
Объем двигателя(куб.см): 1493 ccm
Мощность двигателя(кВт/л.с.): 71 PS

Категории

Кнопка связи