top
BOSCH 0986479451
FERODO DDF1539
Место установки: передний мост
Диаметр: 282
Высота: 47.2
Масса: 13.15
: комплект
Толщина диска: 23
Минимальная толщина: 21
Дополнительная информация: без винтов
FERODO DDF1558
Место установки: задний мост
Диаметр: 260
Высота: 42.4
Масса: 7.02
: комплект
Толщина диска: 9
Минимальная толщина: 8
Дополнительная информация: без винтов
TEXTAR 92164303
Диаметр: 260
Высота: 42
Масса: 3.5
: 10
Толщина диска: 9
Минимальная толщина: 8
Дополнительная информация: без ступицы
A.B.S. 17659
колесный диск: 5 отверстия
Диаметр: 282
Высота: 47.3
Масса: 6.52
: 64
Толщина диска: 23
Минимальная толщина: 21
A.B.S. 17690
колесный диск: 5 отверстия
Диаметр: 262
Высота: 47.2
Масса: 4.93
: 64.2
Толщина диска: 21
Минимальная толщина: 19
A.B.S. 17798
колесный диск: 5 отверстия
Диаметр: 260
Высота: 42.2
Масса: 3.54
: 64
Толщина диска: 9
Минимальная толщина: 8
ABE C34055ABE
Диаметр: 282
Высота: 47.2
: 64.15
Толщина диска: 23
Минимальная толщина: 21
ABE C44033ABE
Место установки: задний мост
Диаметр: 260
Высота: 42.4
: 64
Толщина диска: 9
Минимальная толщина: 8
ASHUKI H03845
колесный диск: 4 отверстия
Место установки: задний мост
Толщина: 42 мм
Масса: 3.58
Необходимое количество: 1
:
Толщина диска: 8
Минимальная толщина: 7
Внешний диаметр: 260
ATE 24010901581
Диаметр: 260
Высота: 42.2
:
Толщина диска: 9
Минимальная толщина: 8
Дополнительная информация: с винтами
ATE 24012301101
Диаметр: 282
Высота: 47.2
:
Толщина диска: 23
Минимальная толщина: 21
Дополнительная информация: с винтами
BLUE PRINT ADH243100
колесный диск: 5 отверстия
Место установки: задний мост
Толщина: 42 мм
Масса: 3.58
Необходимое количество: 2
:
Толщина диска: 8
Минимальная толщина: 7
Внешний диаметр: 260
BLUE PRINT ADH24383
колесный диск: 5 отверстия
Место установки: передний мост
Толщина: 47.2 мм
Масса: 6.25
Необходимое количество: 2
:
Толщина диска: 23
Минимальная толщина: 21
Внешний диаметр: 282
BORG & BECK BBD4598
Диаметр: 260
: 9
Минимальная толщина: 8
BORG & BECK BBD4660
Диаметр: 281.8
: 23
Минимальная толщина: 21
BOSCH 0986479364
Диаметр: 282
Высота: 47.2
: E1 90R-02C0074/0989
Толщина диска: 23
Минимальная толщина: 21
BOSCH 0986479981
Диаметр: 282
: 64.2
Толщина диска: 23
Минимальная толщина: 21
BOSCH 0986479U85
Диаметр: 260
Высота: 42
: E1 90R-02C0100/0521
Толщина диска: 9
Минимальная толщина: 8
BRECK BR067SA100
Диаметр: 260
Высота: 42
: 114.3
Толщина диска: 9
Минимальная толщина: 8
Цвет: серый
Дополнительная информация: без подшипника
CIFAM 800932C
Место установки: передний мост
: лакированный
Диаметр: 282
Высота: 47.4
Толщина диска: 23
Минимальная толщина: 21
CIFAM 800957C
Место установки: задний мост
: лакированный
Диаметр: 260
Высота: 42.2
Толщина диска: 9
Минимальная толщина: 8
COMLINE ADC0555
Место установки: задний мост
Высота: 42.4
: 114.3
Толщина диска: 9
Минимальная толщина: 8
Внешний диаметр: 260
COMLINE AND6041
Место установки: задний мост
Высота: 42.4
: с покрытием
Толщина диска: 9
Минимальная толщина: 8
Внешний диаметр: 260
FEBI BILSTEIN 31399
колесный диск: 5 отверстия
Место установки: передний мост
Масса: 6.36
Необходимое количество: 2
: 114.3
Толщина диска: 23
Минимальная толщина: 21
Внешний диаметр: 282
FEBI BILSTEIN 31415
колесный диск: 5 отверстия
Место установки: задний мост
Масса: 3.47
Необходимое количество: 2
: 114.3
Толщина диска: 9
Минимальная толщина: 8
Внешний диаметр: 260
FENOX TB215301
колесный диск: 5 отверстия
Место установки: задний мост
Диаметр: 260
Высота: 42.2
Масса: 3.54
: 64
Толщина диска: 9
FENOX TB219078
колесный диск: 5 отверстия
Место установки: передний мост
Диаметр: 282
Длина: 134
Толщина диска: 23
: 64
Минимальная толщина: 22.9
FERODO DDF1539C
Место установки: передний мост
Диаметр: 282
Высота: 47.2
Масса: 6.58
: Штука
Толщина диска: 23
Минимальная толщина: 21
FERODO DDF1558C
Место установки: задний мост
Диаметр: 260
Высота: 42.4
Масса: 3.51
: Штука
Толщина диска: 9
Минимальная толщина: 8
FREMAX BD1705
колесный диск: 5 отверстия
Место установки: передний мост
Диаметр: 282
Высота: 47.5
: 64
Толщина диска: 23
Минимальная толщина: 21
FREMAX BD2510
колесный диск: 5 отверстия
Место установки: задний мост
Диаметр: 260
Высота: 42.2
: 64
Толщина диска: 9
Минимальная толщина: 8
Цвет: черный
FREMAX BD2911
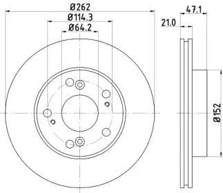
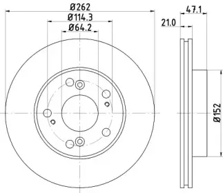
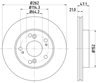
Место установки: передний мост
Диаметр: 262
: 114.3
Толщина диска: 22
FREMAX BD2912
колесный диск: 5 отверстия
Место установки: передний мост
Диаметр: 300
Высота: 47.3
: 64
Толщина диска: 25
Минимальная толщина: 23
Цвет: черный
fri.tech. BD0942
Место установки: передний мост
: лакированный
Диаметр: 282
Высота: 47.4
Толщина диска: 23
Минимальная толщина: 21
fri.tech. BD1108
Место установки: задний мост
: лакированный
Диаметр: 260
Высота: 42.2
Толщина диска: 9
Минимальная толщина: 8
GIRLING 6044861
Диаметр: 282
Высота: 47
: лакированный
Толщина диска: 23
Минимальная толщина: 21
Цвет: черный
GIRLING 6048374
Диаметр: 260
Высота: 42
: лакированный
Толщина диска: 9
Минимальная толщина: 8
Цвет: черный
HELLA 8DD355114321
Диаметр: 260
Высота: 42
Масса: 3.5
: 54643
Толщина диска: 9
Минимальная толщина: 8
Дополнительная информация: без ступицы
HELLA 8DD355115331
Диаметр: 262
Высота: 47.1
Масса: 5.2
: 54758
Толщина диска: 21
Минимальная толщина: 19
Дополнительная информация: без ступицы
HELLA 8DD355115341
Диаметр: 262
Высота: 47.1
Масса: 5.2
: 54758PRO
Толщина диска: 21
Минимальная толщина: 19
Дополнительная информация: без ступицы
HELLA 8DD355118991
Диаметр: 260
Высота: 42
Масса: 3.5
: 54643PRO
Толщина диска: 9
Минимальная толщина: 8
Дополнительная информация: без ступицы
JURID 562457J
Место установки: передний мост
Диаметр: 282
Высота: 47
: 100
Толщина диска: 23
Минимальная толщина: 21
JURID 562457JC
Место установки: передний мост
Диаметр: 282
Высота: 47
: 100
Толщина диска: 23
Минимальная толщина: 21
JURID 562544JC
Место установки: задний мост
Толщина: 9 мм
Диаметр: 260
Высота: 42.4
: JC
Толщина диска: 9
Минимальная толщина: 8
KAVO PARTS BR2250C
Диаметр: 282
Высота: 47
: 151
Толщина диска: 23.2
KAVO PARTS BR2267C
Диаметр: 260
Высота: 42
: 153.5
Толщина диска: 9
LPR H1005V
Диаметр: 282
Высота: 47.2
: H1005V
Толщина диска: 23
Минимальная толщина: 21
METELLI 230932C
Место установки: передний мост
: лакированный
Диаметр: 282
Высота: 47.4
Толщина диска: 23
Минимальная толщина: 21
METELLI 230957C
Место установки: задний мост
: лакированный
Диаметр: 260
Высота: 42.2
Толщина диска: 9
Минимальная толщина: 8
MINTEX MDC1833
Диаметр: 260
Высота: 42
Масса: 3.5
: 10
Толщина диска: 9
Минимальная толщина: 8
Дополнительная информация: без ступицы
MINTEX MDC1833C
Диаметр: 260
Высота: 42
Масса: 3.5
: 10
Толщина диска: 9
Минимальная толщина: 8
Дополнительная информация: без ступицы
MINTEX MDC1894
Диаметр: 262
Высота: 47.1
Масса: 5.2
: 114.3
Толщина диска: 21
Минимальная толщина: 19
Дополнительная информация: без ступицы
NIPPARTS J3304048
Диаметр: 282
Высота: 47.2
: 152
Толщина диска: 23
Минимальная толщина: 21
NIPPARTS J3314034
Диаметр: 260
Высота: 41.9
: 154
Толщина диска: 9
Минимальная толщина: 8
NIPPARTS N3304053
Диаметр: 262
Высота: 47.1
: 151.5
Толщина диска: 21
Минимальная толщина: 19
NIPPARTS N3304054
: REPLACED BY N3304053
NK 202626
колесный диск: 5 отверстия
Диаметр: 282
Высота: 47
Масса: 6.2
: 64
Толщина диска: 23
Минимальная толщина: 21
NK 202636
колесный диск: 5 отверстия
Диаметр: 282
Высота: 47.6
Масса: 6.38
: 64
Толщина диска: 23
Минимальная толщина: 21
NK 202641
колесный диск: 5 отверстия
Диаметр: 260
Высота: 42.4
Масса: 3.32
: 64
Толщина диска: 9
Минимальная толщина: 8
NK 202666
колесный диск: 5 отверстия
Диаметр: 282
Высота: 47.1
Масса: 7.29
: 64
Толщина диска: 25
Минимальная толщина: 23
NK 312626
колесный диск: 5 отверстия
Диаметр: 282
Высота: 47
Масса: 6.2
: с покрытием
Толщина диска: 23
Минимальная толщина: 21
NK 312636
колесный диск: 5 отверстия
Диаметр: 282
Высота: 47.6
Масса: 6.38
: с покрытием
Толщина диска: 23
Минимальная толщина: 21
NK 312641
колесный диск: 5 отверстия
Диаметр: 260
Высота: 42.4
Масса: 3.32
: с покрытием
Толщина диска: 9
Минимальная толщина: 8
NK 312666
колесный диск: 5 отверстия
Диаметр: 282
Высота: 47.1
Масса: 7.29
: с покрытием
Толщина диска: 25
Минимальная толщина: 23
NPS H330A04
Место установки: передний мост
Высота: 47.3
Толщина диска: 23
: 2
Внешний диаметр: 281.7
NPS H331A47
Место установки: задний мост
Высота: 42
Толщина диска: 9
: 2
Внешний диаметр: 260
sbs 1815202626
колесный диск: 5 отверстия
Диаметр: 282
Высота: 47
Масса: 6.2
: 64
Толщина диска: 23
Минимальная толщина: 21
sbs 1815202636
колесный диск: 5 отверстия
Диаметр: 282
Высота: 47.6
Масса: 6.38
: 64
Толщина диска: 23
Минимальная толщина: 21
sbs 1815202641
колесный диск: 5 отверстия
Диаметр: 260
Высота: 42.4
Масса: 3.32
: 64
Толщина диска: 9
Минимальная толщина: 8
sbs 1815202666
колесный диск: 5 отверстия
Диаметр: 282
Высота: 47.1
Масса: 7.29
: 64
Толщина диска: 25
Минимальная толщина: 23
sbs 1815312626
колесный диск: 5 отверстия
Диаметр: 282
Высота: 47
Масса: 6.2
: с покрытием
Толщина диска: 23
Минимальная толщина: 21
sbs 1815312636
колесный диск: 5 отверстия
Диаметр: 282
Высота: 47.6
Масса: 6.38
: с покрытием
Толщина диска: 23
Минимальная толщина: 21
sbs 1815312641
колесный диск: 5 отверстия
Диаметр: 260
Высота: 42.4
Масса: 3.32
: с покрытием
Толщина диска: 9
Минимальная толщина: 8
sbs 1815312666
колесный диск: 5 отверстия
Диаметр: 282
Высота: 47.1
Масса: 7.29
: с покрытием
Толщина диска: 25
Минимальная толщина: 23
STOP 562457S
Место установки: передний мост
Диаметр: 282
Высота: 47.2
Масса: 13.15
: комплект
Толщина диска: 23
Минимальная толщина: 21
Дополнительная информация: без винтов
SWAG 85931399
колесный диск: 5 отверстия
Место установки: передний мост
Масса: 6.36
Необходимое количество: 2
: 114.3
Толщина диска: 23
Минимальная толщина: 21
Внешний диаметр: 282
SWAG 85931415
колесный диск: 5 отверстия
Место установки: задний мост
Масса: 3.47
Необходимое количество: 2
: 114.3
Толщина диска: 9
Минимальная толщина: 8
Внешний диаметр: 260
TEXTAR 92175803
Диаметр: 262
Высота: 47.1
Масса: 5.2
: 11.5
Толщина диска: 21
Минимальная толщина: 19
Дополнительная информация: без ступицы
TRISCAN 812040131C
Диаметр: 282
Высота: 47.6
: 64
Толщина диска: 23
Минимальная толщина: 21
TRISCAN 812040154C
для производителя: ASAMA
Диаметр: 260
Высота: 42.4
: 64
Толщина диска: 9
Минимальная толщина: 8
TRUSTING DF1108
Место установки: задний мост
: лакированный
Диаметр: 260
Высота: 42.2
Толщина диска: 9
Минимальная толщина: 8
TRUSTING DF942
Место установки: передний мост
: лакированный
Диаметр: 282
Высота: 47.4
Толщина диска: 23
Минимальная толщина: 21
TRW DF4486
Диаметр: 282
Высота: 47
: лакированный
Толщина диска: 23
Минимальная толщина: 21
Цвет: черный
TRW DF4837
Диаметр: 260
Высота: 42
: лакированный
Толщина диска: 9
Минимальная толщина: 8
Цвет: черный
WAGNER WGR15581
Место установки: задний мост
Диаметр: 260
Высота: 42.4
Масса: 7.02
: 64
Толщина диска: 9
Минимальная толщина: 8
Дополнительная информация: без винтов
Двигатель
HONDA CIVIC VIII седан (FD, FA) 1.8 EXS Flex
Код двигателя: R18A1
HONDA CIVIC VIII седан (FD, FA) 1.8 EXS Flex Код двигателя : R18A1
Объем двигателя(куб.см): 1799 ccm
Мощность двигателя(кВт/л.с.): 140 PS
HONDA CIVIC VIII седан (FD, FA) 1.3 Hybrid (FD3) Код двигателя : LDA2
Объем двигателя(куб.см): 1339 ccm
Мощность двигателя(кВт/л.с.): 116 PS
HONDA CIVIC VIII седан (FD, FA) 1.3 Hybrid (FA3, FD3) Код двигателя : LDA2
Объем двигателя(куб.см): 1339 ccm
Мощность двигателя(кВт/л.с.): 95 PS
HONDA CIVIC VIII седан (FD, FA) 1.6 Код двигателя : R16A1
Объем двигателя(куб.см): 1595 ccm
Мощность двигателя(кВт/л.с.): 114 PS
HONDA CIVIC VIII седан (FD, FA) 1.8 (FD1, FD7) Код двигателя : R18A2
Объем двигателя(куб.см): 1799 ccm
Мощность двигателя(кВт/л.с.): 140 PS
HONDA CIVIC VIII седан (FD, FA) 1.3 Код двигателя : L13A6
Объем двигателя(куб.см): 1339 ccm
Мощность двигателя(кВт/л.с.): 116 PS
HONDA CIVIC VIII седан (FD, FA) 2.0 (FD2) Код двигателя : K20Z2
Объем двигателя(куб.см): 1998 ccm
Мощность двигателя(кВт/л.с.): 155 PS
HONDA CIVIC VIII седан (FD, FA) 1.8 Код двигателя : R18A1
Объем двигателя(куб.см): 1799 ccm
Мощность двигателя(кВт/л.с.): 132 PS
HONDA CIVIC VIII седан (FD, FA) 1.8 CNG Код двигателя : R18A4
Объем двигателя(куб.см): 1799 ccm
Мощность двигателя(кВт/л.с.): 114 PS
HONDA CIVIC VIII седан (FD, FA) 1.3 Hybrid Код двигателя : LDA2
Объем двигателя(куб.см): 1339 ccm
Мощность двигателя(кВт/л.с.): 112 PS
HONDA CIVIC VIII седан (FD, FA) 2.0 i-VTEC Type R Код двигателя :
Объем двигателя(куб.см): 1998 ccm
Мощность двигателя(кВт/л.с.): 224 PS
HONDA CIVIC VIII седан (FD, FA) 1.5 i-VTEC Код двигателя : L15A7
Объем двигателя(куб.см): 1497 ccm
Мощность двигателя(кВт/л.с.): 120 PS
HONDA CIVIC VIII седан (FD, FA) 1.6 Код двигателя : R16A1
Объем двигателя(куб.см): 1595 ccm
Мощность двигателя(кВт/л.с.): 125 PS
HONDA CIVIC VIII седан (FD, FA) 1.6 Код двигателя : R16B1
Объем двигателя(куб.см): 1598 ccm
Мощность двигателя(кВт/л.с.): 125 PS
HONDA CIVIC VIII седан (FD, FA) 1.7 Код двигателя : D17A6
Объем двигателя(куб.см): 1668 ccm
Мощность двигателя(кВт/л.с.): 116 PS
HONDA CIVIC VIII седан (FD, FA) 2.0 Код двигателя : K20Z3
Объем двигателя(куб.см): 1998 ccm
Мощность двигателя(кВт/л.с.): 200 PS
HONDA CIVIC VIII седан (FD, FA) 2.0 Код двигателя : K20Z4
Объем двигателя(куб.см): 1998 ccm
Мощность двигателя(кВт/л.с.): 192 PS

Категории

Кнопка связи