top
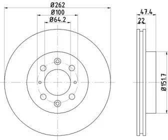
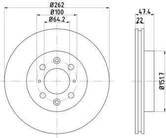
Двигатель
HONDA CONCERTO седан (HWW) 1.4
Код двигателя: D14A8

Категории

Кнопка связи