top
LPR KMB210
: Middle
Внешний диаметр: 82
ASHIKA 620HH32
Место установки: со стороны колеса
: 95
CAR GMB2130K
Место установки: со стороны колеса
: CIRCLIP POS : INNER
Внешний диаметр: 79
CIFAM 607047
: с нарезкой / выемкой во внутренней части
Материал: резина
Внешний диаметр: 82
COMLINE CMB45004E
Место установки: со стороны колеса
: 50
COMLINE CMB45019E
Место установки: со стороны колеса
Диаметр: 22.65
: с нарезкой / выемкой во внутренней части
ERA Benelux CVN1202
Место установки: со стороны колеса
: 50
IPD 312281
: с нарезкой / выемкой во внутренней части
Внешний диаметр: 82
JAPANPARTS GIH32
Место установки: со стороны колеса
: 95
JAPKO 62H32
Место установки: со стороны колеса
: 95
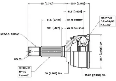
KAISHIN 3160001
число зубцов: 25
Место установки: передний мост
Диаметр: 82
: 22
LÖBRO 302073
Длина: 150.6
: 190250
Дополнительная информация: с корончатой гайкой
Nm: 190135
LÖBRO 302990
Длина: 158.5
: 190250
Дополнительная информация: с корончатой гайкой
Nm: 190135
LYNXauto CO3609A
Место установки: со стороны колеса
Длина: 153
: Inner Groove
METELLI 151047
: с нарезкой / выемкой во внутренней части
Материал: резина
Внешний диаметр: 82
PATRON PCV1047
: с нарезкой / выемкой во внутренней части
Внешний диаметр: 82
SPIDAN 20354
Длина: 158.5
: 190250
Дополнительная информация: с корончатой гайкой
Nm: 190135
SPIDAN 21381
Длина: 150.6
: 190250
Дополнительная информация: с корончатой гайкой
Nm: 190135
STELLOX 1501047SX
Место установки: со стороны колеса
: с отверстием/ями для крепления водяного насоса
Внешний диаметр: 82
TRISCAN 854042102
Диаметр: 82
: с нарезкой / выемкой во внутренней части
URW MS61130
вар. оснащения: MMC make B
Место установки: со стороны колеса
Диаметр: 79
Длина: 150
: 50
VEMA 18433
Место установки: со стороны колеса
Двигатель
HYUNDAI PONY (X-1) 1.5 (X-1)
Код двигателя: G4DJ

Категории

Кнопка связи