top
BOSCH 0986477191
: 4
A.B.S. 2435S
колесный диск: 4 отверстия
Высота: 53
Масса: 4.14
: 55
APEC braking DRM9938
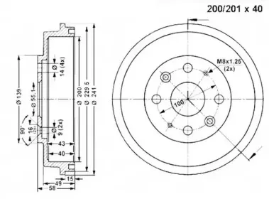
Диаметр: 201.5
Ширина: 41
: 4
Внешний диаметр: 241.3
ASHIKA 5603300
Место установки: задний мост
: 55
BORG & BECK BBR7158
Диаметр: 201.5
Ширина: 41
: 58
Внешний диаметр: 241.5
DJ PARTS BR1090
Место установки: задний мост
: 57.8
DYNAMATRIX DDR329322
Место установки: задний мост
Диаметр: 200
: 55
FERODO FDR329322
Место установки: задний мост
Масса: 4.13
: 100
Дополнительная информация: без колесного подшипника
HELLA 8DT355300761
Масса: 4
: 61285
Дополнительная информация: без ступицы
HERTH+BUSS JAKOPARTS J3403012
Высота: 58
: 2
JAPANPARTS TA300
Место установки: задний мост
: 55
JAPKO 56300
Место установки: задний мост
: 55
JP GROUP 3863500109
Место установки: задний мост
Диаметр: 200
: 8/4
JURID 329322J
Место установки: задний мост
Масса: 4.13
: 55
Дополнительная информация: без колесного подшипника
KAVO PARTS BD4857
Высота: 53
: 55
LYNXauto BM1094
Место установки: задний мост
: 100
MEYLE 35155230029
Место установки: задний мост
Необходимое количество: 2
: 200
NATIONAL NDR195
Место установки: задний мост
: 4
NK 253212
колесный диск: 4 отверстия
: 58
OPTIMAL BT2250
Место установки: задний мост
Высота: 58
: 200
QUINTON HAZELL BDR469
Высота: 58
: 4
SAKURA 606303500
Место установки: задний мост
дюймы: S6063500
sbs 1825253212
колесный диск: 4 отверстия
: 58
STELLOX 60201816SX
Место установки: задний мост
: 100
Двигатель
MAZDA 323 P V (BA) 1.3 16V
Код двигателя: B3 (16V)

Категории

Кнопка связи