top
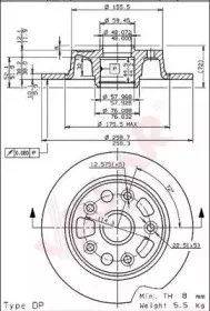
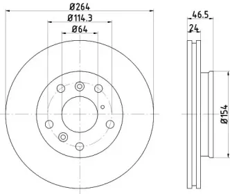
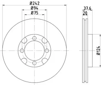
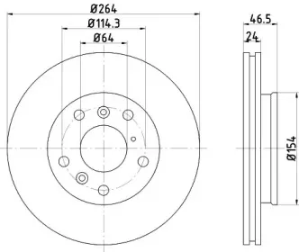
REMSA 638510
Место установки: передний мост
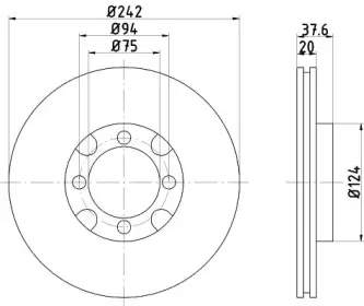
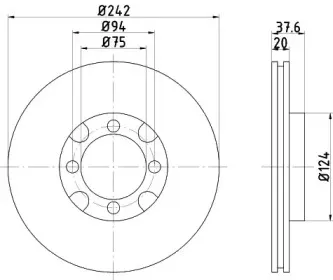
Диаметр: 242
Высота: 37.6
Масса: 4.05
: 75
Толщина диска: 20
Минимальная толщина: 18
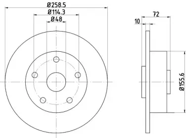
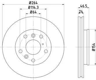
A.B.S. 15950
колесный диск: 5 отверстия
Диаметр: 264
Высота: 46.5
Масса: 5.35
: 64
Толщина диска: 24
Минимальная толщина: 22
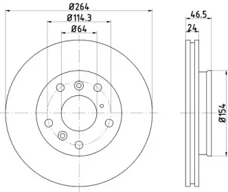
A.B.S. 16055
колесный диск: 5 отверстия
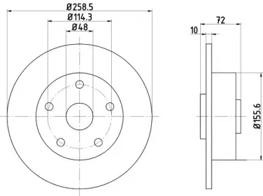
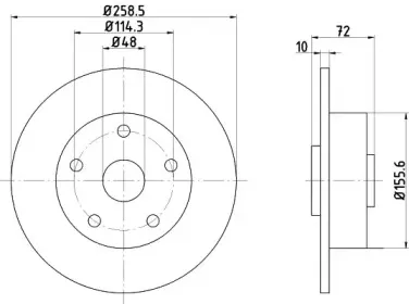
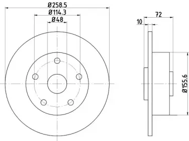
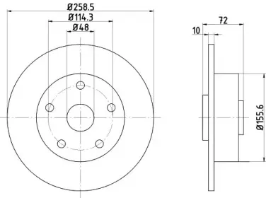
Диаметр: 259
Высота: 72
Масса: 5.66
: 48
Толщина диска: 10
Минимальная толщина: 8
ABE C33040ABE
Толщина: 24 мм
Диаметр: 264
Высота: 46.5
: 64
Толщина диска: 24
Минимальная толщина: 22
Материал: Серый чугун
ABE C43009ABE
Толщина: 10 мм
Диаметр: 258.5
Высота: 58
: 48
Толщина диска: 10
Минимальная толщина: 8
AP 14573
Диаметр: 258.5
Высота: 58
: 08.5954.10
Толщина диска: 10
Минимальная толщина: 8
AP 24262
Диаметр: 264
Высота: 46.5
: 100
Толщина диска: 24
Минимальная толщина: 22
ASHIKA 6003340
Место установки: передний мост
Диаметр: 263.2
Высота: 47
: 64
Толщина диска: 24
Минимальная толщина: 22
ASHIKA 6103309
Место установки: задний мост
Диаметр: 258.6
Высота: 73.5
: 48
Толщина диска: 10
Минимальная толщина: 8
ASHUKI M60601
колесный диск: 2 отверстия
Место установки: передний мост
Толщина: 46.5 мм
Масса: 5.845
Необходимое количество: 1
:
Толщина диска: 24
Минимальная толщина: 22
Внешний диаметр: 264
ASHUKI M61601
Место установки: задний мост
Толщина: 72.5 мм
Масса: 5.4
Необходимое количество: 1
: полный
Толщина диска: 10
Минимальная толщина: 8
Внешний диаметр: 259
ATE 24012401051
Диаметр: 264
Высота: 46.5
:
Толщина диска: 24
Минимальная толщина: 22
BLUE PRINT ADM54325
колесный диск: 5 отверстия
Место установки: передний мост
Толщина: 46.5 мм
Масса: 5.845
Необходимое количество: 2
:
Толщина диска: 24
Минимальная толщина: 22
Внешний диаметр: 264
BORG & BECK BBD4057
Диаметр: 262
: 24
Минимальная толщина: 22
BOSCH 0986478523
: с внутренней вентиляцией
BOSCH 0986479U26
Диаметр: 264
Высота: 46.3
: 64
Толщина диска: 24
Минимальная толщина: 22
BRECO BS7512
Диаметр: 258.5
Высота: 58
: 08.5954.10
Толщина диска: 10
Минимальная толщина: 8
BRECO BS7986
Диаметр: 264
Высота: 46.5
: 100
Толщина диска: 24
Минимальная толщина: 22
BREMBO 08595410
Диаметр: 258.5
Высота: 58
: 08.5954.10
Толщина диска: 10
Минимальная толщина: 8
BREMBO 09525210
Диаметр: 264
Высота: 46.5
: 100
Толщина диска: 24
Минимальная толщина: 22
CIFAM 8001721
Место установки: задний мост
: 48
Диаметр: 259
Высота: 50.2
Толщина диска: 10.1
Минимальная толщина: 8
Дополнительная информация: без колесного подшипника
CIFAM 800272
: 75
Диаметр: 250
Высота: 34.5
Толщина диска: 20
Минимальная толщина: 18.5
CIFAM 800274
: 64
Диаметр: 263.5
Высота: 46.5
Толщина диска: 24
Минимальная толщина: 22
COMLINE ADC0405V
Место установки: передний мост
Высота: 47
: 64
Толщина диска: 24
Минимальная толщина: 22
Внешний диаметр: 264
COMLINE ADC0428
Место установки: задний мост
: полный
Диаметр: 237
Высота: 74
Толщина диска: 10
Минимальная толщина: 9
Внешний диаметр: 260
DELPHI BG2547
Диаметр: 264
: 47.5
Толщина диска: 24
Минимальная толщина: 22
Дополнительная информация: с винтами
DELPHI BG2549
Диаметр: 259
: 73.3
Толщина диска: 10.2
Минимальная толщина: 8
Дополнительная информация: cо ступицей
DENCKERMANN B130100
Место установки: передний мост
Диаметр: 264
Высота: 46.5
: 114.3
Толщина диска: 24
Минимальная толщина: 22
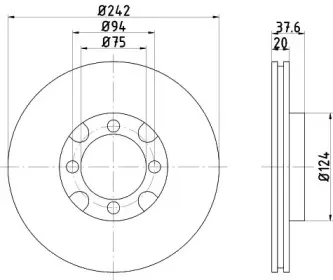
DYNAMATRIX DBD394
Место установки: передний мост
Диаметр: 242
Высота: 37.6
Масса: 8.14
: 100
Толщина диска: 20
Минимальная толщина: 18
Дополнительная информация: без винтов
DYNAMATRIX DBD395
Место установки: передний мост
Диаметр: 264
Высота: 46.5
Масса: 11.16
: 100
Толщина диска: 24
Минимальная толщина: 22
Дополнительная информация: без винтов
DYNAMATRIX DBD456
Место установки: задний мост
Диаметр: 259
Высота: 58
Масса: 11.43
: 48
Толщина диска: 10
Минимальная толщина: 8
Дополнительная информация: без винтов
E.T.F. 193260
Диаметр: 264
Высота: 46.5
: 19-3260
Толщина диска: 24
Минимальная толщина: 22
E.T.F. 19P5145
Диаметр: 259
Высота: 73.5
: 19-P5145
Толщина диска: 10.2
Минимальная толщина: 8
FEBI BILSTEIN 10625
колесный диск: 5 отверстия
Место установки: передний мост
Масса: 3
Необходимое количество: 2
: с внутренней вентиляцией
Толщина диска: 24
Внешний диаметр: 264
FENOX TB215508
Место установки: задний мост
Диаметр: 259
Высота: 73.2
: 114.3
Толщина диска: 10
FERODO DDF394
Место установки: передний мост
Диаметр: 242
Высота: 37.6
Масса: 8.14
: комплект
Толщина диска: 20
Минимальная толщина: 18
Дополнительная информация: без винтов
FERODO DDF395
Место установки: передний мост
Диаметр: 264
Высота: 46.5
Масса: 11.16
: комплект
Толщина диска: 24
Минимальная толщина: 22
Дополнительная информация: без винтов
FERODO DDF456
Место установки: задний мост
Диаметр: 259
Высота: 58
Масса: 11.43
: комплект
Толщина диска: 10
Минимальная толщина: 8
Дополнительная информация: без винтов
FREMAX BD3260
колесный диск: 5 отверстия
Место установки: передний мост
Диаметр: 264
Высота: 46.5
: 64
Толщина диска: 24
Минимальная толщина: 22
fri.tech. BD0285
: 75
Диаметр: 250
Высота: 34.5
Толщина диска: 20
Минимальная толщина: 18.5
fri.tech. BD0291
: 64
Диаметр: 263.5
Высота: 46.5
Толщина диска: 24
Минимальная толщина: 22
fri.tech. BD0831
Место установки: задний мост
: 48
Диаметр: 259
Высота: 50.2
Толщина диска: 10.1
Минимальная толщина: 8
Дополнительная информация: без колесного подшипника
FTE BS3657
Диаметр: 263.5
Высота: 46.5
: 114
Толщина диска: 24
Минимальная толщина: 22
FTE BS3734
Диаметр: 259
Высота: 72
: 114.3
Толщина диска: 10
Минимальная толщина: 8
GIRLING 6025711
Диаметр: 264
Высота: 47
: 114
Толщина диска: 24
Минимальная толщина: 22
GIRLING 6031174
Диаметр: 259
Высота: 50
: лакированный
Толщина диска: 10
Минимальная толщина: 8
Цвет: черный
HELLA 8DD355103201
Диаметр: 242
Высота: 37.6
Масса: 3.9
: 52017
Толщина диска: 20
Минимальная толщина: 18
Дополнительная информация: без ступицы
HELLA 8DD355103211
Диаметр: 264
Высота: 46.5
Масса: 5.3
: 52013
Толщина диска: 24
Минимальная толщина: 22
Дополнительная информация: без ступицы
HELLA 8DD355105061
Диаметр: 258.5
Высота: 72
Масса: 5.5
: 52022
Толщина диска: 10
Минимальная толщина: 8
Дополнительная информация: cо ступицей
HERTH+BUSS JAKOPARTS J3303040
Диаметр: 264
Высота: 46.5
: E1 90R-02C0064/0152
Толщина диска: 24
Минимальная толщина: 22
HERTH+BUSS JAKOPARTS J3313009
Диаметр: 259
Высота: 72.5
: E1 90R-02C0123/0275
Толщина диска: 10
Минимальная толщина: 8
ICER 78BD32602
Исп. моста: Front
Толщина: 24 мм
Диаметр: 264
Высота: 46.5
Масса: 11.23
: 78BD3260-2
Минимальная толщина: 22
IPS Parts IBP1309
Место установки: задний мост
Диаметр: 259
Высота: 73.5
: 48
Толщина диска: 10.2
Минимальная толщина: 8
IPS Parts IBT1340
Место установки: передний мост
Диаметр: 264
Высота: 46.5
: 64
Толщина диска: 24
Минимальная толщина: 22
JAPANPARTS DI340
Место установки: передний мост
Диаметр: 263.2
Высота: 47
: 64
Толщина диска: 24
Минимальная толщина: 22
JAPANPARTS DP309
Место установки: задний мост
Диаметр: 258.6
Высота: 73.5
: 48
Толщина диска: 10
Минимальная толщина: 8
JAPKO 60340
Место установки: передний мост
Диаметр: 263.2
Высота: 47
: 64
Толщина диска: 24
Минимальная толщина: 22
JAPKO 61309
Место установки: задний мост
Диаметр: 258.6
Высота: 73.5
: 48
Толщина диска: 10
Минимальная толщина: 8
JURID 561483J
Место установки: передний мост
Диаметр: 264
Высота: 46.5
: 114.3
Толщина диска: 24
Минимальная толщина: 22
JURID 561565J
Место установки: передний мост
Диаметр: 242
Высота: 37.5
: 0
Толщина диска: 20
Минимальная толщина: 18
KAVO PARTS BR4715
Диаметр: 264
Высота: 46.5
: 158
Толщина диска: 24
KAVO PARTS BR4715C
Диаметр: 264
Высота: 46.5
: 158
Толщина диска: 24
KAVO PARTS BR4717
Диаметр: 259
Высота: 73.5
: 155
Толщина диска: 10.2
KAVO PARTS BR4717C
Диаметр: 259
Высота: 73.5
: 155
Толщина диска: 10.2
KAWE 37566
Место установки: задний мост
Диаметр: 259
Высота: 73.5
: 48
Толщина диска: 10.2
Дополнительная информация: cо ступицей
KAWE 6111400
Место установки: задний мост
Диаметр: 259
Высота: 73.2
Масса: 5.9
: 57.91
Толщина диска: 10
Минимальная толщина: 8
KAWE 6111500
Место установки: задний мост
Диаметр: 258.7
Высота: 72
Масса: 5.5
: 63.9
Толщина диска: 10.1
Минимальная толщина: 8
KAWE 623710
Место установки: передний мост
: 64
Диаметр: 264
Высота: 46.5
Масса: 5.3
Толщина диска: 24
Минимальная толщина: 22
KAWE 638510
Место установки: передний мост
Диаметр: 242
Высота: 37.6
Масса: 4.05
: 75
Толщина диска: 20
Минимальная толщина: 18
LEMFÖRDER 1901401
Место установки: задний мост
Диаметр: 259
: 5
Толщина диска: 10
Минимальная толщина: 8
LEMFÖRDER 1929801
Место установки: передний мост
Диаметр: 264
Высота: 46.5
: 05/05
Толщина диска: 24
Минимальная толщина: 22
LPR M5371V
Диаметр: 264
Высота: 46
: M5371V
Толщина диска: 24
Минимальная толщина: 22
MAGNETI MARELLI 431602041570
Диаметр: 264
MAPCO 15534
Место установки: передний мост
Качество: Kreuzschliff
Диаметр: 264
Масса: 2.65
: 114.3
Толщина диска: 24
Минимальная толщина: 22
MAPCO 15535
Место установки: задний мост
Качество: Kreuzschliff
Диаметр: 259
Масса: 1.2
: 113
Толщина диска: 10
Минимальная толщина: 8
MAPCO 25530
Место установки: задний мост
Качество: Kreuzschliff
Диаметр: 259
Масса: 2.8
: 5
Толщина диска: 10
MAXGEAR 191272
Место установки: задний мост
Диаметр: 258.5
Высота: 72
Масса: 5.5
: 114.3
Толщина диска: 10
Минимальная толщина: 8
Дополнительная информация: cо ступицей
MAXGEAR 191272SPORT
Место установки: передний мост
Диаметр: 258.5
Высота: 72
Масса: 5.5
: 10
Толщина диска: 10
Минимальная толщина: 8
Дополнительная информация: cо ступицей
MAXGEAR 192570
Место установки: передний мост
Диаметр: 242
Высота: 37.6
Масса: 3.9
: 98200 0618 0 1
Толщина диска: 20
Минимальная толщина: 18
Дополнительная информация: без ступицы
MAXGEAR 192570SPORT
Место установки: передний мост
Диаметр: 242
Высота: 37.6
Масса: 3.9
: 98200 0618 0 1
Толщина диска: 20
Минимальная толщина: 18
Дополнительная информация: без ступицы
MAXGEAR 192571
Место установки: передний мост
Диаметр: 264
Высота: 46.5
Масса: 5.3
: 98200 0619 0 1
Толщина диска: 24
Минимальная толщина: 22
Дополнительная информация: без ступицы
MAXGEAR 192571SPORT
Место установки: передний мост
Диаметр: 264
Высота: 46.5
Масса: 5.3
: 98200 0619 0 1
Толщина диска: 24
Минимальная толщина: 22
Дополнительная информация: без ступицы
METELLI 230272
: 75
Диаметр: 250
Высота: 34.5
Толщина диска: 20
Минимальная толщина: 18.5
METELLI 230274
: 64
Диаметр: 263.5
Высота: 46.5
Толщина диска: 24
Минимальная толщина: 22
METELLI 231721
Место установки: задний мост
: 48
Диаметр: 259
Высота: 50.2
Толщина диска: 10.1
Минимальная толщина: 8
Дополнительная информация: без колесного подшипника
MEYLE 35155210005PD
Место установки: задний мост
Высота: 58
Необходимое количество: 2
: не хромированное (Cr VI) покрытие
Толщина диска: 10
Минимальная толщина: 8
Внешний диаметр: 259
MEYLE 35155210009PD
Место установки: передний мост
Высота: 46.5
Необходимое количество: 2
: не хромированное (Cr VI) покрытие
Толщина диска: 24
Минимальная толщина: 22
Внешний диаметр: 264
MINTEX MDC663
Диаметр: 264
Высота: 46.5
Масса: 5.3
: 114.3
Толщина диска: 24
Минимальная толщина: 22
Дополнительная информация: без ступицы
MINTEX MDC664
Диаметр: 258.5
Высота: 72
Масса: 5.5
: 114.3
Толщина диска: 10
Минимальная толщина: 8
Дополнительная информация: cо ступицей
MINTEX MDC665
Диаметр: 242
Высота: 37.6
Масса: 3.9
: 94
Толщина диска: 20
Минимальная толщина: 18
Дополнительная информация: без ступицы
NATIONAL NBD358
Место установки: задний мост
Диаметр: 260
Высота: 74
: 5
Толщина диска: 10
Минимальная толщина: 6
NIPPARTS J3303040
Диаметр: 263
Высота: 46.5
: 154
Толщина диска: 24
Минимальная толщина: 22
NIPPARTS J3313009
Диаметр: 259
Высота: 72
: 155.5
Толщина диска: 10
Минимальная толщина: 8
NK 203220
колесный диск: 5 отверстия
Диаметр: 263.5
Высота: 46.5
Масса: 5.33
: 64
Толщина диска: 24
Минимальная толщина: 22
NK 203228
колесный диск: 5 отверстия
Диаметр: 260.5
Высота: 40
Масса: 3.63
: 72
Толщина диска: 10
Минимальная толщина: 8
NK 203229
колесный диск: 5 отверстия
Диаметр: 259
Высота: 72
Масса: 5.9
: 58
Толщина диска: 10
Минимальная толщина: 8
NK 313228
колесный диск: 5 отверстия
Диаметр: 260.5
Высота: 40
Масса: 3.63
: с покрытием
Толщина диска: 10
Минимальная толщина: 8
NPS M330A40
Место установки: передний мост
NPS M331A13
Место установки: задний мост
OPTIMAL BS2370
Место установки: передний мост
Диаметр: 264
Высота: 46.5
: 64
Толщина диска: 24
Минимальная толщина: 22
OPTIMAL BS6730
Место установки: задний мост
Диаметр: 259
Высота: 73.2
: 48
Толщина диска: 10
Минимальная толщина: 8
PATRON PBD2571
Диаметр: 264
Высота: 47
: 114
Толщина диска: 24
Минимальная толщина: 22
PILENGA 5508
Диаметр: 259
Высота: 71.9
: 58
Толщина диска: 10.1
Минимальная толщина: 8
PILENGA V504
Место установки: передний мост
Диаметр: 264
Высота: 46.5
: 3
Толщина диска: 24
Минимальная толщина: 22
PROTECHNIC PRD2139
Диаметр: 264
Высота: 46.5
: 10
Толщина диска: 24
Минимальная толщина: 22
PROTECHNIC PRD5145
Диаметр: 258.5
Высота: 58
: 48
Толщина диска: 10
Минимальная толщина: 8
QUINTON HAZELL BDC3657
Диаметр: 264
Высота: 46.5
: 64
Толщина диска: 24
Минимальная толщина: 22
QUINTON HAZELL BDC3734
Диаметр: 259
Высота: 73.5
: 48
Толщина диска: 10.2
Минимальная толщина: 8
REMSA 6111400
Место установки: задний мост
Диаметр: 259
Высота: 73.2
Масса: 5.9
: 57.91
Толщина диска: 10
Минимальная толщина: 8
REMSA 6111500
Место установки: задний мост
Диаметр: 258.7
Высота: 72
Масса: 5.5
: 63.9
Толщина диска: 10.1
Минимальная толщина: 8
REMSA 623710
Место установки: передний мост
: 64
Диаметр: 264
Высота: 46.5
Масса: 5.3
Толщина диска: 24
Минимальная толщина: 22
ROADHOUSE 6111400
Место установки: задний мост
Диаметр: 259
Высота: 73.2
Масса: 5.9
: 57.91
Толщина диска: 10
Минимальная толщина: 8
ROADHOUSE 6111500
Место установки: задний мост
Диаметр: 258.7
Высота: 72
Масса: 5.5
: 63.9
Толщина диска: 10.1
Минимальная толщина: 8
ROADHOUSE 623710
Место установки: передний мост
: 64
Диаметр: 264
Высота: 46.5
Масса: 5.3
Толщина диска: 24
Минимальная толщина: 22
ROADHOUSE 638510
Место установки: передний мост
Диаметр: 242
Высота: 37.6
Масса: 4.05
: 75
Толщина диска: 20
Минимальная толщина: 18
sbs 1815203220
колесный диск: 5 отверстия
Диаметр: 263.5
Высота: 46.5
Масса: 5.33
: 64
Толщина диска: 24
Минимальная толщина: 22
sbs 1815203228
колесный диск: 5 отверстия
Диаметр: 260.5
Высота: 40
Масса: 3.63
: 72
Толщина диска: 10
Минимальная толщина: 8
sbs 1815203229
колесный диск: 5 отверстия
Диаметр: 259
Высота: 72
Масса: 5.9
: 58
Толщина диска: 10
Минимальная толщина: 8
sbs 1815313220
колесный диск: 5 отверстия
Диаметр: 263.5
Высота: 46.5
: с покрытием
Толщина диска: 24
Минимальная толщина: 22
sbs 1815313228
колесный диск: 5 отверстия
Диаметр: 260.5
Высота: 40
Масса: 3.63
: с покрытием
Толщина диска: 10
Минимальная толщина: 8
sbs 1815313229
колесный диск: 5 отверстия
Диаметр: 259
Высота: 72
: с покрытием
Толщина диска: 10
Минимальная толщина: 8
STELLOX 60201267SX
Место установки: задний мост
Диаметр: 258.7
Высота: 72
: 63.9
Толщина диска: 10.1
Минимальная толщина: 8
STELLOX 60203219VSX
Место установки: передний мост
Диаметр: 242
Высота: 37.6
: 94
Толщина диска: 20
Минимальная толщина: 18
STELLOX 60203220VSX
Место установки: передний мост
Диаметр: 263.5
Высота: 46.5
: 114
Толщина диска: 24
Минимальная толщина: 22
STOP 561565S
Место установки: передний мост
Диаметр: 242
Высота: 37.6
: 4
Толщина диска: 20
Минимальная толщина: 18
SWAG 83910625
колесный диск: 5 отверстия
Место установки: передний мост
Масса: 3
Необходимое количество: 2
: с внутренней вентиляцией
Толщина диска: 24
Внешний диаметр: 264
TEXTAR 92061800
Диаметр: 242
Высота: 37.6
Масса: 3.9
: 10
Толщина диска: 20
Минимальная толщина: 18
Дополнительная информация: без ступицы
TEXTAR 92061900
Диаметр: 264
Высота: 46.5
Масса: 5.3
: 11.5
Толщина диска: 24
Минимальная толщина: 22
Дополнительная информация: без ступицы
TEXTAR 92078800
Диаметр: 258.5
Высота: 72
Масса: 5.5
: 10
Толщина диска: 10
Минимальная толщина: 8
Дополнительная информация: cо ступицей
TRISCAN 812050121
Диаметр: 258.5
: 5
Толщина диска: 10
TRISCAN 812050128
Диаметр: 264
: 5
Толщина диска: 24
TRUSTING DF285
: 75
Диаметр: 250
Высота: 34.5
Толщина диска: 20
Минимальная толщина: 18.5
TRUSTING DF291
: 64
Диаметр: 263.5
Высота: 46.5
Толщина диска: 24
Минимальная толщина: 22
TRUSTING DF831
Место установки: задний мост
: 48
Диаметр: 259
Высота: 50.2
Толщина диска: 10.1
Минимальная толщина: 8
Дополнительная информация: без колесного подшипника
TRW DF2571
Диаметр: 264
Высота: 47
: 114
Толщина диска: 24
Минимальная толщина: 22
TRW DF3117
Диаметр: 259
Высота: 50
: лакированный
Толщина диска: 10
Минимальная толщина: 8
Цвет: черный
VAICO V3240002
Диаметр: 264
Высота: 46.5
: 114.3
Толщина диска: 24
Минимальная толщина: 22
VALEO 186455
колесный диск: 5 отверстия
Место установки: передний мост
Высота: 46.5
Масса: 11.104
: 1
Толщина диска: 24
Минимальная толщина: 22
Внешний диаметр: 264
VALEO 186456
колесный диск: 5 отверстия
Место установки: задний мост
Высота: 58
Масса: 11.05
: 48
Толщина диска: 10.2
Минимальная толщина: 8
Внешний диаметр: 259
VEMA 98269
Место установки: Позиция оси 1
VEMA 98367
Место установки: Позиция оси 1
VILLAR 6281359
Диаметр: 258.5
Высота: 58
: 628.1359
Толщина диска: 10
Минимальная толщина: 8
VILLAR 6281363
Диаметр: 264
Высота: 46.5
: 100
Толщина диска: 24
Минимальная толщина: 22
WOKING D6111400
Место установки: задний мост
Диаметр: 259
Высота: 73.2
Масса: 5.9
: 57.91
Толщина диска: 10
Минимальная толщина: 8
WOKING D6111500
Место установки: задний мост
Диаметр: 258.7
Высота: 72
Масса: 5.5
: 63.9
Толщина диска: 10.1
Минимальная толщина: 8
WOKING D623710
Место установки: передний мост
: 64
Диаметр: 264
Высота: 46.5
Масса: 5.3
Толщина диска: 24
Минимальная толщина: 22
WOKING D638510
Место установки: передний мост
Диаметр: 242
Высота: 37.6
Масса: 4.05
: 75
Толщина диска: 20
Минимальная толщина: 18
ZIMMERMANN 370306200
Толщина: 24 мм
Высота: 46.5
Масса: 5.3
: 64
Минимальная толщина: 22
Внешний диаметр: 263.5
Двигатель
MAZDA 626 III купе (GD) 2.0
Код двигателя: FE (8V)

Категории

Кнопка связи