top
ACEMARK 214810
Место установки: со стороны колеса
Длина: 64.5
: With Outer Groove ty
ACEMARK 215165
Место установки: со стороны колеса
Длина: 60
: With Outer Groove ty
ASHIKA 6205563
Место установки: со стороны колеса
: GrooveType: OUTER
ASHUKI C72528
Место установки: задний мост
Масса: 2.498
Необходимое количество: 1
: 43
ASHUKI C72529
Место установки: задний мост
Масса: 2.498
Необходимое количество: 1
: 43
ASHUKI MI055I
Место установки: задний мост
Масса: 2.498
Необходимое количество: 1
: 43
ASHUKI MI2F0
Место установки: задний мост
Масса: 2.498
Необходимое количество: 1
: 43
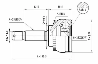
ASHUKI MI2S0I
Место установки: передний мост слева
Длина: 155
Масса: 0.001
Необходимое количество: 1
: Groove type Middle
ASHUKI MI705I
Место установки: задний мост
Масса: 2.498
Необходимое количество: 1
: 43
AUTEX 820357
Место установки: со стороны колеса
Длина: 155
: GrooveType:Outer
BLUE PRINT ADC48928
Место установки: задний мост
Масса: 2.498
Необходимое количество: 1
: 43
CAR GMB3310K
Место установки: со стороны колеса
: CIRCLIP POS: OUTER
Внешний диаметр: 85.7
CIFAM 607628
Место установки: со стороны колеса
: без нарезки / выемки во внутренней части
Материал: резина
Внешний диаметр: 85.7
COMLINE CMB45017E
Место установки: со стороны колеса
: 56
COMLINE CMB45021E
Место установки: со стороны колеса
: 43
COMLINE CMB45023E
Место установки: со стороны колеса
DENCKERMANN C120175
Место установки: со стороны колеса
: Groove Type: Outer
DYNAMATRIX DCV839022
Место установки: со стороны колеса
Длина: 159
: Outer
DYNAMATRIX DCV839070
Место установки: со стороны колеса
Длина: 155
: Outer
ERA Benelux CVN122460
Место установки: со стороны колеса
: 54
ERA Benelux CVN1254
Место установки: со стороны колеса
: 54
ERA Benelux CVN1272
Место установки: со стороны колеса
: 43
FARCOM 134942
Место установки: со стороны колеса
: без нарезки / выемки во внутренней части
FARCOM 134943
Место установки: со стороны колеса
: без нарезки / выемки во внутренней части
GSP 839022
Длина: 159
: GrooveType:Outer
GSP 851014
Место установки: со стороны колеса
Длина: 155
: GrooveType:Outer
IPD 312862
Место установки: со стороны колеса
: без нарезки / выемки во внутренней части
Внешний диаметр: 85.7
JAPANPARTS GI563
Место установки: со стороны колеса
: GrooveType: OUTER
JAPKO 62563
Место установки: со стороны колеса
: GrooveType: OUTER
KAVO PARTS CV5521
Место установки: со стороны колеса
Длина: 155
: 54
LYNXauto CO5524A
Место установки: со стороны колеса
Длина: 159
: Outer Groove
LYNXauto CO7801
Место установки: со стороны колеса
Длина: 159
: Outer Groove
MAPCO 16543
Место установки: передний мост
: Шарнир равных угловых скоростей
MAXGEAR 490348
Место установки: передний мост
METELLI 151628
Место установки: со стороны колеса
: без нарезки / выемки во внутренней части
Материал: резина
Внешний диаметр: 85.7
MEYLE 32144980000
Место установки: со стороны колеса
Длина: 159
: с кольцом ABS
NPS T281A39
Место установки: со стороны колеса
PATRON PCV1286
Место установки: со стороны колеса
Длина: 159
: Outer Groove
PATRON PCV1913
Место установки: со стороны коробки передач
Масса: 1.627
: 6
SERCORE 21404
Место установки: со стороны колеса
: Grupilla exterior
Внешний диаметр: 87.2
STELLOX 1501492SX
Место установки: со стороны колеса
: 54
URW 2106053
Место установки: со стороны колеса
Диаметр: 86
Длина: 160
: с нарезкой / выемкой во внутренней части
URW 2106055
Место установки: со стороны колеса
Диаметр: 86
Длина: 160
: с нарезкой / выемкой во внутренней части
VAICO V370087
Место установки: со стороны колеса
Длина: 159
: с кольцом ABS
Внешний диаметр: 84.5
Двигатель
MITSUBISHI CARISMA седан (DA_) 1.9 TD (DA4A)
Код двигателя: F8QT
MITSUBISHI CARISMA седан (DA_) 1.9 TD (DA4A) Код двигателя : F8QT
Объем двигателя(куб.см): 1870 ccm
Мощность двигателя(кВт/л.с.): 90 PS
MITSUBISHI CARISMA седан (DA_) 1.6 (DA1A) Код двигателя : 4G92 (SOHC 16V)
Объем двигателя(куб.см): 1597 ccm
Мощность двигателя(кВт/л.с.): 90 PS
MITSUBISHI CARISMA седан (DA_) 1.8 (DA2A) Код двигателя : 4G93 (SOHC 16V)
Объем двигателя(куб.см): 1834 ccm
Мощность двигателя(кВт/л.с.): 115 PS
MITSUBISHI CARISMA седан (DA_) 1.6 (DA1A) Код двигателя : 4G92 (SOHC 16V)
Объем двигателя(куб.см): 1597 ccm
Мощность двигателя(кВт/л.с.): 99 PS
MITSUBISHI CARISMA седан (DA_) 1.8 16V GDI (DA2A) Код двигателя : 4G93 (GDI)
Объем двигателя(куб.см): 1834 ccm
Мощность двигателя(кВт/л.с.): 125 PS
MITSUBISHI CARISMA седан (DA_) 2.0 16V GT EVO VI/VII Код двигателя : 4G63 Turbo
Объем двигателя(куб.см): 1997 ccm
Мощность двигателя(кВт/л.с.): 280 PS
MITSUBISHI CARISMA седан (DA_) 1.9 DI-D (DA5A) Код двигателя : F9Q1
Объем двигателя(куб.см): 1870 ccm
Мощность двигателя(кВт/л.с.): 102 PS
MITSUBISHI CARISMA седан (DA_) 1.9 DI-D Код двигателя : F9Q2
Объем двигателя(куб.см): 1870 ccm
Мощность двигателя(кВт/л.с.): 115 PS
MITSUBISHI CARISMA седан (DA_) 1.8 GDI (DA2A) Код двигателя : 4G93 (GDI)
Объем двигателя(куб.см): 1834 ccm
Мощность двигателя(кВт/л.с.): 122 PS
MITSUBISHI CARISMA седан (DA_) 1.6 (DA1A) Код двигателя : 4G92 (SOHC 16V)
Объем двигателя(куб.см): 1597 ccm
Мощность двигателя(кВт/л.с.): 95 PS
MITSUBISHI CARISMA седан (DA_) 1.6 (DA1A) Код двигателя : 4G92 (SOHC 16V)
Объем двигателя(куб.см): 1597 ccm
Мощность двигателя(кВт/л.с.): 103 PS
MITSUBISHI CARISMA седан (DA_) 1.3 16V Код двигателя : 4G13 (16V)
Объем двигателя(куб.см): 1299 ccm
Мощность двигателя(кВт/л.с.): 82 PS

Категории

Кнопка связи