top
ABE C45005ABE
Место установки: задний мост
Диаметр: 262
: 60
Толщина диска: 10
Минимальная толщина: 8.4
BOSCH 0986478655
BOSCH 0986479603
Диаметр: 262
: E1 90R-02C0241/0752
Толщина диска: 10
Минимальная толщина: 8.4
BOSCH 0986479R94
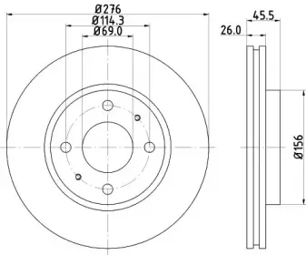
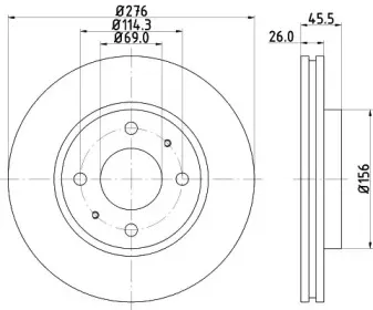
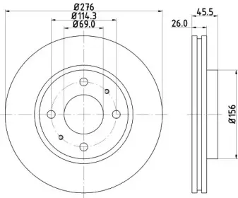
Диаметр: 275.9
Высота: 45.5
: 69
Толщина диска: 26
Минимальная толщина: 24.4
BREMBO 09A14841
Диаметр: 276
Высота: 45.5
: с покрытием
Толщина диска: 26
Минимальная толщина: 24.4
JURID 562820JC
Место установки: передний мост
Диаметр: 275.9
Высота: 45.7
: 114.3
Толщина диска: 26
Минимальная толщина: 24.4
REMSA 683800
Место установки: задний мост
: 90
Диаметр: 262
Высота: 60.1
Масса: 4.08
Толщина диска: 10
Минимальная толщина: 8.4
ZIMMERMANN 380216520
Толщина: 10 мм
Высота: 60
Масса: 4.14
: 90
Минимальная толщина: 8.4
Внешний диаметр: 262
ZIMMERMANN 380216852
№ ABE: KBA 60872
Толщина: 26 мм
Высота: 45.5
Масса: 6.1
: 69
Минимальная толщина: 24.4
Внешний диаметр: 276
A.B.S. 16472
колесный диск: 4 отверстия
Диаметр: 262
Высота: 60.1
Масса: 4.23
: 90
Толщина диска: 10
Минимальная толщина: 9
A.B.S. 17134
колесный диск: 4 отверстия
Диаметр: 276
Высота: 46
Масса: 6.17
: 69
Толщина диска: 26
Минимальная толщина: 24
A.B.S. 17432
колесный диск: 5 отверстия
Диаметр: 262
Высота: 60.5
Масса: 4.21
: 90
Толщина диска: 10
Минимальная толщина: 9
A.B.S. 17434
колесный диск: 5 отверстия
Диаметр: 275
Высота: 46
Масса: 6.21
: 69
Толщина диска: 26.4
Минимальная толщина: 24
ABE C35036ABE
Диаметр: 276
Высота: 45.5
: 114.3
Толщина диска: 26
Минимальная толщина: 24.4
ABE C45010ABE
Толщина: 10 мм
Диаметр: 262
Высота: 60
: 90
Толщина диска: 10
Минимальная толщина: 8.4
AP 14806
Диаметр: 262
Высота: 60
: 100
Толщина диска: 10
Минимальная толщина: 8.4
AP 14806V
Диаметр: 262
Высота: 60
: с покрытием
Толщина диска: 10
Минимальная толщина: 8.4
AP 25257
Диаметр: 276
Высота: 45.5
: 108
Толщина диска: 26
Минимальная толщина: 24.4
AP 25257V
Диаметр: 276
Высота: 45.5
: с покрытием
Толщина диска: 26
Минимальная толщина: 24.4
APEC braking DSK2045
: 4
Толщина диска: 10
Минимальная толщина: 8.4
мм: 262
APEC braking DSK2317
: 5
Толщина диска: 10
Минимальная толщина: 8.4
мм: 262
APEC braking DSK2856
: 5
Толщина диска: 26
Минимальная толщина: 24.5
мм: 276
ASHIKA 6005527
Место установки: передний мост
: 69
Диаметр: 275.6
Высота: 46
Толщина диска: 26
Минимальная толщина: 24
ASHIKA 6105510
Место установки: задний мост
Диаметр: 261.9
Высота: 60.4
: 90
Толщина диска: 10
Минимальная толщина: 8.4
ASHIKA 6105521
Место установки: задний мост
Диаметр: 261.7
Высота: 60.5
: 90
Толщина диска: 10
Минимальная толщина: 9
ASHUKI 09903205
колесный диск: 3 отверстия
Место установки: задний мост
Толщина: 60 мм
Масса: 4.32
Необходимое количество: 1
:
Толщина диска: 10
Минимальная толщина: 8.4
Внешний диаметр: 261
ASHUKI C65035
колесный диск: 4 отверстия
Место установки: передний мост
Толщина: 45.8 мм
Масса: 6.26
Необходимое количество: 1
:
Толщина диска: 26
Минимальная толщина: 24.5
Внешний диаметр: 276
ASHUKI C65313
колесный диск: 2 отверстия
Место установки: передний мост
Толщина: 45.5 мм
Масса: 6.2
Необходимое количество: 1
:
Толщина диска: 26
Минимальная толщина: 24.4
Внешний диаметр: 276
ASHUKI C65315
Диаметр: 276
Высота: 46
: E1 90R 02C0064/0390
Толщина диска: 26
Минимальная толщина: 24
ASHUKI C65602
колесный диск: 3 отверстия
Место установки: задний мост
Толщина: 60 мм
Масса: 4.35
Необходимое количество: 1
:
Толщина диска: 10
Минимальная толщина: 8.4
Внешний диаметр: 262
ATE 24011002401
Диаметр: 262
Высота: 60.1
:
Толщина диска: 10
Минимальная толщина: 8.4
ATE 24011007041
Диаметр: 262
Высота: 60.1
:
Толщина диска: 10
Минимальная толщина: 8.4
ATE 24012601311
Диаметр: 276
Высота: 45.5
:
Толщина диска: 26
Минимальная толщина: 24.4
ATE 24012601341
Диаметр: 276
Высота: 45.5
:
Толщина диска: 26
Минимальная толщина: 24.4
BLUE PRINT ADC443104
колесный диск: 5 отверстия
Место установки: передний мост
Толщина: 45.8 мм
Масса: 6.26
:
Толщина диска: 26
Минимальная толщина: 24.5
Внешний диаметр: 276
BLUE PRINT ADC44353
колесный диск: 4 отверстия
Место установки: задний мост
Толщина: 60 мм
Масса: 4.35
:
Толщина диска: 10
Минимальная толщина: 8.4
Внешний диаметр: 262
BLUE PRINT ADC44390
колесный диск: 4 отверстия
Место установки: передний мост
Толщина: 45.5 мм
Масса: 6.2
:
Толщина диска: 26
Минимальная толщина: 24.4
Внешний диаметр: 276
BLUE PRINT ADC44396
колесный диск: 5 отверстия
Место установки: задний мост
Толщина: 60 мм
Масса: 4.32
:
Толщина диска: 10
Минимальная толщина: 8.4
Внешний диаметр: 261
BORG & BECK BBD4196
Диаметр: 262
: 10
Минимальная толщина: 8.5
BORG & BECK BBD4356
Диаметр: 276
: 24
Минимальная толщина: 22
BORG & BECK BBD4552
Диаметр: 276
: 26
Минимальная толщина: 24.4
BORG & BECK BBD4622
Диаметр: 276
: 26
Минимальная толщина: 24.5
BORG & BECK BBD4644
Диаметр: 262
: 10
Минимальная толщина: 8.4
BOSCH 0986479471
Диаметр: 276
: E1 90R-02C0074/0065
Толщина диска: 26
Минимальная толщина: 24.4
BOSCH 0986479604
Диаметр: 276
: E1 90R-02C0074/0073
Толщина диска: 26
Минимальная толщина: 24.4
BOSCH 0986479S00
Диаметр: 276
Высота: 45.5
: 69
Толщина диска: 26
Минимальная толщина: 24.4
BRECO BS7605
Диаметр: 262
Высота: 60
: 100
Толщина диска: 10
Минимальная толщина: 8.4
BRECO BS8867
Диаметр: 276
Высота: 45.5
: 108
Толщина диска: 26
Минимальная толщина: 24.4
BRECO BV7605
Диаметр: 262
Высота: 60
: с покрытием
Толщина диска: 10
Минимальная толщина: 8.4
BRECO BV8867
Диаметр: 276
Высота: 45.5
: с покрытием
Толщина диска: 26
Минимальная толщина: 24.4
BREMBO 08831610
Диаметр: 262
Высота: 60
: 100
Толщина диска: 10
Минимальная толщина: 8.4
BREMBO 08831611
Диаметр: 262
Высота: 60
: с покрытием
Толщина диска: 10
Минимальная толщина: 8.4
BREMBO 09A14840
Диаметр: 276
Высота: 45.5
: 108
Толщина диска: 26
Минимальная толщина: 24.4
CAR 1421005
Диаметр: 262
Высота: 60
Масса: 4.16
: 142.1005
Толщина диска: 10
Минимальная толщина: 8.4
CAR 1421247
Диаметр: 276
Высота: 45.5
Масса: 6.08
: 142.1247
Толщина диска: 26
Минимальная толщина: 24.4
CAR 1421651
Диаметр: 262
Высота: 60.1
Масса: 4.21
: 142.1651
Толщина диска: 10
Минимальная толщина: 8.4
CAR HPD1005
Диаметр: 262
Высота: 60
Масса: 4.16
: HPD 1005
Толщина диска: 10
Минимальная толщина: 8.4
CIFAM 8001579
Место установки: передний мост
: 69
Диаметр: 275.9
Высота: 45.5
Толщина диска: 26
Минимальная толщина: 24.4
CIFAM 800651
: 90
Диаметр: 262
Высота: 60.2
Толщина диска: 10
Минимальная толщина: 8.4
COMLINE ADC0330
Место установки: задний мост
Высота: 61.6
: 114.3
Толщина диска: 10
Минимальная толщина: 8.4
Внешний диаметр: 262
COMLINE ADC0364V
Место установки: передний мост
Высота: 45
: 114.3
Толщина диска: 26
Минимальная толщина: 24
Внешний диаметр: 276
COMLINE ADC0371
Место установки: задний мост
Высота: 60.1
: 114.3
Толщина диска: 10
Минимальная толщина: 8.4
Внешний диаметр: 262
COMLINE ADC0383V
Место установки: передний мост
Высота: 45.5
: 114.3
Толщина диска: 26
Минимальная толщина: 24.4
Внешний диаметр: 276
COMLINE AND6468
Место установки: задний мост
Высота: 61.6
: с покрытием
Толщина диска: 10
Минимальная толщина: 8.4
Внешний диаметр: 262
COMLINE AND6538
Место установки: передний мост
Высота: 45
: с покрытием
Толщина диска: 26
Минимальная толщина: 24
Внешний диаметр: 276
COMLINE AND6757
Место установки: задний мост
Высота: 60.1
: с покрытием
Толщина диска: 10
Минимальная толщина: 8.4
Внешний диаметр: 262
COMLINE AND6816
Место установки: передний мост
Высота: 45.5
: с покрытием
Толщина диска: 26
Минимальная толщина: 24.4
Внешний диаметр: 276
DELPHI BG3400
Диаметр: 262
: 59
Толщина диска: 10
Минимальная толщина: 8.4
DELPHI BG3400C
Диаметр: 262
: 59
Толщина диска: 10
Минимальная толщина: 8.4
DELPHI BG3810
Диаметр: 275.8
: 45.1
Толщина диска: 25
Минимальная толщина: 22.4
DELPHI BG4030
Диаметр: 330
: 63
Толщина диска: 22
Минимальная толщина: 19.4
DELPHI BG4037
Диаметр: 262
: 60
Толщина диска: 10
Минимальная толщина: 8.4
DELPHI BG4068
Диаметр: 276
: 45.5
Толщина диска: 26
Минимальная толщина: 24.4
DELPHI BG4147
Диаметр: 276
: 45.6
Толщина диска: 26
Минимальная толщина: 24.4
DENCKERMANN B130151
Место установки: задний мост
Диаметр: 262
Высота: 60.1
: 114.3
Толщина диска: 10
Минимальная толщина: 8.4
DENCKERMANN B130574
Место установки: передний мост
Диаметр: 276
Высота: 45.5
: 114.3
Толщина диска: 26
Минимальная толщина: 24.4
DENCKERMANN B130575
Место установки: задний мост
Диаметр: 262
Высота: 60.1
: 114.3
Толщина диска: 10
Минимальная толщина: 8.4
DYNAMATRIX DBD1141
Место установки: задний мост
Диаметр: 262
Высота: 60
Масса: 8.44
: 90
Толщина диска: 10
Минимальная толщина: 8.4
Дополнительная информация: без винтов
DYNAMATRIX DBD1410
Место установки: задний мост
Диаметр: 262
Высота: 60.2
Масса: 8.63
: 90
Толщина диска: 9.5
Минимальная толщина: 8.4
Дополнительная информация: без винтов
DYNAMATRIX DBD1599
Место установки: передний мост
Диаметр: 276
Высота: 47.5
Масса: 12.3
: 69
Толщина диска: 26
Минимальная толщина: 24.4
Дополнительная информация: без винтов
DYNAMATRIX DBD1845
Место установки: передний мост
Диаметр: 276
Высота: 46
Масса: 12.56
: 69
Толщина диска: 26
Минимальная толщина: 24
Дополнительная информация: без винтов
E.T.F. 192762
Диаметр: 262
Высота: 60.1
: 19-2762
Толщина диска: 10
Минимальная толщина: 8.4
E.T.F. 192928
Диаметр: 276
Высота: 45.5
: 19-2928
Толщина диска: 26
Минимальная толщина: 24.4
FARCOM 230405
Место установки: задний мост
Диаметр: 262
Высота: 60.2
: лакированный
Толщина диска: 10
Минимальная толщина: 8.4
FARCOM 230628
Место установки: передний мост
Диаметр: 275.9
Высота: 45.7
: лакированный
Толщина диска: 26
Минимальная толщина: 24.4
FARCOM 230952
Место установки: задний мост
Диаметр: 262
Высота: 60.2
: 90
Толщина диска: 10
Минимальная толщина: 8.4
FARCOM 231074
Место установки: передний мост
Диаметр: 275.9
Высота: 45.7
: 69
Толщина диска: 26
Минимальная толщина: 24.4
FEBI BILSTEIN 28441
колесный диск: 4 отверстия
Место установки: передний мост
Масса: 6.18
Необходимое количество: 2
: 114.3
Толщина диска: 26
Минимальная толщина: 24.4
Материал: сталь
Внешний диаметр: 275.9
FENOX TB218047
Место установки: задний мост
Диаметр: 262
Высота: 60.4
: 114.3
Толщина диска: 10
Минимальная толщина: 8.4
FENOX TB219266
Место установки: передний мост
Диаметр: 276
Высота: 45.75
: 114.3
Толщина диска: 26
FERODO DDF1141
Место установки: задний мост
Диаметр: 262
Высота: 60
Масса: 8.44
: комплект
Толщина диска: 10
Минимальная толщина: 8.4
Дополнительная информация: без винтов
FERODO DDF1410
Место установки: задний мост
Диаметр: 262
Высота: 60.2
Масса: 8.63
: комплект
Толщина диска: 9.5
Минимальная толщина: 8.4
Дополнительная информация: без винтов
FERODO DDF1410C
Место установки: задний мост
Диаметр: 262
Высота: 60.2
Масса: 4.32
: комплект
Толщина диска: 9.5
Минимальная толщина: 8.4
FERODO DDF1599
Место установки: передний мост
Диаметр: 276
Высота: 47.5
Масса: 12.3
: комплект
Толщина диска: 26
Минимальная толщина: 24.4
Дополнительная информация: без винтов
FERODO DDF1599C
Место установки: передний мост
Диаметр: 276
Высота: 47.5
Масса: 6.15
: Штука
Толщина диска: 26
Минимальная толщина: 24.4
FERODO DDF1845
Место установки: передний мост
Диаметр: 276
Высота: 46
Масса: 12.56
: комплект
Толщина диска: 26
Минимальная толщина: 24
Дополнительная информация: без винтов
FREMAX BD4638
Место установки: задний мост
Диаметр: 262
: 114.3
Толщина диска: 10
FREMAX BD5399
колесный диск: 5 отверстия
Место установки: передний мост
Диаметр: 276
Высота: 45.8
: 69
Толщина диска: 26
Минимальная толщина: 24.4
FREMAX BD6070
колесный диск: 4 отверстия
Место установки: передний мост
Диаметр: 276
Высота: 45.5
: 69
Толщина диска: 26
Минимальная толщина: 24
FREMAX BD8326
колесный диск: 5 отверстия
Место установки: задний мост
Диаметр: 262
Высота: 60.5
: 90
Толщина диска: 10
Минимальная толщина: 9
fri.tech. BD0691
: 90
Диаметр: 262
Высота: 60.2
Толщина диска: 10
Минимальная толщина: 8.4
fri.tech. BD0989
Место установки: передний мост
: 69
Диаметр: 275.9
Высота: 45.5
Толщина диска: 26
Минимальная толщина: 24.4
FTE BS4589
Диаметр: 262
Высота: 61.6
: 114.3
Толщина диска: 10
Минимальная толщина: 8.4
FTE BS5377
Диаметр: 276
Высота: 46.3
: 114.3
Толщина диска: 26
Минимальная толщина: 24.4
GIRLING 6041934
Диаметр: 262
Высота: 60.1
: лакированный
Толщина диска: 10
Минимальная толщина: 8.4
Цвет: черный
GIRLING 6048091
Диаметр: 276
Высота: 45.5
: лакированный
Толщина диска: 26
Минимальная толщина: 24.4
Цвет: черный
HELLA 8DD355107331
Диаметр: 262
Высота: 60.1
Масса: 4.1
: 50304
Толщина диска: 10
Минимальная толщина: 8.4
Дополнительная информация: без ступицы
HELLA 8DD355111721
Диаметр: 262
Высота: 60.3
Масса: 4.2
: 54361
Толщина диска: 10
Минимальная толщина: 8.4
Дополнительная информация: без ступицы
HELLA 8DD355112951
Диаметр: 276
Высота: 45.5
Масса: 6
: 54487
Толщина диска: 26
Минимальная толщина: 24.4
Дополнительная информация: без ступицы
HELLA 8DD355116311
Диаметр: 276
Высота: 45.5
Масса: 6.2
: 54982PRO
Толщина диска: 26
Минимальная толщина: 24.4
Дополнительная информация: без ступицы
HELLA 8DD355118661
Диаметр: 262
Высота: 60.3
Масса: 4.2
: 54361PRO
Толщина диска: 10
Минимальная толщина: 8.4
Дополнительная информация: без ступицы
HERTH+BUSS JAKOPARTS J3305065
Диаметр: 276
Высота: 46
: E1 90R 02C0064/0390
Толщина диска: 26
Минимальная толщина: 24
HERTH+BUSS JAKOPARTS J3305068
Диаметр: 276
Высота: 45.7
: E1 90R 02C0064/0389
Толщина диска: 26
Минимальная толщина: 24
HERTH+BUSS JAKOPARTS J3315010
Диаметр: 262
Высота: 60.2
: E1 90R-02C0122/0271
Толщина диска: 10
Минимальная толщина: 8.4
HERTH+BUSS JAKOPARTS J3315023
Диаметр: 262
Высота: 60.2
: E1 90R-02C0122/0273
Толщина диска: 10
Минимальная толщина: 8.4
ICER 78BD60702
Исп. моста: Front
Толщина: 26 мм
Диаметр: 276
Высота: 45.4
Масса: 12.79
: 78BD6070-2
Минимальная толщина: 24
ICER 78BD83262
Исп. моста: Rear
Толщина: 10 мм
Диаметр: 262
Высота: 60.1
Масса: 8.71
: 78BD8326-2
Минимальная толщина: 8.4
IPS Parts IBP1510
Место установки: задний мост
Диаметр: 260
Высота: 59
: 90
Толщина диска: 10
JAPANPARTS DI527
Место установки: передний мост
: 69
Диаметр: 275.6
Высота: 46
Толщина диска: 26
Минимальная толщина: 24
JAPANPARTS DP510
Место установки: задний мост
Диаметр: 261.9
Высота: 60.4
: 90
Толщина диска: 10
Минимальная толщина: 8.4
JAPANPARTS DP521
Место установки: задний мост
Диаметр: 261.7
Высота: 60.5
: 90
Толщина диска: 10
Минимальная толщина: 9
JAPKO 60527
Место установки: передний мост
: 69
Диаметр: 275.6
Высота: 46
Толщина диска: 26
Минимальная толщина: 24
JAPKO 61510
Место установки: задний мост
Диаметр: 261.9
Высота: 60.4
: 90
Толщина диска: 10
Минимальная толщина: 8.4
JAPKO 61521
Место установки: задний мост
Диаметр: 261.7
Высота: 60.5
: 90
Толщина диска: 10
Минимальная толщина: 9
JP GROUP 3963101509
Место установки: передний мост
Диаметр: 276
: 6/4
Толщина диска: 26
JP GROUP 3963200109
Место установки: задний мост
Диаметр: 262
: 7/4
Толщина диска: 10
JP GROUP 3963201209
Место установки: задний мост
Диаметр: 262
: 8/5
Толщина диска: 10
JURID 562018JC
Место установки: задний мост
Диаметр: 262
Высота: 60
Масса: 8.44
: 0
Толщина диска: 10
Минимальная толщина: 8.4
Дополнительная информация: без винтов
JURID 562573JC
Место установки: передний мост
Диаметр: 276
Высота: 45.5
: JC
Толщина диска: 26
Минимальная толщина: 24.4
JURID 562781JC
Место установки: задний мост
Диаметр: 262
Высота: 60.2
Масса: 8.63
: 114.3
Толщина диска: 9.5
Минимальная толщина: 8.4
Дополнительная информация: без винтов
KAISHIN CBR247
Место установки: задний мост
Диаметр: 262
: 262x90x4
KAISHIN CBR318
Место установки: задний мост
Диаметр: 262
Высота: 60.5
: 261,7x90x5
KAMOKA 1031015
Диаметр: 276
Высота: 45.5
: 114.3
Толщина диска: 26
Минимальная толщина: 24.4
KAMOKA 1032282
Диаметр: 262
Высота: 60.1
: 114.3
Толщина диска: 10
Минимальная толщина: 8.4
KAMOKA 1032820
Диаметр: 262
Высота: 60.1
: 114.3
Толщина диска: 10
Минимальная толщина: 8.4
KAMOKA 1033198
Диаметр: 276
Высота: 45.5
: 114.3
Толщина диска: 26
Минимальная толщина: 24.4
KAVO PARTS BR3230C
Диаметр: 262
Высота: 60
: 171
Толщина диска: 10
KAVO PARTS BR5773
Диаметр: 276
Высота: 45.5
: 156
Толщина диска: 26
KAVO PARTS BR5773C
Диаметр: 276
Высота: 45.5
: 156
Толщина диска: 26
KAWE 6122910
Место установки: передний мост
Диаметр: 275.9
Высота: 45.7
Масса: 6.24
: 69
Толщина диска: 26
Минимальная толщина: 24.4
KAWE 683800
Место установки: задний мост
: 90
Диаметр: 262
Высота: 60.1
Масса: 4.08
Толщина диска: 10
Минимальная толщина: 8.4
KAWE 689010
Место установки: передний мост
Диаметр: 275.9
Высота: 45.5
Масса: 6.01
: 69
Толщина диска: 26
Минимальная толщина: 24.4
KAWE 690300
Место установки: задний мост
: 90.2
Диаметр: 262
Высота: 60.1
Масса: 4
Толщина диска: 10
Минимальная толщина: 8.4
LPR M1005V
Диаметр: 275.6
Высота: 46
: M1005V
Толщина диска: 26
Минимальная толщина: 24
LPR M1008V
Диаметр: 276
Высота: 45.6
: M1008V
Толщина диска: 26
Минимальная толщина: 24
LPR M1011P
Диаметр: 262
Высота: 60.5
: M1011P
Толщина диска: 10
Минимальная толщина: 8.4
LPR M1617P
Диаметр: 262
Высота: 60
: M1617P
Толщина диска: 10
Минимальная толщина: 8.4
LYNXauto BN1048
Место установки: задний мост
Диаметр: 262
Высота: 60
: 114.3
Толщина диска: 10
Минимальная толщина: 8.4
LYNXauto BN1092
Место установки: передний мост
Диаметр: 276
Высота: 45.5
: 114.3
Толщина диска: 26
Минимальная толщина: 24.4
LYNXauto BN1097
Место установки: передний мост
Диаметр: 276
Высота: 45.5
: 114.3
Толщина диска: 26
Минимальная толщина: 24.4
LYNXauto BN1373
Место установки: задний мост
Диаметр: 262
Высота: 60
: 114.3
Толщина диска: 10
Минимальная толщина: 8.4
MAGNETI MARELLI 360406126300
Диаметр: 276
Высота: 45.5
Толщина диска: 26
Минимальная толщина: 24.4
: без покрытия
MAPCO 15253
Место установки: задний мост
Качество: Kreuzschliff
Диаметр: 262
Высота: 60.2
: 90
Толщина диска: 10
MAPCO 25221
Место установки: передний мост
Качество: Kreuzschliff
Диаметр: 276
Высота: 45.5
: 114.3
Толщина диска: 26
MAPCO 25545
Место установки: передний мост
Качество: Kreuzschliff
Диаметр: 276
Масса: 2.4
: 4
Толщина диска: 24
Минимальная толщина: 22.4
MASTER-SPORT 24011007041PCSMS
Место установки: задний мост
Диаметр: 262
Высота: 60.1
: Штука
Толщина диска: 10
Минимальная толщина: 8.4
MASTER-SPORT 24011007041SETMS
Место установки: задний мост
Диаметр: 262
Высота: 60.1
: комплект
Толщина диска: 10
Минимальная толщина: 8.4
MASTER-SPORT 24012601311PCSMS
Место установки: передний мост
Диаметр: 276
Высота: 45.5
: Штука
Толщина диска: 26
Минимальная толщина: 24.4
MASTER-SPORT 24012601311SETMS
Место установки: передний мост
Диаметр: 276
Высота: 45.5
: комплект
Толщина диска: 26
Минимальная толщина: 24.4
MAXGEAR 191269
Место установки: передний мост
Диаметр: 276
Высота: 45.5
Масса: 6.1
: 114.3
Толщина диска: 26
Минимальная толщина: 24.4
Дополнительная информация: без ступицы
MAXGEAR 191269SPORT
Место установки: передний мост
Диаметр: 276
Высота: 45.5
Масса: 6
: 10
Толщина диска: 26
Минимальная толщина: 24.4
Дополнительная информация: без ступицы
MAXGEAR 191948
Место установки: задний мост
Высота: 60.1
: 114.3
Толщина диска: 10
Минимальная толщина: 8.4
Внешний диаметр: 262
подходящий для термостата с температурой открытия: 12.5 °С
MAXGEAR 191948SPORT
Место установки: задний мост
Диаметр: 262
Высота: 60.1
Масса: 4.08
: с покрытием
Толщина диска: 10
Минимальная толщина: 8.4
Дополнительная информация: без ступицы
MAXGEAR 192388
колесный диск: 5 отверстия
Место установки: передний мост
Толщина: 45.8 мм
Масса: 6.26
Необходимое количество: 1
:
Толщина диска: 26
Минимальная толщина: 24.5
Внешний диаметр: 276
MAXGEAR 192388SPORT
колесный диск: 5 отверстия
Место установки: передний мост
Толщина: 45.8 мм
Масса: 6.26
Необходимое количество: 1
:
Толщина диска: 26
Минимальная толщина: 24.5
Внешний диаметр: 276
MAXGEAR 192557
Место установки: задний мост
Диаметр: 262
Высота: 61.6
Масса: 4.1
: 15
Толщина диска: 10
Минимальная толщина: 8.4
Дополнительная информация: без ступицы
MAXGEAR 192557SPORT
Место установки: задний мост
Диаметр: 262
Высота: 61.6
Масса: 4.1
: 15
Толщина диска: 10
Минимальная толщина: 8.4
Дополнительная информация: без ступицы
METELLI 230651
: 90
Диаметр: 262
Высота: 60.2
Толщина диска: 10
Минимальная толщина: 8.4
METELLI 231579
Место установки: передний мост
: 69
Диаметр: 275.9
Высота: 45.5
Толщина диска: 26
Минимальная толщина: 24.4
METZGER 6110221
вар. оснащения: beschichtet
Диаметр: 262
Высота: 60.1
: 100
Толщина диска: 10
Минимальная толщина: 8.4
MEYLE 32155210023
Место установки: передний мост
Высота: 45.5
Необходимое количество: 2
: 114.3
Толщина диска: 26
Минимальная толщина: 24.4
Внешний диаметр: 276
подходящий для термостата с температурой открытия: 12.6 °С
MEYLE 32155230004PD
Место установки: задний мост
Высота: 60.1
Необходимое количество: 2
: не хромированное (Cr VI) покрытие
Толщина диска: 10
Минимальная толщина: 8.4
Внешний диаметр: 262
подходящий для термостата с температурой открытия: 12.5 °С
MEYLE 32155230010
Место установки: задний мост
Высота: 60
Необходимое количество: 2
: 114.3
Толщина диска: 10
Минимальная толщина: 8.4
Внешний диаметр: 262
подходящий для термостата с температурой открытия: 12.6 °С
MEYLE 32155230016
Место установки: задний мост
Высота: 60.1
Необходимое количество: 2
: 114.3
Толщина диска: 10
Минимальная толщина: 8.4
Внешний диаметр: 262
подходящий для термостата с температурой открытия: 12.5 °С
MEYLE 32155230016PD
Место установки: задний мост
Высота: 60.1
Необходимое количество: 2
: оцинкованная
Толщина диска: 10
Минимальная толщина: 8.4
Внешний диаметр: 262
подходящий для термостата с температурой открытия: 12.5 °С
MINTEX MDC2119
Диаметр: 276
Высота: 45.5
Масса: 6.2
: 10
Толщина диска: 26
Минимальная толщина: 24.4
Дополнительная информация: без ступицы
MINTEX MDC2306
Диаметр: 276
Высота: 45.5
Масса: 6
: 10
Толщина диска: 26
Минимальная толщина: 24.4
Дополнительная информация: без ступицы
MINTEX MDC2307
Диаметр: 262
Высота: 60.3
Масса: 4.2
: 15
Толщина диска: 10
Минимальная толщина: 8.4
Дополнительная информация: без ступицы
MINTEX MDC951
Диаметр: 262
Высота: 60.1
Масса: 4.1
: 15
Толщина диска: 10
Минимальная толщина: 8.4
Дополнительная информация: без ступицы
MOTAQUIP LVBD1046Z
Диаметр: 262
Высота: 61
: 90
Толщина диска: 10
Минимальная толщина: 8
MOTAQUIP LVBD1089Z
Диаметр: 275
Высота: 45
: 69
Толщина диска: 24
Минимальная толщина: 22.4
NATIONAL NBD1556
Место установки: передний мост
Диаметр: 276
Высота: 45.5
: 114.3
Толщина диска: 26
Минимальная толщина: 24.4
NATIONAL NBD1817
Место установки: передний мост
Диаметр: 276
Высота: 45.6
: 5
Толщина диска: 25
Минимальная толщина: 24
NATIONAL NBD681
Место установки: задний мост
Диаметр: 262
Высота: 59
: 4
Толщина диска: 10
Минимальная толщина: 8.4
NIPPARTS J3305026
Диаметр: 276
Высота: 45.3
: 156
Толщина диска: 24
Минимальная толщина: 22.4
NIPPARTS J3315010
Диаметр: 262
Высота: 60.1
: 182
Толщина диска: 10
Минимальная толщина: 8.4
NIPPARTS N3305071
Диаметр: 276
: 69
Толщина диска: 26
Минимальная толщина: 24
NK 203024
колесный диск: 4 отверстия
Диаметр: 262
Высота: 61.6
Масса: 4.08
: 90
Толщина диска: 10
Минимальная толщина: 8.4
NK 203052
колесный диск: 4 отверстия
Диаметр: 276
Высота: 46.3
Масса: 6
: 68.7
Толщина диска: 26
Минимальная толщина: 24.4
NK 313052
колесный диск: 4 отверстия
Диаметр: 276
Высота: 46.3
Масса: 6
: с покрытием
Толщина диска: 26
Минимальная толщина: 24.4
NPS M330I50
Место установки: передний мост
Высота: 45.5
Толщина диска: 26
: 2
Внешний диаметр: 275.9
NPS M330I79
Высота: 46
Толщина диска: 26
: 5
Внешний диаметр: 276
NPS M331I18
Место установки: задний мост
Высота: 60.1
Толщина диска: 10
: 2
Внешний диаметр: 262
NPS M331I19
Место установки: задний мост
Высота: 60.2
Толщина диска: 10
: 2
Внешний диаметр: 262
OPEN PARTS BDA189510
Диаметр: 262
Высота: 60.2
: 90
Толщина диска: 10
Минимальная толщина: 8.4
OPEN PARTS BDA223720
Диаметр: 275.9
Высота: 45.7
: 69
Толщина диска: 26
Минимальная толщина: 24.4
OPEN PARTS BDR189510
Диаметр: 262
Высота: 60.2
: лакированный
Толщина диска: 10
Минимальная толщина: 8.4
OPEN PARTS BDR223720
Диаметр: 275.9
Высота: 45.7
: лакированный
Толщина диска: 26
Минимальная толщина: 24.4
OPTIMAL BS7090
Место установки: задний мост
Диаметр: 262
Высота: 60.2
: 90
Толщина диска: 10
Минимальная толщина: 8.4
OPTIMAL BS8474
Место установки: передний мост
Диаметр: 276
Высота: 45.7
: 69
Толщина диска: 26
Минимальная толщина: 24
OPTIMAL BS8600
Место установки: передний мост
Диаметр: 276
Высота: 45.5
: 69
Толщина диска: 26
OPTIMAL BS8602
Место установки: задний мост
Диаметр: 262
Высота: 60.1
: 90.2
Толщина диска: 10
PATRON PBD4193
Диаметр: 262
Высота: 60.1
: лакированный
Толщина диска: 10
Минимальная толщина: 8.4
Цвет: черный
PATRON PBD4495
Диаметр: 276
Высота: 45.6
: 69
Толщина диска: 26
Минимальная толщина: 24
PATRON PBD4809
Диаметр: 276
Высота: 45.5
: лакированный
Толщина диска: 26
Минимальная толщина: 24.4
Цвет: черный
PILENGA 5607
Место установки: задний мост
Диаметр: 262
Высота: 60.1
: 3
Толщина диска: 10
Минимальная толщина: 8.4
PILENGA V634
Место установки: задний мост
Диаметр: 266
Высота: 60.3
: 3
Толщина диска: 18
Минимальная толщина: 16.4
PILENGA V635
Место установки: передний мост
Диаметр: 276
Высота: 45.6
: 2
Толщина диска: 26
Минимальная толщина: 24
PROTECHNIC PRD2590
Диаметр: 276
Высота: 45.5
: 69
Толщина диска: 26
Минимальная толщина: 24.4
PROTECHNIC PRD3027
Диаметр: 275
Высота: 46
: 69
Толщина диска: 26.4
Минимальная толщина: 24
QUINTON HAZELL BDC4589
Диаметр: 262
Высота: 60
: 90
Толщина диска: 10
Минимальная толщина: 8.4
QUINTON HAZELL BDC5160
Диаметр: 276
Высота: 45
: 69
Толщина диска: 24
Минимальная толщина: 22.4
REMSA 6122910
Место установки: передний мост
Диаметр: 275.9
Высота: 45.7
Масса: 6.24
: 69
Толщина диска: 26
Минимальная толщина: 24.4
REMSA 689010
Место установки: передний мост
Диаметр: 275.9
Высота: 45.5
Масса: 6.01
: 69
Толщина диска: 26
Минимальная толщина: 24.4
REMSA 690300
Место установки: задний мост
: 90.2
Диаметр: 262
Высота: 60.1
Масса: 4
Толщина диска: 10
Минимальная толщина: 8.4
ROADHOUSE 6122910
Место установки: передний мост
Диаметр: 275.9
Высота: 45.7
Масса: 6.24
: 69
Толщина диска: 26
Минимальная толщина: 24.4
ROADHOUSE 683800
Место установки: задний мост
: 90
Диаметр: 262
Высота: 60.1
Масса: 4.08
Толщина диска: 10
Минимальная толщина: 8.4
ROADHOUSE 689010
Место установки: передний мост
Диаметр: 275.9
Высота: 45.5
Масса: 6.01
: 69
Толщина диска: 26
Минимальная толщина: 24.4
ROADHOUSE 690300
Место установки: задний мост
: 90.2
Диаметр: 262
Высота: 60.1
Масса: 4
Толщина диска: 10
Минимальная толщина: 8.4
SAKURA 604504315
Место установки: передний мост
Высота: 45.5
Толщина диска: 26
: 69
дюймы: S6044315
SAKURA 605504230
Место установки: задний мост
Высота: 60.1
Толщина диска: 10
: 90
дюймы: S6054230
SAKURA 605504272
Место установки: задний мост
Высота: 60.1
Толщина диска: 10
: 90
дюймы: S6054272
sbs 1815203024
колесный диск: 4 отверстия
Диаметр: 262
Высота: 61.6
Масса: 4.08
: 90
Толщина диска: 10
Минимальная толщина: 8.4
sbs 1815203052
колесный диск: 4 отверстия
Диаметр: 276
Высота: 46.3
Масса: 6
: 68.7
Толщина диска: 26
Минимальная толщина: 24.4
sbs 1815313024
колесный диск: 4 отверстия
Диаметр: 262
Высота: 61.6
: с покрытием
Толщина диска: 10
Минимальная толщина: 8.4
sbs 1815313052
колесный диск: 4 отверстия
Диаметр: 276
Высота: 46.3
Масса: 6
: с покрытием
Толщина диска: 26
Минимальная толщина: 24.4
SCT Germany SD26131
Место установки: передний мост
Диаметр: 276
Высота: 45.5
: 114.3
Толщина диска: 26
Минимальная толщина: 24.4
STELLOX 60201073VSX
Место установки: передний мост
Диаметр: 276
: 12.5
Толщина диска: 26
Минимальная толщина: 24.4
STELLOX 60201078VSX
Место установки: передний мост
Диаметр: 276
: 12.5
Толщина диска: 26
Минимальная толщина: 24.4
STELLOX 60203024SX
Место установки: задний мост
Диаметр: 262
Высота: 60.1
: 114.3
Толщина диска: 10
Минимальная толщина: 8.4
SWAG 80928441
колесный диск: 4 отверстия
Место установки: передний мост
Масса: 6.18
Необходимое количество: 2
: 114.3
Толщина диска: 26
Минимальная толщина: 24.4
Материал: сталь
Внешний диаметр: 275.9
TEXTAR 92104000
Диаметр: 262
Высота: 60.1
Масса: 4.1
: 15
Толщина диска: 10
Минимальная толщина: 8.4
Дополнительная информация: без ступицы
TEXTAR 92136103
Диаметр: 262
Высота: 60.3
Масса: 4.2
: 15
Толщина диска: 10
Минимальная толщина: 8.4
Дополнительная информация: без ступицы
TEXTAR 92148700
Диаметр: 276
Высота: 45.5
Масса: 6
: 98200 1487 0 1
Толщина диска: 26
Минимальная толщина: 24.4
Дополнительная информация: без ступицы
TEXTAR 92148703
Диаметр: 276
Высота: 45.5
Масса: 6
: 10
Толщина диска: 26
Минимальная толщина: 24.4
Дополнительная информация: без ступицы
TEXTAR 92198203
Диаметр: 276
Высота: 45.5
Масса: 6.2
: 10
Толщина диска: 26
Минимальная толщина: 24.4
Дополнительная информация: без ступицы
TRISCAN 812042122
Диаметр: 262
Высота: 61.6
: 90
Толщина диска: 10
Минимальная толщина: 8.4
TRISCAN 812042134C
Диаметр: 276
Высота: 45.5
: 114.3
Толщина диска: 26.4
Минимальная толщина: 24.4
TRUSTING DF691
: 90
Диаметр: 262
Высота: 60.2
Толщина диска: 10
Минимальная толщина: 8.4
TRUSTING DF989
Место установки: передний мост
: 69
Диаметр: 275.9
Высота: 45.5
Толщина диска: 26
Минимальная толщина: 24.4
TRW DF4193
Диаметр: 262
Высота: 60.1
: лакированный
Толщина диска: 10
Минимальная толщина: 8.4
Цвет: черный
TRW DF4809
Диаметр: 276
Высота: 45.5
: лакированный
Толщина диска: 26
Минимальная толщина: 24.4
Цвет: черный
VALEO 197255
колесный диск: 4 отверстия
Место установки: передний мост
Высота: 45.5
Масса: 12
: 2
Толщина диска: 26
Минимальная толщина: 24.4
Внешний диаметр: 275.9
VALEO 197258
колесный диск: 4 отверстия
Место установки: задний мост
Высота: 60.2
Масса: 8.16
: 2
Толщина диска: 10
Минимальная толщина: 8.4
Внешний диаметр: 262
VALEO 297255
колесный диск: 4 отверстия
Место установки: передний мост
Высота: 45.5
Масса: 6.4
: 2
Толщина диска: 26
Минимальная толщина: 24.4
Внешний диаметр: 275.9
VALEO 297258
колесный диск: 4 отверстия
Место установки: задний мост
Высота: 60.2
Масса: 4.5
: 2
Толщина диска: 10
Минимальная толщина: 8.4
Внешний диаметр: 262
VALEO 297611
колесный диск: 5 отверстия
Место установки: задний мост
Высота: 60.1
Масса: 4.4
: 2
Толщина диска: 10
Минимальная толщина: 8.4
Внешний диаметр: 262
VEMA 98419
Место установки: Позиция оси 1
VEMA 98687
Место установки: Позиция оси 1
VILLAR 6281174
Диаметр: 262
Высота: 60
: 100
Толщина диска: 10
Минимальная толщина: 8.4
VILLAR 6282507
Диаметр: 276
Высота: 45.5
: 108
Толщина диска: 26
Минимальная толщина: 24.4
WOKING D6122910
Место установки: передний мост
Диаметр: 275.9
Высота: 45.7
Масса: 6.24
: 69
Толщина диска: 26
Минимальная толщина: 24.4
WOKING D683800
Место установки: задний мост
: 90
Диаметр: 262
Высота: 60.1
Масса: 4.08
Толщина диска: 10
Минимальная толщина: 8.4
WOKING D689010
Место установки: передний мост
Диаметр: 275.9
Высота: 45.5
Масса: 6.01
: 69
Толщина диска: 26
Минимальная толщина: 24.4
WOKING D690300
Место установки: задний мост
: 90.2
Диаметр: 262
Высота: 60.1
Масса: 4
Толщина диска: 10
Минимальная толщина: 8.4
ZIMMERMANN 380216820
Толщина: 26 мм
Высота: 45.5
Масса: 6.1
: 69
Минимальная толщина: 24.4
Внешний диаметр: 276
Двигатель
MITSUBISHI LANCER VII универсал (CS_W, CT_W) 1.6
Код двигателя: 4G18
MITSUBISHI LANCER VII универсал (CS_W, CT_W) 1.6 Код двигателя : 4G18
Объем двигателя(куб.см): 1584 ccm
Мощность двигателя(кВт/л.с.): 98 PS
MITSUBISHI LANCER VII универсал (CS_W, CT_W) 2.0 Код двигателя : 4G63 (DOHC 16V)
Объем двигателя(куб.см): 1997 ccm
Мощность двигателя(кВт/л.с.): 135 PS
MITSUBISHI LANCER VII универсал (CS_W, CT_W) 1.8 GDi T Код двигателя : 4G93T (GDI)
Объем двигателя(куб.см): 1834 ccm
Мощность двигателя(кВт/л.с.): 165 PS
MITSUBISHI LANCER VII универсал (CS_W, CT_W) 2.4 GDI Код двигателя : 4G64 (GDI)
Объем двигателя(куб.см): 2350 ccm
Мощность двигателя(кВт/л.с.): 133 PS
MITSUBISHI LANCER VII универсал (CS_W, CT_W) 2.0 Код двигателя : 4G94
Объем двигателя(куб.см): 1999 ccm
Мощность двигателя(кВт/л.с.): 125 PS
MITSUBISHI LANCER VII универсал (CS_W, CT_W) 2.4 Код двигателя : 4G69
Объем двигателя(куб.см): 2378 ccm
Мощность двигателя(кВт/л.с.): 165 PS
MITSUBISHI LANCER VII универсал (CS_W, CT_W) EVO (CT9W) Код двигателя : 4G63 Turbo
Объем двигателя(куб.см): 1997 ccm
Мощность двигателя(кВт/л.с.): 272 PS
MITSUBISHI LANCER VII универсал (CS_W, CT_W) EVO Код двигателя : 4G63 Turbo
Объем двигателя(куб.см): 1997 ccm
Мощность двигателя(кВт/л.с.): 280 PS

Категории

Кнопка связи