top
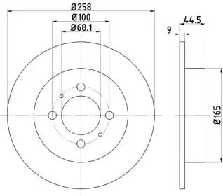
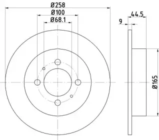
BOSCH 0986478650
: с внутренней вентиляцией
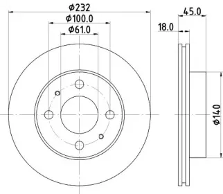
REMSA 643010
Место установки: передний мост
: 61
Диаметр: 247
Высота: 45.2
Масса: 4.09
Толщина диска: 18
Минимальная толщина: 16
A.B.S. 16212
колесный диск: 4 отверстия
Диаметр: 234
Высота: 40
Масса: 2.46
: 68
Толщина диска: 7
Минимальная толщина: 6
A.B.S. 16499
колесный диск: 4 отверстия
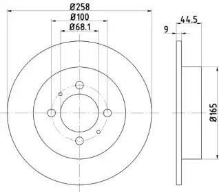
Диаметр: 258
Высота: 45
Масса: 3.68
: 68
Толщина диска: 9
Минимальная толщина: 8.1
A.B.S. 16595
колесный диск: 4 отверстия
Диаметр: 232
Высота: 45.3
Масса: 3.71
: 61
Толщина диска: 18
Минимальная толщина: 16
A.B.S. 16596
колесный диск: 4 отверстия
Диаметр: 247
Высота: 45.3
Масса: 4.34
: 61
Толщина диска: 18
Минимальная толщина: 16
A.B.S. 16990
колесный диск: 4 отверстия
Диаметр: 252
Высота: 45.4
Масса: 5.01
: 61
Толщина диска: 20
Минимальная толщина: 18
ABE C31071ABE
Место установки: передний мост
Толщина: 18 мм
Диаметр: 232
Высота: 45.2
: 61
Толщина диска: 18
Минимальная толщина: 16
Материал: Серый чугун
ABE C41026ABE
Место установки: задний мост
Толщина: 9 мм
Диаметр: 258
Высота: 44.5
: 68
Толщина диска: 9
Минимальная толщина: 8
ABE C41030ABE
Толщина: 7 мм
Диаметр: 234
Высота: 39.4
: 68
Толщина диска: 7
Минимальная толщина: 6
AP 14469
Диаметр: 258
Высота: 44.5
: 108
Толщина диска: 9
Минимальная толщина: 8
AP 14666
Диаметр: 234
Высота: 39.4
: 108
Толщина диска: 7
Минимальная толщина: 6
AP 24629
Диаметр: 247
Высота: 45.2
: 108
Толщина диска: 18
Минимальная толщина: 16
AP 24630
Диаметр: 232
Высота: 45.2
: 108
Толщина диска: 18
Минимальная толщина: 16
AP X24630
Диаметр: 232
Высота: 45.2
: с покрытием
Толщина диска: 18
Минимальная толщина: 16
ASHIKA 6001111
Место установки: передний мост
Диаметр: 251.5
Высота: 45.5
: 61
Толщина диска: 20
Минимальная толщина: 19
ASHIKA 6001135
Место установки: передний мост
Диаметр: 247
Высота: 46
: 61
Толщина диска: 18
Минимальная толщина: 16
ASHIKA 6001136
Место установки: передний мост
Диаметр: 232
Высота: 46
: 61
Толщина диска: 18
Минимальная толщина: 16
ASHIKA 6101126
Место установки: задний мост
: BENDIX
Диаметр: 258
Высота: 45
Толщина диска: 9
Минимальная толщина: 7
ASHIKA 6101130
Место установки: задний мост
Диаметр: 233.4
Высота: 40
: 68
Толщина диска: 7
Минимальная толщина: 6
ASHUKI 09902701
колесный диск: 2 отверстия
Место установки: передний мост
Толщина: 45 мм
Диаметр: 247
Высота: 45.3
Масса: 4.17
Необходимое количество: 1
:
Толщина диска: 18
Минимальная толщина: 16
Внешний диаметр: 247
ASHUKI 09902801
колесный диск: 4 отверстия
Место установки: передний мост
Толщина: 46 мм
Масса: 4.74
Необходимое количество: 1
:
Толщина диска: 20
Минимальная толщина: 18
Внешний диаметр: 252
ASHUKI D79015
Диаметр: 252
Высота: 45.2
: E1 90R-02C0064/0007
Толщина диска: 20
Минимальная толщина: 18
ASHUKI N01320
колесный диск: 2 отверстия
Место установки: передний мост
Толщина: 45 мм
Масса: 3.63
Необходимое количество: 1
:
Толщина диска: 18
Минимальная толщина: 16.5
Внешний диаметр: 232
ASHUKI N01411
колесный диск: 2 отверстия
Место установки: задний мост
Толщина: 45 мм
Масса: 3.53
Необходимое количество: 1
:
Толщина диска: 9.5
Минимальная толщина: 8
Внешний диаметр: 256
ASHUKI N01430
колесный диск: 2 отверстия
Место установки: задний мост
Толщина: 40 мм
Масса: 2.49
Необходимое количество: 1
: 4
Толщина диска: 7
Минимальная толщина: 6
Внешний диаметр: 234
ATE 24010701081
Диаметр: 234
Высота: 39.5
:
Толщина диска: 7
Минимальная толщина: 6
ATE 24011801171
Диаметр: 247
Высота: 45.2
:
Толщина диска: 18
Минимальная толщина: 16
ATE 24011801181
Диаметр: 232
Высота: 45.2
:
Толщина диска: 18
Минимальная толщина: 16
ATE 24012002031
Диаметр: 252
Высота: 45.2
:
Толщина диска: 20
Минимальная толщина: 18
BLUE PRINT ADN14365
колесный диск: 4 отверстия
Место установки: задний мост
Толщина: 45 мм
Масса: 3.53
Необходимое количество: 2
:
Толщина диска: 9.5
Минимальная толщина: 8
Внешний диаметр: 258
BLUE PRINT ADN14372
колесный диск: 4 отверстия
Место установки: передний мост
Толщина: 45 мм
Масса: 3.63
:
Толщина диска: 18
Минимальная толщина: 16.5
Внешний диаметр: 232
BLUE PRINT ADN14373
колесный диск: 4 отверстия
Место установки: передний мост
Толщина: 45 мм
Масса: 4.17
:
Толщина диска: 18
Минимальная толщина: 16
Внешний диаметр: 247
BLUE PRINT ADN14397
колесный диск: 4 отверстия
Место установки: передний мост
Толщина: 46 мм
Масса: 4.74
Необходимое количество: 2
:
Толщина диска: 20
Минимальная толщина: 18
Внешний диаметр: 252
BORG & BECK BBD4096
Диаметр: 234
: 7
Минимальная толщина: 6
BORG & BECK BBD4111
Диаметр: 232
: 18
Минимальная толщина: 16
BORG & BECK BBD4112
Диаметр: 246.8
: 18
Минимальная толщина: 16
BORG & BECK BBD4200
Диаметр: 258
: 9
Минимальная толщина: 8
BORG & BECK BBD4518
Диаметр: 252
: 20
Минимальная толщина: 18
BOSCH 0986478459
: с внутренней вентиляцией
BOSCH 0986478836
Диаметр: 258
: 68
Толщина диска: 9
Минимальная толщина: 8
BOSCH 0986478865
Диаметр: 234
: 68
Толщина диска: 7
Минимальная толщина: 6
BOSCH 0986479238
Диаметр: 252
: E1 90R-02C0074/0758
Толщина диска: 20
Минимальная толщина: 18
BRECO BS7465
Диаметр: 258
Высота: 44.5
: 108
Толщина диска: 9
Минимальная толщина: 8
BRECO BS7521
Диаметр: 234
Высота: 39.4
: 108
Толщина диска: 7
Минимальная толщина: 6
BRECO BS8264
Диаметр: 247
Высота: 45.2
: 108
Толщина диска: 18
Минимальная толщина: 16
BRECO BS8265
Диаметр: 232
Высота: 45.2
: 108
Толщина диска: 18
Минимальная толщина: 16
BREMBO 08544340
Диаметр: 258
Высота: 44.5
: 108
Толщина диска: 9
Минимальная толщина: 8
BREMBO 08689910
Диаметр: 234
Высота: 39.4
: 108
Толщина диска: 7
Минимальная толщина: 6
BREMBO 09694210
Диаметр: 247
Высота: 45.2
: 108
Толщина диска: 18
Минимальная толщина: 16
BREMBO 09694310
Диаметр: 232
Высота: 45.2
: 108
Толщина диска: 18
Минимальная толщина: 16
BREMBO 09694375
Диаметр: 232
Высота: 45.2
: с покрытием
Толщина диска: 18
Минимальная толщина: 16
CAR 1421037
Диаметр: 252
Высота: 45
Масса: 4.79
: 142.1037
Толщина диска: 20
Минимальная толщина: 18
CAR 142881
Диаметр: 247
Высота: 45.2
Масса: 4.18
: 142.881
Толщина диска: 18
Минимальная толщина: 16
CAR 142882
Диаметр: 232
Высота: 45.2
Масса: 3.56
: 142.882
Толщина диска: 18
Минимальная толщина: 16
CAR 142920
Диаметр: 258
Высота: 44.5
Масса: 3.35
: 142.920
Толщина диска: 9
Минимальная толщина: 8
CAR HPD1037
Диаметр: 252
Высота: 45
Масса: 4.79
: HPD 1037
Толщина диска: 20
Минимальная толщина: 18
CAR HPD881
Диаметр: 247
Высота: 45.2
Масса: 4.18
: HPD 881
Толщина диска: 18
Минимальная толщина: 16
CAR HPD882
Диаметр: 232
Высота: 45.2
Масса: 3.56
: HPD 882
Толщина диска: 18
Минимальная толщина: 16
CAR HPD920
Диаметр: 258
Высота: 44.5
Масса: 3.35
: HPD 920
Толщина диска: 9
Минимальная толщина: 8
CIFAM 8001083C
Место установки: задний мост
: лакированный
Диаметр: 258
Высота: 44.5
Толщина диска: 9
Минимальная толщина: 8
CIFAM 8001578
Место установки: передний мост
: 61
Диаметр: 251.7
Высота: 45.1
Толщина диска: 20.1
Минимальная толщина: 18
CIFAM 800457
: 61
Диаметр: 232
Высота: 45.3
Толщина диска: 18
Минимальная толщина: 16
CIFAM 800661
: 68
Диаметр: 234
Высота: 39.5
Толщина диска: 7
Минимальная толщина: 6
COMLINE ADC0235
Место установки: задний мост
Высота: 44
: 100
Толщина диска: 9
Минимальная толщина: 8
Внешний диаметр: 258
COMLINE ADC0241V
Место установки: передний мост
Высота: 45
: 100
Толщина диска: 18
Минимальная толщина: 16
Внешний диаметр: 232
COMLINE ADC0242V
Место установки: передний мост
Высота: 45.2
: 100
Толщина диска: 18
Минимальная толщина: 16
Внешний диаметр: 247
COMLINE ADC0246
Место установки: задний мост
Высота: 40
: 68
Толщина диска: 7
Минимальная толщина: 6
Внешний диаметр: 234
COMLINE ADC0262V
Место установки: передний мост
Высота: 45
: 100
Толщина диска: 20
Минимальная толщина: 18
Внешний диаметр: 252
COMLINE AND6656
Место установки: задний мост
Высота: 44
: с покрытием
Толщина диска: 9
Минимальная толщина: 8
Внешний диаметр: 258
COMLINE AND6835
Место установки: передний мост
Высота: 45.2
: с покрытием
Толщина диска: 18
Минимальная толщина: 16
Внешний диаметр: 247
COMLINE AND6859
Место установки: передний мост
Высота: 45
: с покрытием
Толщина диска: 18
Минимальная толщина: 16
Внешний диаметр: 232
COMLINE AND6878
Место установки: передний мост
Высота: 45
: с покрытием
Толщина диска: 20
Минимальная толщина: 18
Внешний диаметр: 252
DELPHI BG3126
Диаметр: 234
: 40
Толщина диска: 7
Минимальная толщина: 6
DELPHI BG3134
Диаметр: 247
: 45
Толщина диска: 18
Минимальная толщина: 16
DELPHI BG3206
Диаметр: 232
: 45.3
Толщина диска: 18
Минимальная толщина: 16
DENCKERMANN B130127
Место установки: передний мост
Диаметр: 247
Высота: 45.2
: 100
Толщина диска: 18
Минимальная толщина: 16
DENCKERMANN B130128
Место установки: передний мост
Диаметр: 232
Высота: 45.2
: 100
Толщина диска: 18
Минимальная толщина: 16
DENCKERMANN B130161
Место установки: передний мост
Диаметр: 252
Высота: 45.2
: 100
Толщина диска: 20
Минимальная толщина: 18
DJ PARTS BD1059
Место установки: передний мост
: 61
Толщина диска: 18
DJ PARTS BD2035
Место установки: передний мост
: 61.1
Толщина диска: 18
DYNAMATRIX DBD1885
Место установки: передний мост
Диаметр: 252
Высота: 45
Масса: 9.98
: 61
Толщина диска: 20
Минимальная толщина: 18
Дополнительная информация: без винтов
DYNAMATRIX DBD717
Место установки: задний мост
Диаметр: 258
Высота: 44.5
Масса: 6.92
: 68
Толщина диска: 9
Минимальная толщина: 8
Дополнительная информация: без винтов
DYNAMATRIX DBD790
Место установки: задний мост
Диаметр: 234
Высота: 39.4
Масса: 4.85
: 68
Толщина диска: 7
Минимальная толщина: 6
Дополнительная информация: без винтов
DYNAMATRIX DBD866
Место установки: передний мост
Диаметр: 232
Высота: 45.2
Масса: 7.53
: 110
Толщина диска: 18
Минимальная толщина: 16
Дополнительная информация: без винтов
DYNAMATRIX DBD867
Место установки: передний мост
Диаметр: 247
Высота: 45.2
Масса: 8.68
: 110
Толщина диска: 18
Минимальная толщина: 16
Дополнительная информация: без винтов
E.T.F. 190601
Диаметр: 232
Высота: 45
: 19-0601
Толщина диска: 18
Минимальная толщина: 16
E.T.F. 190603
Диаметр: 252
Высота: 45
: 19-0603
Толщина диска: 20
Минимальная толщина: 18
E.T.F. 195401
Диаметр: 258
Высота: 44.5
: 19-5401
Толщина диска: 9
Минимальная толщина: 8
E.T.F. 195803
Диаметр: 234
Высота: 40
: 19-5803
Толщина диска: 7
Минимальная толщина: 6
FARCOM 230167
Место установки: задний мост
Диаметр: 234
Высота: 40
: лакированный
Толщина диска: 7
Минимальная толщина: 6
FARCOM 230289
Место установки: передний мост
Диаметр: 232
Высота: 45
: лакированный
Толщина диска: 18
Минимальная толщина: 16
FARCOM 230544
Место установки: передний мост
Диаметр: 252
Высота: 45
: лакированный
Толщина диска: 20
Минимальная толщина: 18
FARCOM 230810
Место установки: задний мост
Диаметр: 234
Высота: 40
: 68
Толщина диска: 7
Минимальная толщина: 6
FARCOM 230884
Место установки: передний мост
Диаметр: 232
Высота: 45
: 61
Толщина диска: 18
Минимальная толщина: 16
FARCOM 231025
Место установки: передний мост
Диаметр: 252
Высота: 45
: 61
Толщина диска: 20
Минимальная толщина: 18
FEBI BILSTEIN 12137
колесный диск: 4 отверстия
Место установки: передний мост
Масса: 4.6
Необходимое количество: 2
: с внутренней вентиляцией
Толщина диска: 18
Внешний диаметр: 232
FEBI BILSTEIN 15893
колесный диск: 4 отверстия
Место установки: задний мост
Масса: 2.3
Необходимое количество: 2
: полный
Толщина диска: 7
Внешний диаметр: 234
FENOX TB217894
Место установки: передний мост
Диаметр: 247
Высота: 45.1
: 100
Толщина диска: 18
Минимальная толщина: 16
FERODO DDF1885
Место установки: передний мост
Диаметр: 252
Высота: 45
Масса: 9.98
: комплект
Толщина диска: 20
Минимальная толщина: 18
Дополнительная информация: без винтов
FERODO DDF717
Место установки: задний мост
Диаметр: 258
Высота: 44.5
Масса: 6.92
: комплект
Толщина диска: 9
Минимальная толщина: 8
Дополнительная информация: без винтов
FERODO DDF790
Место установки: задний мост
Диаметр: 234
Высота: 39.4
Масса: 4.85
: комплект
Толщина диска: 7
Минимальная толщина: 6
Дополнительная информация: без винтов
FERODO DDF866
Место установки: передний мост
Диаметр: 232
Высота: 45.2
Масса: 7.53
: комплект
Толщина диска: 18
Минимальная толщина: 16
Дополнительная информация: без винтов
FERODO DDF867
Место установки: передний мост
Диаметр: 247
Высота: 45.2
Масса: 8.68
: комплект
Толщина диска: 18
Минимальная толщина: 16
Дополнительная информация: без винтов
FREMAX BD0601
колесный диск: 4 отверстия
Место установки: передний мост
Диаметр: 232
Высота: 45.2
: 61
Толщина диска: 18
Минимальная толщина: 16
FREMAX BD0602
колесный диск: 4 отверстия
Место установки: передний мост
Диаметр: 247
Высота: 45.2
: 61
Толщина диска: 18
Минимальная толщина: 16
FREMAX BD5401
колесный диск: 4 отверстия
Место установки: задний мост
Диаметр: 258
Высота: 44.5
: 68
Толщина диска: 9
Минимальная толщина: 8
FREMAX BD5803
колесный диск: 4 отверстия
Место установки: задний мост
Диаметр: 234
Высота: 39.4
: 68
Толщина диска: 7
Минимальная толщина: 6
мм:
fri.tech. BD0100
Место установки: задний мост
: лакированный
Диаметр: 258
Высота: 44.5
Толщина диска: 9
Минимальная толщина: 8
fri.tech. BD0112
: 68
Диаметр: 234
Высота: 39.5
Толщина диска: 7
Минимальная толщина: 6
fri.tech. BD0397
: 61
Диаметр: 232
Высота: 45.3
Толщина диска: 18
Минимальная толщина: 16
fri.tech. BD0906
Место установки: передний мост
: 61
Диаметр: 251.7
Высота: 45.1
Толщина диска: 20.1
Минимальная толщина: 18
FTE BS4586
Диаметр: 234
Высота: 39.4
: 100
Толщина диска: 7
Минимальная толщина: 6
FTE BS4586B
Диаметр: 234
Высота: 39.4
: с покрытием
Толщина диска: 7
Минимальная толщина: 6
FTE BS4621
Диаметр: 232
Высота: 45.3
: 100
Толщина диска: 18
Минимальная толщина: 16
FTE BS4621B
Диаметр: 232
Высота: 45.3
: с покрытием
Толщина диска: 18
Минимальная толщина: 16
FTE BS4622
Диаметр: 247
Высота: 45.3
: 100
Толщина диска: 18
Минимальная толщина: 16
FTE BS4622B
Диаметр: 247
Высота: 45.3
: с покрытием
Толщина диска: 18
Минимальная толщина: 16
FTE BS4892
Диаметр: 258
Высота: 44.5
: 100
Толщина диска: 9
Минимальная толщина: 8
FTE BS4892B
Диаметр: 258
Высота: 44.5
: с покрытием
Толщина диска: 9
Минимальная толщина: 8
FTE BS5026
Диаметр: 252
Высота: 45.1
: 100
Толщина диска: 20
Минимальная толщина: 18
FTE BS5026B
Диаметр: 252
Высота: 45.1
: с покрытием
Толщина диска: 20
Минимальная толщина: 18
GIRLING 6040004
Диаметр: 258
Высота: 44.4
: лакированный
Толщина диска: 9
Минимальная толщина: 8
Цвет: черный
GIRLING 6040064
Диаметр: 234
Высота: 39.6
: лакированный
Толщина диска: 7
Минимальная толщина: 6
Цвет: черный
GIRLING 6040181
Диаметр: 247
Высота: 45.2
: лакированный
Толщина диска: 18
Минимальная толщина: 16
Цвет: черный
GIRLING 6040191
Диаметр: 232
Высота: 45.15
: лакированный
Толщина диска: 18
Минимальная толщина: 16
Цвет: черный
GIRLING 6042541
Диаметр: 252
Высота: 45.2
: лакированный
Толщина диска: 20
Минимальная толщина: 18
Цвет: черный
HELLA 8DD355105141
Диаметр: 258
Высота: 44.5
Масса: 3.4
: 52339
Толщина диска: 9
Минимальная толщина: 8
Дополнительная информация: без ступицы
HELLA 8DD355105151
Диаметр: 234
Высота: 39.4
Масса: 2.3
: 50220
Толщина диска: 7
Минимальная толщина: 6
Дополнительная информация: без ступицы
HELLA 8DD355105921
Диаметр: 232
Высота: 45.2
Масса: 3.6
: 52334
Толщина диска: 18
Минимальная толщина: 16
Дополнительная информация: без ступицы
HELLA 8DD355105931
Диаметр: 247
Высота: 45.2
Масса: 4.3
: 50232
Толщина диска: 18
Минимальная толщина: 16
Дополнительная информация: без ступицы
HELLA 8DD355112961
Диаметр: 252
Высота: 45.1
Масса: 4.67
: 54488
Толщина диска: 20
Минимальная толщина: 18
Дополнительная информация: без ступицы
HERTH+BUSS JAKOPARTS J3301071
Диаметр: 232
Высота: 45.4
: E1 90R-02C0064/0034
Толщина диска: 18
Минимальная толщина: 16
HERTH+BUSS JAKOPARTS J3301072
Диаметр: 247
Высота: 45.4
: E1 90R-02C0064/0102
Толщина диска: 18
Минимальная толщина: 16
HERTH+BUSS JAKOPARTS J3301082
Диаметр: 252
Высота: 45.2
: E1 90R-02C0064/0007
Толщина диска: 20
Минимальная толщина: 18
HERTH+BUSS JAKOPARTS J3311026
Диаметр: 258
Высота: 44.5
: 2
Толщина диска: 9
Минимальная толщина: 8
ICER 78BD06012
Исп. моста: Front
Толщина: 18 мм
Диаметр: 232
Высота: 45.2
Масса: 7.46
: 78BD0601-2
Минимальная толщина: 16
ICER 78BD06022
Исп. моста: Front
Толщина: 18 мм
Диаметр: 247
Высота: 45.2
Масса: 8.72
: 78BD0602-2
Минимальная толщина: 16
ICER 78BD54012
Исп. моста: Rear
Толщина: 9 мм
Диаметр: 258
Высота: 44.5
Масса: 7.01
: 78BD5401-2
Минимальная толщина: 8
ICER 78BD58032
Исп. моста: Rear
Толщина: 7 мм
Диаметр: 234
Высота: 39.4
Масса: 4.88
: 78BD5803-2
Минимальная толщина: 6
IPS Parts IBP1126
Место установки: задний мост
Диаметр: 257
Высота: 47
: 68
Толщина диска: 9
Минимальная толщина: 7
IPS Parts IBP1130
Место установки: задний мост
Диаметр: 234
Высота: 40
: 58
Толщина диска: 7
Минимальная толщина: 6
IPS Parts IBT1107
Место установки: передний мост
Диаметр: 251.5
Высота: 45.5
: 61
Толщина диска: 20
Минимальная толщина: 19
IPS Parts IBT1109
Место установки: передний мост
Диаметр: 247
Высота: 46
: 61
Толщина диска: 18
Минимальная толщина: 16
IPS Parts IBT1110
Место установки: передний мост
Диаметр: 232
Высота: 46
: 61
Толщина диска: 18
Минимальная толщина: 16
IPS Parts IBT1193
Место установки: передний мост
Диаметр: 252
Высота: 46
: 61
Толщина диска: 26
Минимальная толщина: 24
JAPANPARTS DI111
Место установки: передний мост
Диаметр: 251.5
Высота: 45.5
: 61
Толщина диска: 20
Минимальная толщина: 19
JAPANPARTS DI135
Место установки: передний мост
Диаметр: 247
Высота: 46
: 61
Толщина диска: 18
Минимальная толщина: 16
JAPANPARTS DI136
Место установки: передний мост
Диаметр: 232
Высота: 46
: 61
Толщина диска: 18
Минимальная толщина: 16
JAPANPARTS DP126
Место установки: задний мост
: BENDIX
Диаметр: 258
Высота: 45
Толщина диска: 9
Минимальная толщина: 7
JAPANPARTS DP130
Место установки: задний мост
Диаметр: 233.4
Высота: 40
: 68
Толщина диска: 7
Минимальная толщина: 6
JAPKO 60111
Место установки: передний мост
Диаметр: 251.5
Высота: 45.5
: 61
Толщина диска: 20
Минимальная толщина: 19
JAPKO 60135
Место установки: передний мост
Диаметр: 247
Высота: 46
: 61
Толщина диска: 18
Минимальная толщина: 16
JAPKO 60136
Место установки: передний мост
Диаметр: 232
Высота: 46
: 61
Толщина диска: 18
Минимальная толщина: 16
JAPKO 61126
Место установки: задний мост
: BENDIX
Диаметр: 258
Высота: 45
Толщина диска: 9
Минимальная толщина: 7
JAPKO 61130
Место установки: задний мост
Диаметр: 233.4
Высота: 40
: 68
Толщина диска: 7
Минимальная толщина: 6
JP GROUP 4063100609
Место установки: передний мост
Диаметр: 252
: 4/4
Толщина диска: 20
JP GROUP 4063200709
Место установки: задний мост
Диаметр: 258
: 6/4
Толщина диска: 9
JURID 561726J
Место установки: задний мост
Диаметр: 258
Высота: 44.5
: 100
Толщина диска: 9
Минимальная толщина: 8
JURID 561728J
Место установки: задний мост
Диаметр: 234
Высота: 39.5
: 100
Толщина диска: 7
Минимальная толщина: 6
JURID 562024J
Место установки: передний мост
Диаметр: 232
Высота: 45.2
: 0
Толщина диска: 18
Минимальная толщина: 16
JURID 562024JC
Место установки: передний мост
Диаметр: 232
Высота: 45.2
: JC
Толщина диска: 18
Минимальная толщина: 16
JURID 562025J
Место установки: передний мост
Диаметр: 247
Высота: 45.2
: 100
Толщина диска: 18
Минимальная толщина: 16
JURID 562025JC
Место установки: передний мост
Диаметр: 247
Высота: 45.2
: JC
Толщина диска: 18
Минимальная толщина: 16
JURID 562424J
Место установки: передний мост
Диаметр: 252
Высота: 45
: 0
Толщина диска: 20
Минимальная толщина: 18.4
JURID 562424JC
Место установки: передний мост
Диаметр: 252
Высота: 45
: 0
Толщина диска: 20
Минимальная толщина: 18.4
KAISHIN CBR175
Место установки: передний мост
Диаметр: 247
: 247x61x4
KAISHIN CBR176
Место установки: передний мост
Диаметр: 232
: 232x61x4
KAISHIN CBR210
Место установки: передний мост
Диаметр: 252
: 252x61x4
KAISHIN CBR285
Место установки: задний мост
Диаметр: 258
: 258x68x4
KAISHIN CBR340
Место установки: задний мост
Диаметр: 234
: 234x68x4
KAMOKA 1031580
Диаметр: 234
Высота: 39.5
: 100
Толщина диска: 7
Минимальная толщина: 6
KAVO PARTS BR6742
Диаметр: 258
Высота: 44.5
: 165
Толщина диска: 9
KAVO PARTS BR6742C
Диаметр: 258
Высота: 44.5
: 165
Толщина диска: 9
KAVO PARTS BR6743
Диаметр: 234
Высота: 39.5
: 150
Толщина диска: 7
KAVO PARTS BR6743C
Диаметр: 234
Высота: 39.5
: 150
Толщина диска: 7
KAVO PARTS BR6757
Диаметр: 232
Высота: 45.2
: 140
Толщина диска: 18
KAVO PARTS BR6757C
Диаметр: 232
Высота: 45.2
: 140
Толщина диска: 18
KAVO PARTS BR6759
Диаметр: 247
Высота: 45.2
: 140
Толщина диска: 18
KAVO PARTS BR6759C
Диаметр: 247
Высота: 45.2
: 140
Толщина диска: 18
KAVO PARTS BR6781
Диаметр: 252
Высота: 45
: 155
Толщина диска: 20
KAVO PARTS BR6781C
Диаметр: 252
Высота: 45
: 155
Толщина диска: 20
KAWE 642310
Место установки: передний мост
: 61
Диаметр: 232
Высота: 45.2
Масса: 3.46
Толщина диска: 18
Минимальная толщина: 16
KAWE 642400
Место установки: передний мост
: 68
Диаметр: 234
Высота: 39.4
Масса: 2.32
Толщина диска: 7
Минимальная толщина: 6
KAWE 643010
Место установки: передний мост
: 61
Диаметр: 247
Высота: 45.2
Масса: 4.09
Толщина диска: 18
Минимальная толщина: 16
KAWE 653010
Место установки: передний мост
: 61
Диаметр: 257
Высота: 45.2
Масса: 6.4
Толщина диска: 26
Минимальная толщина: 24
KAWE 653100
Место установки: задний мост
: 68
Диаметр: 258
Высота: 44.5
Масса: 3.3
Толщина диска: 9
Минимальная толщина: 8
KAWE 676110
Место установки: передний мост
: 61
Диаметр: 252
Высота: 45
Масса: 4.65
Толщина диска: 20
Минимальная толщина: 18
KLAXCAR FRANCE 25853Z
Высота: 45.2
: 61
Толщина диска: 18
Внешний диаметр: 232
LEMFÖRDER 2222502
Место установки: передний мост
Диаметр: 232
Высота: 45.2
: 04/06
Толщина диска: 18
Минимальная толщина: 16
LEMFÖRDER 2284401
Место установки: задний мост
Диаметр: 234
Высота: 39.5
: 04/04
Толщина диска: 7
Минимальная толщина: 6
LPR N2000V
Диаметр: 252
Высота: 45
: N2000V
Толщина диска: 20
Минимальная толщина: 18
LPR N2721V
Диаметр: 232
Высота: 45
: N2721V
Толщина диска: 18
Минимальная толщина: 16
LPR N2731V
Диаметр: 247
Высота: 45
: N2731V
Толщина диска: 18
Минимальная толщина: 16
LPR N2781P
Диаметр: 234
Высота: 40
: N2781P
Толщина диска: 7
Минимальная толщина: 6
LPR N2815P
Диаметр: 258
Высота: 44.5
: N2815P
Толщина диска: 9
Минимальная толщина: 8
LYNXauto BN1774
Место установки: задний мост
Диаметр: 234
Высота: 39.5
: 100
Толщина диска: 7
Минимальная толщина: 6
LYNXauto BN1775
Место установки: задний мост
Диаметр: 258
Высота: 44.5
: 100
Толщина диска: 9
Минимальная толщина: 8
LYNXauto BN1778
Место установки: передний мост
Диаметр: 247
Высота: 45
: 100
Толщина диска: 18
Минимальная толщина: 16
LYNXauto BN1779
Место установки: передний мост
Диаметр: 232
Высота: 45
: 100
Толщина диска: 18
Минимальная толщина: 16
LYNXauto BN1780
Место установки: передний мост
Диаметр: 252
Высота: 45
: 100
Толщина диска: 20
Минимальная толщина: 18
MAGNETI MARELLI 353613278240
Диаметр: 232
Высота: 45.2
Толщина диска: 18
Минимальная толщина: 16
: 61
MAGNETI MARELLI 360406036300
Диаметр: 232
Высота: 45.2
Толщина диска: 18
Минимальная толщина: 16
: 61
MAGNETI MARELLI 360406036400
Диаметр: 247
Высота: 45.2
Толщина диска: 18
Минимальная толщина: 16
: 61
MAGNETI MARELLI 360406052500
Диаметр: 258
Высота: 44.5
Толщина диска: 9
Минимальная толщина: 8
: 68
MAGNETI MARELLI 431602041060
Диаметр: 232
MAPCO 15501
Место установки: передний мост
Качество: Kreuzschliff
Диаметр: 232
Масса: 1.8
: 100
Толщина диска: 18
Минимальная толщина: 16
MAPCO 15503
Место установки: передний мост
Качество: Kreuzschliff
Диаметр: 247
Масса: 2.05
: 100
Толщина диска: 18
Минимальная толщина: 16
MAPCO 15509
Место установки: задний мост
Качество: Kreuzschliff
Диаметр: 234
Масса: 1.65
: 100
Толщина диска: 7
Минимальная толщина: 6
MAPCO 15518
Место установки: задний мост
Качество: Kreuzschliff
Диаметр: 258
Масса: 1.7
: 68
Толщина диска: 9
MAPCO 45505
Место установки: передний мост
Качество: Kreuzschliff
Диаметр: 252
: 100
Толщина диска: 20
MASTER-SPORT 24010701081PCSMS
Место установки: задний мост
Диаметр: 234
Высота: 39.5
Масса: 2.35
: Штука
Толщина диска: 7
Минимальная толщина: 6
MASTER-SPORT 24010701081SETMS
Место установки: задний мост
Диаметр: 234
Высота: 39.5
Масса: 2.36
: комплект
Толщина диска: 7
Минимальная толщина: 6
MASTER-SPORT 24011801171PCSMS
Место установки: передний мост
Диаметр: 247
Высота: 45.2
: Штука
Толщина диска: 18
MASTER-SPORT 24011801171SETMS
Место установки: передний мост
Диаметр: 247
Высота: 45.2
: комплект
Толщина диска: 18
MASTER-SPORT 24011801181PCSMS
Место установки: передний мост
Диаметр: 232
Высота: 45.2
: Штука
Толщина диска: 18
MASTER-SPORT 24011801181SETMS
Место установки: передний мост
Диаметр: 232
Высота: 45.2
: комплект
Толщина диска: 18
MASTER-SPORT 24012002031PCSMS
Место установки: передний мост
Диаметр: 252
Высота: 45.2
: Штука
Толщина диска: 20
MASTER-SPORT 24012002031SETMS
Место установки: передний мост
Диаметр: 252
Высота: 45.2
: комплект
Толщина диска: 20
MAXGEAR 190950
Место установки: передний мост
Диаметр: 232
Высота: 45.2
Масса: 3.6
: 100
Толщина диска: 18
Минимальная толщина: 16
Дополнительная информация: без ступицы
MAXGEAR 190950SPORT
Место установки: передний мост
Диаметр: 232
Высота: 45.2
Масса: 3.6
: 10
Толщина диска: 18
Минимальная толщина: 16
Дополнительная информация: без ступицы
MAXGEAR 190956
Место установки: задний мост
Высота: 44.4
: 100
Толщина диска: 9
Минимальная толщина: 8
Внешний диаметр: 258
подходящий для термостата с температурой открытия: 12.7 °С
MAXGEAR 190956MAX
Место установки: задний мост
Высота: 44.4
: с покрытием
Толщина диска: 9
Минимальная толщина: 8
Внешний диаметр: 258
подходящий для термостата с температурой открытия: 12.7 °С
MAXGEAR 190956SPORT
Место установки: задний мост
Диаметр: 258
Высота: 44.5
Масса: 3.4
: 10
Толщина диска: 9
Минимальная толщина: 8
Дополнительная информация: без ступицы
MAXGEAR 190957
Место установки: задний мост
Диаметр: 234
Высота: 39.4
Масса: 2.3
: 100
Толщина диска: 7
Минимальная толщина: 6
Дополнительная информация: без колесной крепящей оси
MAXGEAR 190957SPORT
Место установки: задний мост
Диаметр: 234
Высота: 39.4
Масса: 2.3
: 10
Толщина диска: 7
Минимальная толщина: 6
Дополнительная информация: без ступицы
MAXGEAR 191244
колесный диск: 4 отверстия
Место установки: передний мост
Диаметр: 247
Высота: 45.3
: 61
Толщина диска: 18
Минимальная толщина: 16
MAXGEAR 191244SPORT
Место установки: передний мост
Диаметр: 247
Высота: 45.2
Масса: 4.3
: 10
Толщина диска: 18
Минимальная толщина: 16
Дополнительная информация: без ступицы
MAXGEAR 191850
колесный диск: 4 отверстия
Место установки: передний мост
Диаметр: 252
Высота: 45.1
: 61
Толщина диска: 20
Минимальная толщина: 18
MAXGEAR 191850SPORT
Место установки: передний мост
Диаметр: 252
Высота: 45.1
Масса: 4.67
: 10
Толщина диска: 20
Минимальная толщина: 18
Дополнительная информация: без ступицы
METELLI 230457
: 61
Диаметр: 232
Высота: 45.3
Толщина диска: 18
Минимальная толщина: 16
METELLI 230661
: 68
Диаметр: 234
Высота: 39.5
Толщина диска: 7
Минимальная толщина: 6
METELLI 231083C
Место установки: задний мост
: лакированный
Диаметр: 258
Высота: 44.5
Толщина диска: 9
Минимальная толщина: 8
METELLI 231578
Место установки: передний мост
: 61
Диаметр: 251.7
Высота: 45.1
Толщина диска: 20.1
Минимальная толщина: 18
METZGER 6110398
вар. оснащения: beschichtet
Диаметр: 258
Высота: 44.5
: 108
Толщина диска: 9
Минимальная толщина: 8
MEYLE 36155210019PD
Место установки: передний мост
Высота: 45.2
Необходимое количество: 2
: не хромированное (Cr VI) покрытие
Толщина диска: 18
Минимальная толщина: 16
Внешний диаметр: 232
MEYLE 36155210023
Место установки: передний мост
Высота: 45.2
Необходимое количество: 2
: 100
Толщина диска: 18
Минимальная толщина: 16
Внешний диаметр: 247
подходящий для термостата с температурой открытия: 12.7 °С
MEYLE 36155210023PD
Место установки: передний мост
Высота: 45.2
Необходимое количество: 2
: не хромированное (Cr VI) покрытие
Толщина диска: 18
Минимальная толщина: 16
Внешний диаметр: 247
MEYLE 36155210046
Место установки: передний мост
Высота: 45.2
Необходимое количество: 2
: 100
Толщина диска: 20
Минимальная толщина: 18
Внешний диаметр: 252
подходящий для термостата с температурой открытия: 12.6 °С
MEYLE 36155210046PD
Место установки: передний мост
Высота: 45.2
Необходимое количество: 2
: не хромированное (Cr VI) покрытие
Толщина диска: 20
Минимальная толщина: 18
Внешний диаметр: 252
подходящий для термостата с температурой открытия: 12.6 °С
MEYLE 36155230017
Место установки: задний мост
Высота: 39.5
Необходимое количество: 2
: 100
Толщина диска: 7
Минимальная толщина: 6
Внешний диаметр: 234
подходящий для термостата с температурой открытия: 12.8 °С
MEYLE 36155230017PD
Место установки: задний мост
Высота: 39.5
Необходимое количество: 2
: не хромированное (Cr VI) покрытие
Толщина диска: 7
Минимальная толщина: 6
Внешний диаметр: 234
MEYLE 36155230032
Место установки: задний мост
Высота: 44.4
Необходимое количество: 2
: 100
Толщина диска: 9
Минимальная толщина: 8
Внешний диаметр: 258
подходящий для термостата с температурой открытия: 12.7 °С
MEYLE 36155230032PD
Место установки: задний мост
Высота: 44.4
Необходимое количество: 2
: не хромированное (Cr VI) покрытие
Толщина диска: 9
Минимальная толщина: 8
Внешний диаметр: 258
MINTEX MDC1007
Диаметр: 234
Высота: 39.4
Масса: 2.3
: 10
Толщина диска: 7
Минимальная толщина: 6
Дополнительная информация: без ступицы
MINTEX MDC1041
Диаметр: 232
Высота: 45.2
Масса: 3.6
: 10
Толщина диска: 18
Минимальная толщина: 16
Дополнительная информация: без ступицы
MINTEX MDC1042
Диаметр: 247
Высота: 45.2
Масса: 4.3
: 10
Толщина диска: 18
Минимальная толщина: 16
Дополнительная информация: без ступицы
MINTEX MDC1055
Диаметр: 258
Высота: 44.5
Масса: 3.4
: 10
Толщина диска: 9
Минимальная толщина: 8
Дополнительная информация: без ступицы
MINTEX MDC1730
Диаметр: 252
Высота: 45.1
Масса: 4.67
: 10
Толщина диска: 20
Минимальная толщина: 18
Дополнительная информация: без ступицы
NIPPARTS J3301071
Диаметр: 232
Высота: 45.2
: 140
Толщина диска: 18
Минимальная толщина: 16
NIPPARTS J3301082
Диаметр: 252
Высота: 45.2
: 155
Толщина диска: 20
Минимальная толщина: 18
NIPPARTS J3311030
Диаметр: 234
Высота: 39.5
: 151.5
Толщина диска: 7
Минимальная толщина: 6
NK 202244
колесный диск: 4 отверстия
Диаметр: 232
Высота: 45.3
Масса: 3.46
: 61
Толщина диска: 18
Минимальная толщина: 16
NK 202245
колесный диск: 4 отверстия
Диаметр: 247
Высота: 45.3
Масса: 4.09
: 61
Толщина диска: 18
Минимальная толщина: 16
NK 202246
колесный диск: 4 отверстия
Диаметр: 234
Высота: 39.4
Масса: 2.32
: 68
Толщина диска: 7
Минимальная толщина: 6
NK 202263
колесный диск: 4 отверстия
Диаметр: 258
Высота: 44.5
Масса: 3.3
: 68
Толщина диска: 9
Минимальная толщина: 8
NK 202269
колесный диск: 4 отверстия
Диаметр: 252
Высота: 45.1
Масса: 4.85
: 61
Толщина диска: 20
Минимальная толщина: 18
NK 312244
колесный диск: 4 отверстия
Диаметр: 232
Высота: 45.3
Масса: 3.46
: с покрытием
Толщина диска: 18
Минимальная толщина: 16
NK 312245
колесный диск: 4 отверстия
Диаметр: 247
Высота: 45.3
Масса: 4.09
: с покрытием
Толщина диска: 18
Минимальная толщина: 16
NK 312246
колесный диск: 4 отверстия
Диаметр: 234
Высота: 39.4
Масса: 2.32
: с покрытием
Толщина диска: 7
Минимальная толщина: 6
NK 312263
колесный диск: 4 отверстия
Диаметр: 258
Высота: 44.5
Масса: 3.3
: с покрытием
Толщина диска: 9
Минимальная толщина: 8
NK 312269
колесный диск: 4 отверстия
Диаметр: 252
Высота: 45.1
Масса: 4.85
: с покрытием
Толщина диска: 20
Минимальная толщина: 18
NPS N330N76
Место установки: передний мост
NPS N330N77
Место установки: передний мост
NPS N330N90
Место установки: передний мост
Высота: 45.1
Толщина диска: 20.1
: 4
Внешний диаметр: 251.7
NPS N331N26
Место установки: задний мост
NPS N331N35
Место установки: задний мост
OPEN PARTS BDR170720
Диаметр: 232
Высота: 45
: лакированный
Толщина диска: 18
Минимальная толщина: 16
OPTIMAL BS4230
Место установки: передний мост
Диаметр: 232
Высота: 45
: для автомобилей без ABS
Толщина диска: 18
Минимальная толщина: 16
OPTIMAL BS4240
Место установки: задний мост
Диаметр: 233.7
Высота: 39.6
: 68
Толщина диска: 7
Минимальная толщина: 6
OPTIMAL BS5310
Место установки: задний мост
Диаметр: 258
Высота: 44.5
: 68
Толщина диска: 9
Минимальная толщина: 8
OPTIMAL BS7898
Место установки: передний мост
Диаметр: 252
Высота: 45
: для автомобилей с ABS
Толщина диска: 20
Минимальная толщина: 18
PATRON PBD4000
Диаметр: 258
Высота: 44.4
: лакированный
Толщина диска: 9
Минимальная толщина: 8
Цвет: черный
PATRON PBD4006
Диаметр: 234
Высота: 39.6
: лакированный
Толщина диска: 7
Минимальная толщина: 6
Цвет: черный
PATRON PBD4018
Диаметр: 247
Высота: 45.2
: лакированный
Толщина диска: 18
Минимальная толщина: 16
Цвет: черный
PATRON PBD4019
Диаметр: 232
Высота: 45.15
: лакированный
Толщина диска: 18
Минимальная толщина: 16
Цвет: черный
PATRON PBD4254
Диаметр: 252
Высота: 45.2
: лакированный
Толщина диска: 20
Минимальная толщина: 18
Цвет: черный
PILENGA 5392
Место установки: задний мост
Диаметр: 234
Высота: 39.5
: 2
Толщина диска: 7
Минимальная толщина: 6
PILENGA 5395
Место установки: задний мост
Диаметр: 258
Высота: 44.5
: 68
Толщина диска: 9
Минимальная толщина: 8
PILENGA V894
Место установки: передний мост
Диаметр: 247
Высота: 45.2
: 2
Толщина диска: 18
Минимальная толщина: 16
PILENGA V897
Место установки: передний мост
Диаметр: 232
Высота: 45.2
: 2
Толщина диска: 18
Минимальная толщина: 16
PROTECHNIC PRD2228
Диаметр: 232
Высота: 45.2
: 11
Толщина диска: 18
Минимальная толщина: 16
PROTECHNIC PRD2254
Диаметр: 247
Высота: 45.2
: 11
Толщина диска: 18
Минимальная толщина: 16
PROTECHNIC PRD2738
Диаметр: 251.7
Высота: 45.1
: 61
Толщина диска: 20.1
Минимальная толщина: 18
PROTECHNIC PRD5157
Диаметр: 234
Высота: 39.4
: 68
Толщина диска: 7
Минимальная толщина: 6
PROTECHNIC PRD5176
Диаметр: 258
Высота: 44.5
: 68
Толщина диска: 9
Минимальная толщина: 8
QUINTON HAZELL BDC4586
Диаметр: 234
Высота: 39.4
: 68
Толщина диска: 7
Минимальная толщина: 6
QUINTON HAZELL BDC4621
Диаметр: 232
Высота: 45.2
: 61
Толщина диска: 18
Минимальная толщина: 16
QUINTON HAZELL BDC4622
Диаметр: 247
Высота: 45.2
: 61
Толщина диска: 18
Минимальная толщина: 16
QUINTON HAZELL BDC4892
Диаметр: 258
Высота: 44.5
: 68
Толщина диска: 9
Минимальная толщина: 8
QUINTON HAZELL BDC5026
Диаметр: 252
: 100
Толщина диска: 20.1
Минимальная толщина: 18
REMSA 642310
Место установки: передний мост
: 61
Диаметр: 232
Высота: 45.2
Масса: 3.46
Толщина диска: 18
Минимальная толщина: 16
REMSA 642400
Место установки: передний мост
: 68
Диаметр: 234
Высота: 39.4
Масса: 2.32
Толщина диска: 7
Минимальная толщина: 6
REMSA 653010
Место установки: передний мост
: 61
Диаметр: 257
Высота: 45.2
Масса: 6.4
Толщина диска: 26
Минимальная толщина: 24
REMSA 653100
Место установки: задний мост
: 68
Диаметр: 258
Высота: 44.5
Масса: 3.3
Толщина диска: 9
Минимальная толщина: 8
REMSA 676110
Место установки: передний мост
: 61
Диаметр: 252
Высота: 45
Масса: 4.65
Толщина диска: 20
Минимальная толщина: 18
ROADHOUSE 642310
Место установки: передний мост
: 61
Диаметр: 232
Высота: 45.2
Масса: 3.46
Толщина диска: 18
Минимальная толщина: 16
ROADHOUSE 642400
Место установки: передний мост
: 68
Диаметр: 234
Высота: 39.4
Масса: 2.32
Толщина диска: 7
Минимальная толщина: 6
ROADHOUSE 643010
Место установки: передний мост
: 61
Диаметр: 247
Высота: 45.2
Масса: 4.09
Толщина диска: 18
Минимальная толщина: 16
ROADHOUSE 653010
Место установки: передний мост
: 61
Диаметр: 257
Высота: 45.2
Масса: 6.4
Толщина диска: 26
Минимальная толщина: 24
ROADHOUSE 653100
Место установки: задний мост
: 68
Диаметр: 258
Высота: 44.5
Масса: 3.3
Толщина диска: 9
Минимальная толщина: 8
ROADHOUSE 676110
Место установки: передний мост
: 61
Диаметр: 252
Высота: 45
Масса: 4.65
Толщина диска: 20
Минимальная толщина: 18
SAKURA 604104130
Место установки: передний мост
Высота: 45.2
Толщина диска: 18
: 61
дюймы: S6044130
SAKURA 604104140
Место установки: передний мост
Высота: 45.2
Толщина диска: 18
: 61
дюймы: S6044140
SAKURA 604104147
Место установки: передний мост
Высота: 45.2
Толщина диска: 20
: 61
дюймы: S6044147
SAKURA 605104010
Место установки: задний мост
Высота: 39.5
Толщина диска: 7
: 68
дюймы: S6054010
SAKURA 605104080
Место установки: задний мост
Толщина диска: 9
дюймы: S6054080
sbs 1815202244
колесный диск: 4 отверстия
Диаметр: 232
Высота: 45.3
Масса: 3.46
: 61
Толщина диска: 18
Минимальная толщина: 16
sbs 1815202245
колесный диск: 4 отверстия
Диаметр: 247
Высота: 45.3
Масса: 4.09
: 61
Толщина диска: 18
Минимальная толщина: 16
sbs 1815202246
колесный диск: 4 отверстия
Диаметр: 234
Высота: 39.4
Масса: 2.32
: 68
Толщина диска: 7
Минимальная толщина: 6
sbs 1815202263
колесный диск: 4 отверстия
Диаметр: 258
Высота: 44.5
Масса: 3.3
: 68
Толщина диска: 9
Минимальная толщина: 8
sbs 1815202269
колесный диск: 4 отверстия
Диаметр: 252
Высота: 45.1
Масса: 4.85
: 61
Толщина диска: 20
Минимальная толщина: 18
sbs 1815312244
колесный диск: 4 отверстия
Диаметр: 232
Высота: 45.3
Масса: 3.46
: с покрытием
Толщина диска: 18
Минимальная толщина: 16
sbs 1815312245
колесный диск: 4 отверстия
Диаметр: 247
Высота: 45.3
Масса: 4.09
: с покрытием
Толщина диска: 18
Минимальная толщина: 16
sbs 1815312246
колесный диск: 4 отверстия
Диаметр: 234
Высота: 39.4
Масса: 2.32
: с покрытием
Толщина диска: 7
Минимальная толщина: 6
sbs 1815312263
колесный диск: 4 отверстия
Диаметр: 258
Высота: 44.5
Масса: 3.3
: с покрытием
Толщина диска: 9
Минимальная толщина: 8
sbs 1815312269
колесный диск: 4 отверстия
Диаметр: 252
Высота: 45.1
Масса: 4.85
: с покрытием
Толщина диска: 20
Минимальная толщина: 18
STELLOX 60201264SX
Место установки: задний мост
Диаметр: 257
Высота: 45.2
: 61
Толщина диска: 26
Минимальная толщина: 24
STELLOX 60201140SX
Место установки: задний мост
Диаметр: 258
: 12.75
Толщина диска: 9
Минимальная толщина: 8
STELLOX 60202244VSX
Место установки: передний мост
Диаметр: 232
Высота: 45.2
: 100
Толщина диска: 18
Минимальная толщина: 16
STELLOX 60202245VSX
Место установки: передний мост
Диаметр: 247
Высота: 45.2
: 100
Толщина диска: 18
Минимальная толщина: 16
STELLOX 60202246SX
Место установки: передний мост
Диаметр: 234
Высота: 39.4
: 100
Толщина диска: 7
Минимальная толщина: 6
STOP 562025S
Место установки: передний мост
Диаметр: 247
Высота: 45.2
: комплект
Толщина диска: 18
Минимальная толщина: 16
SWAG 82912137
колесный диск: 4 отверстия
Место установки: передний мост
Масса: 4.6
Необходимое количество: 2
: с внутренней вентиляцией
Толщина диска: 18
Внешний диаметр: 232
SWAG 82915893
колесный диск: 4 отверстия
Место установки: задний мост
Масса: 2.3
Необходимое количество: 2
: полный
Толщина диска: 7
Внешний диаметр: 234
TEXTAR 92079900
Диаметр: 258
Высота: 44.5
Масса: 3.4
: 10
Толщина диска: 9
Минимальная толщина: 8
Дополнительная информация: без ступицы
TEXTAR 92080000
Диаметр: 234
Высота: 39.4
Масса: 2.3
: 10
Толщина диска: 7
Минимальная толщина: 6
Дополнительная информация: без ступицы
TEXTAR 92090900
Диаметр: 232
Высота: 45.2
Масса: 3.6
: 10
Толщина диска: 18
Минимальная толщина: 16
Дополнительная информация: без ступицы
TEXTAR 92091000
Диаметр: 247
Высота: 45.2
Масса: 4.3
: 10
Толщина диска: 18
Минимальная толщина: 16
Дополнительная информация: без ступицы
TEXTAR 92148800
Диаметр: 252
Высота: 45.1
Масса: 4.67
: 10
Толщина диска: 20
Минимальная толщина: 18
Дополнительная информация: без ступицы
TRISCAN 812014133C
Диаметр: 232
: 4
Толщина диска: 18
TRISCAN 812014134C
Диаметр: 247
: 4
Толщина диска: 18
TRISCAN 812014137C
Диаметр: 234
: 4
Толщина диска: 7
TRISCAN 812014142C
Диаметр: 258
Высота: 44.5
: 100
Толщина диска: 9
Минимальная толщина: 8
TRISCAN 812014156C
для OE-№: 40206-2N301
Диаметр: 252
: 4
Толщина диска: 20
Минимальная толщина: 18
TRUSTING DF100
Место установки: задний мост
: лакированный
Диаметр: 258
Высота: 44.5
Толщина диска: 9
Минимальная толщина: 8
TRUSTING DF112
: 68
Диаметр: 234
Высота: 39.5
Толщина диска: 7
Минимальная толщина: 6
TRUSTING DF397
: 61
Диаметр: 232
Высота: 45.3
Толщина диска: 18
Минимальная толщина: 16
TRUSTING DF906
Место установки: передний мост
: 61
Диаметр: 251.7
Высота: 45.1
Толщина диска: 20.1
Минимальная толщина: 18
TRW DF4000
Диаметр: 258
Высота: 44.4
: лакированный
Толщина диска: 9
Минимальная толщина: 8
Цвет: черный
TRW DF4006
Диаметр: 234
Высота: 39.6
: лакированный
Толщина диска: 7
Минимальная толщина: 6
Цвет: черный
TRW DF4018
Диаметр: 247
Высота: 45.2
: лакированный
Толщина диска: 18
Минимальная толщина: 16
Цвет: черный
TRW DF4019
Диаметр: 232
Высота: 45.15
: лакированный
Толщина диска: 18
Минимальная толщина: 16
Цвет: черный
TRW DF4254
Диаметр: 252
Высота: 45.2
: лакированный
Толщина диска: 20
Минимальная толщина: 18
Цвет: черный
VAICO V3840005
колесный диск: 4 отверстия
Диаметр: 258
Высота: 45
: R90
Толщина диска: 9
Минимальная толщина: 8.1
VAICO V3840006
Диаметр: 234
Высота: 39.5
: R90
Толщина диска: 7
Минимальная толщина: 6
VAICO V3880004
Место установки: передний мост
Диаметр: 252
Высота: 45.2
: R90
Толщина диска: 20
Минимальная толщина: 18
VAICO V3880005
Место установки: передний мост
Диаметр: 232
Высота: 45.2
: 100
Толщина диска: 18
Минимальная толщина: 16
VAICO V3880008
колесный диск: 4 отверстия
Диаметр: 247
Высота: 45.3
: R90
Толщина диска: 18
Минимальная толщина: 16
VEMA 98428
Место установки: Позиция оси 1
VEMA 98431
Место установки: Позиция оси 1
VEMA 98436
Место установки: Позиция оси 1
VEMA 98437
Место установки: Позиция оси 1
VILLAR 6281016
Диаметр: 232
Высота: 45.2
: 108
Толщина диска: 18
Минимальная толщина: 16
VILLAR 6281026
Диаметр: 247
Высота: 45.2
: 108
Толщина диска: 18
Минимальная толщина: 16
VILLAR 6281032
Диаметр: 234
Высота: 39.4
: 108
Толщина диска: 7
Минимальная толщина: 6
VILLAR 6281060
Диаметр: 258
Высота: 44.5
: 108
Толщина диска: 9
Минимальная толщина: 8
WOKING D642310
Место установки: передний мост
: 61
Диаметр: 232
Высота: 45.2
Масса: 3.46
Толщина диска: 18
Минимальная толщина: 16
WOKING D642400
Место установки: передний мост
: 68
Диаметр: 234
Высота: 39.4
Масса: 2.32
Толщина диска: 7
Минимальная толщина: 6
WOKING D643010
Место установки: передний мост
: 61
Диаметр: 247
Высота: 45.2
Масса: 4.09
Толщина диска: 18
Минимальная толщина: 16
WOKING D653010
Место установки: передний мост
: 61
Диаметр: 257
Высота: 45.2
Масса: 6.4
Толщина диска: 26
Минимальная толщина: 24
WOKING D653100
Место установки: задний мост
: 68
Диаметр: 258
Высота: 44.5
Масса: 3.3
Толщина диска: 9
Минимальная толщина: 8
WOKING D676110
Место установки: передний мост
: 61
Диаметр: 252
Высота: 45
Масса: 4.65
Толщина диска: 20
Минимальная толщина: 18
ZIMMERMANN 200251000
Толщина: 18 мм
Высота: 45.2
Масса: 3.6
: 61
Минимальная толщина: 16
Внешний диаметр: 232
Двигатель
NISSAN ALMERA I (N15) 1.4 GX,LX
Код двигателя: GA14DE

Категории

Кнопка связи