top
BGA CV9504A
: 92
GSP 817051
Место установки: со стороны колеса
Длина: 160
: GrooveType:Middle
NK 512375
Длина: 65.5
: 53.8
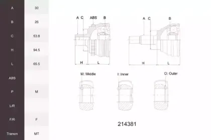
ACEMARK 214381
Место установки: со стороны колеса
Длина: 65.5
: With Middle Groove t
AUTEX 820653
Место установки: со стороны колеса
Длина: 160
: GrooveType:Middle
AUTEX 822613
Место установки: со стороны коробки передач
Длина: 161
: 35
BUGIAD 51079
Место установки: со стороны колеса
Длина: 160
: Groove Type: Middle
CAR GOP6870K
Место установки: со стороны колеса
: CIRCLIP POS : MIDDLE
Внешний диаметр: 91
CEVAM 6459
Место установки: со стороны колеса
: NBR (бутадиен-нитрильный каучук)
CIFAM 607506A
Место установки: со стороны колеса
: с нарезкой / выемкой во внутренней части
Материал: резина
Внешний диаметр: 91
COMLINE ECV231
Место установки: со стороны колеса
Диаметр: 91
: Шарнир равных угловых скоростей
DENCKERMANN C120038
Место установки: со стороны колеса
: Groove Type: Middle
DENCKERMANN C120305
Место установки: со стороны коробки передач
: 35
DYNAMATRIX DCV817051
Место установки: со стороны колеса
Длина: 160
: Middle
ERA Benelux CVN8730
Место установки: со стороны колеса
: 53
FENOX CV16274
Место установки: со стороны колеса
GENERAL RICAMBI OP1087
Место установки: со стороны колеса
Диаметр: 91
: Шарнир равных угловых скоростей
GENERAL RICAMBI OP1087K
Место установки: со стороны колеса
Диаметр: 91
: Шарнир равных угловых скоростей
GSP 699138
Место установки: со стороны коробки передач
Длина: 161
: 35
IPD 312740S1
Место установки: со стороны колеса
: с нарезкой / выемкой во внутренней части
Внешний диаметр: 91
JP GROUP 1243300610
Место установки: передний мост
: Шарнир равных угловых скоростей
JP GROUP 1243300619
Место установки: передний мост
: Шарнир равных угловых скоростей
KAMOKA 6039
Место установки: со стороны колеса
: с нарезкой / выемкой во внутренней части
KAMOKA 8724
Место установки: со стороны коробки передач
: Шарнир равных угловых скоростей
MAPCO 16723
Место установки: со стороны колеса
: 54.4
Внешний диаметр: 91
MAXGEAR 490483
Место установки: передний мост
METELLI 151506A
Место установки: со стороны колеса
: с нарезкой / выемкой во внутренней части
Материал: резина
Внешний диаметр: 91
METZGER 7110163
Место установки: со стороны колеса
Длина: 160
: с пазом во внутренней детали (в середине)
MEYLE 6144980030
Место установки: со стороны колеса
Длина: 160
: без кольца ABS
Внешний диаметр: 91
PATRON PCV1506
Место установки: со стороны колеса
Длина: 160
: Groove Type : Middle
PROTECHNIC PRJ292
Место установки: со стороны колеса
Длина: 160
: Groove Type : Middle
SERCORE 21700
Место установки: со стороны колеса
: Grupilla interior
Внешний диаметр: 90
SKF VKJA3120
: с пазом во внутренней детали (в середине)
Внешний диаметр: 96
STELLOX 1501506SX
Место установки: со стороны колеса
: Шарнир равных угловых скоростей
TOPRAN 207193
Место установки: передний мост слева
: 91
Дополнительная информация: с пыльником
TRISCAN 854024131
: 54.4
Внешний диаметр: 91
Двигатель
OPEL VECTRA C GTS 3.2 V6
Код двигателя: Z 32 SE
OPEL VECTRA C GTS 3.2 V6 Код двигателя : Z 32 SE
Объем двигателя(куб.см): 3175 ccm
Мощность двигателя(кВт/л.с.): 211 PS
OPEL VECTRA C GTS 1.8 16V Код двигателя : Z 18 XE
Объем двигателя(куб.см): 1796 ccm
Мощность двигателя(кВт/л.с.): 122 PS
OPEL VECTRA C GTS 2.2 16V Код двигателя : Z 22 SE
Объем двигателя(куб.см): 2198 ccm
Мощность двигателя(кВт/л.с.): 147 PS
OPEL VECTRA C GTS 2.0 DTI 16V Код двигателя : Y 20 DTH
Объем двигателя(куб.см): 1995 ccm
Мощность двигателя(кВт/л.с.): 101 PS
OPEL VECTRA C GTS 2.2 DTI 16V Код двигателя : Y 22 DTR
Объем двигателя(куб.см): 2172 ccm
Мощность двигателя(кВт/л.с.): 125 PS
OPEL VECTRA C GTS 2.0 16V Turbo Код двигателя : Z 20 NET
Объем двигателя(куб.см): 1998 ccm
Мощность двигателя(кВт/л.с.): 175 PS
OPEL VECTRA C GTS 3.0 CDTI Код двигателя : Y 30 DT
Объем двигателя(куб.см): 2958 ccm
Мощность двигателя(кВт/л.с.): 177 PS
OPEL VECTRA C GTS 2.2 direct Код двигателя : Z 22 YH
Объем двигателя(куб.см): 2198 ccm
Мощность двигателя(кВт/л.с.): 155 PS
OPEL VECTRA C GTS 1.9 CDTI Код двигателя : Z 19 DT
Объем двигателя(куб.см): 1910 ccm
Мощность двигателя(кВт/л.с.): 120 PS
OPEL VECTRA C GTS 1.9 CDTI Код двигателя : Z 19 DTH
Объем двигателя(куб.см): 1910 ccm
Мощность двигателя(кВт/л.с.): 150 PS
OPEL VECTRA C GTS 1.6 Код двигателя : Z 16 XE
Объем двигателя(куб.см): 1598 ccm
Мощность двигателя(кВт/л.с.): 100 PS
OPEL VECTRA C GTS 2.8 V6 Turbo Код двигателя : Z 28 NEL
Объем двигателя(куб.см): 2792 ccm
Мощность двигателя(кВт/л.с.): 230 PS
OPEL VECTRA C GTS 2.8 V6 Turbo Код двигателя : Z 28 NET
Объем двигателя(куб.см): 2792 ccm
Мощность двигателя(кВт/л.с.): 255 PS
OPEL VECTRA C GTS 1.8 Код двигателя : Z 18 XER
Объем двигателя(куб.см): 1796 ccm
Мощность двигателя(кВт/л.с.): 140 PS
OPEL VECTRA C GTS 1.6 Код двигателя : Z 16 XEP
Объем двигателя(куб.см): 1598 ccm
Мощность двигателя(кВт/л.с.): 105 PS
OPEL VECTRA C GTS 3.0 CDTi Код двигателя : Z 30 DT
Объем двигателя(куб.см): 2959 ccm
Мощность двигателя(кВт/л.с.): 184 PS
OPEL VECTRA C GTS 1.9 CDTI Код двигателя : Z 19 DTL
Объем двигателя(куб.см): 1910 ccm
Мощность двигателя(кВт/л.с.): 100 PS
OPEL VECTRA C GTS 2.8 V6 Turbo Код двигателя : Z 28 NET
Объем двигателя(куб.см): 2792 ccm
Мощность двигателя(кВт/л.с.): 250 PS
OPEL VECTRA C GTS 2.8 V6 Turbo Код двигателя : Z 28 NET
Объем двигателя(куб.см): 2792 ccm
Мощность двигателя(кВт/л.с.): 280 PS
OPEL VECTRA C GTS 1.8 16V Код двигателя : Z 18 XEL
Объем двигателя(куб.см): 1796 ccm
Мощность двигателя(кВт/л.с.): 110 PS
OPEL VECTRA C GTS 2.2 DTI 16V Код двигателя : Y 22 DTR
Объем двигателя(куб.см): 2172 ccm
Мощность двигателя(кВт/л.с.): 117 PS

Категории

Кнопка связи