top
A.B.S. 5527S
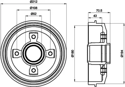
колесный диск: 4 отверстия
Высота: 79.5
Масса: 5.31
: 52
ATE 24021800151
:
Дополнительная информация: без колесного подшипника
BOSCH 0986477019
: 4
Дополнительная информация: без подшипника
BOSCH 0986477153
: 4
Дополнительная информация: с подшипником
FREMAX BD4727
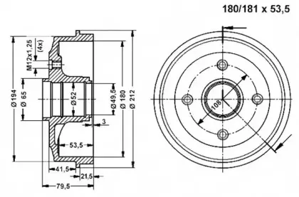
колесный диск: 4 отверстия
Место установки: задний мост
: 180
HELLA 8DT355301211
Масса: 5.2
: 62501
Дополнительная информация: cо ступицей
HELLA 8DT355301221
Масса: 4.2
: 62502
Дополнительная информация: cо ступицей
JURID 329152J
Место установки: задний мост
: 52
Дополнительная информация: без колесного подшипника
LUCAS ENGINE DRIVE LKBD62108
Место установки: задний мост
Высота: 43
Необходимое количество: 1
: 4
MINTEX MBD032
Масса: 4.2
: 108
Дополнительная информация: cо ступицей
TEXTAR 94011800
Масса: 5.2
: 8.5
Дополнительная информация: cо ступицей
TEXTAR 94011900
Масса: 4.2
: 19
Дополнительная информация: cо ступицей
TRW DB4090B
: M12 x 125
Дополнительная информация: с подшипником
VEMA 800850
Место установки: задний мост
Двигатель
PEUGEOT 205 I (741A/C) 1.6 GTI
Код двигателя: B6D (XU5JA)
PEUGEOT 205 I (741A/C) 1.6 GTI Код двигателя : B6D (XU5JA)
Объем двигателя(куб.см): 1580 ccm
Мощность двигателя(кВт/л.с.): 116 PS
PEUGEOT 205 I (741A/C) 1.0 Код двигателя : 108C (XV8)
Объем двигателя(куб.см): 954 ccm
Мощность двигателя(кВт/л.с.): 45 PS
PEUGEOT 205 I (741A/C) 1.1 Код двигателя : 109N (XW7)
Объем двигателя(куб.см): 1124 ccm
Мощность двигателя(кВт/л.с.): 49 PS
PEUGEOT 205 I (741A/C) 1.1 Код двигателя : 109F (XW7)
Объем двигателя(куб.см): 1124 ccm
Мощность двигателя(кВт/л.с.): 50 PS
PEUGEOT 205 I (741A/C) 1.4 Код двигателя : 150G (XY7)
Объем двигателя(куб.см): 1360 ccm
Мощность двигателя(кВт/л.с.): 60 PS
PEUGEOT 205 I (741A/C) 1.4 Код двигателя : 150H (XY8)
Объем двигателя(куб.см): 1360 ccm
Мощность двигателя(кВт/л.с.): 79 PS
PEUGEOT 205 I (741A/C) 1.4 Код двигателя : 150B (XY8)
Объем двигателя(куб.см): 1360 ccm
Мощность двигателя(кВт/л.с.): 80 PS
PEUGEOT 205 I (741A/C) 1.6 Код двигателя : B1E (XU51C)
Объем двигателя(куб.см): 1580 ccm
Мощность двигателя(кВт/л.с.): 72 PS
PEUGEOT 205 I (741A/C) 1.6 Код двигателя : B1A (XU51C)
Объем двигателя(куб.см): 1580 ccm
Мощность двигателя(кВт/л.с.): 75 PS
PEUGEOT 205 I (741A/C) 1.6 GTI Код двигателя : 180A (XU5J)
Объем двигателя(куб.см): 1580 ccm
Мощность двигателя(кВт/л.с.): 103 PS
PEUGEOT 205 I (741A/C) 1.9 GTI Код двигателя : D6B (XU9JA)
Объем двигателя(куб.см): 1905 ccm
Мощность двигателя(кВт/л.с.): 128 PS
PEUGEOT 205 I (741A/C) 1.7 Diesel Код двигателя : 161A (XUD7)
Объем двигателя(куб.см): 1769 ccm
Мощность двигателя(кВт/л.с.): 60 PS
PEUGEOT 205 I (741A/C) 1.9 GTI Код двигателя : DFZ (XU9J1)
Объем двигателя(куб.см): 1905 ccm
Мощность двигателя(кВт/л.с.): 102 PS
PEUGEOT 205 I (741A/C) 1.5 Код двигателя : Y2/K
Объем двигателя(куб.см): 1442 ccm
Мощность двигателя(кВт/л.с.): 86 PS
PEUGEOT 205 I (741A/C) 1.3 Код двигателя : G1A
Объем двигателя(куб.см): 1294 ccm
Мощность двигателя(кВт/л.с.): 62 PS
PEUGEOT 205 I (741A/C) 1.6 Код двигателя : BAZ (XU5CP)
Объем двигателя(куб.см): 1580 ccm
Мощность двигателя(кВт/л.с.): 75 PS
PEUGEOT 205 I (741A/C) 1.4 Код двигателя : 150 (XY6B)
Объем двигателя(куб.см): 1360 ccm
Мощность двигателя(кВт/л.с.): 72 PS
PEUGEOT 205 I (741A/C) 1.8 Rally Код двигателя :
Объем двигателя(куб.см): 1775 ccm
Мощность двигателя(кВт/л.с.): 200 PS
PEUGEOT 205 I (741A/C) 1.8 Rally 4x4 Код двигателя :
Объем двигателя(куб.см): 1775 ccm
Мощность двигателя(кВт/л.с.): 200 PS
PEUGEOT 205 I (741A/C) 1.4 Код двигателя :
Объем двигателя(куб.см): 1360 ccm
Мощность двигателя(кВт/л.с.): 56 PS
PEUGEOT 205 I (741A/C) 1.6 GTI Код двигателя : 180A (XU5J)
Объем двигателя(куб.см): 1580 ccm
Мощность двигателя(кВт/л.с.): 105 PS

Категории

Кнопка связи