top
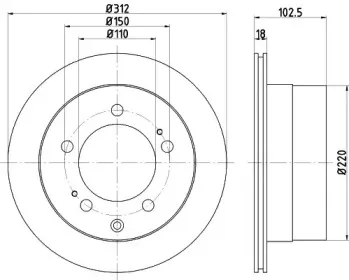
HELLA 8DD355122401
Диаметр: 312
Высота: 102.5
Масса: 6.64
: 55494PRO
Толщина диска: 18
Минимальная толщина: 16
Дополнительная информация: без ступицы
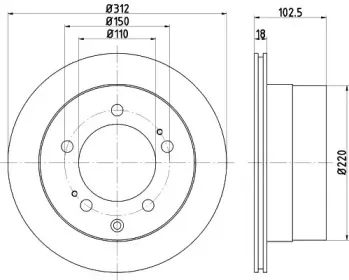
MINTEX MDC2452
Диаметр: 312
Высота: 102.5
Масса: 6.64
: 21.5
Толщина диска: 18
Минимальная толщина: 16
Дополнительная информация: без ступицы
NIPPARTS J3302034
Диаметр: 302
Высота: 48
: 182
Толщина диска: 20
Минимальная толщина: 19
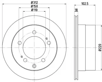
NIPPARTS J3312050
Диаметр: 312
Высота: 68
: 220
Толщина диска: 18
Минимальная толщина: 16
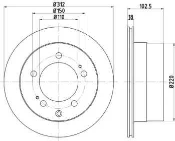
TEXTAR 92249403
Диаметр: 312
Высота: 102.5
Масса: 6.64
: 21.5
Толщина диска: 18
Минимальная толщина: 16
Дополнительная информация: без ступицы
Двигатель
TOYOTA LAND CRUISER Пикап (_J7_) 4.5 MPFi 4x4
Код двигателя: 1FZ-FE
TOYOTA LAND CRUISER Пикап (_J7_) 4.5 MPFi 4x4 Код двигателя : 1FZ-FE
Объем двигателя(куб.см): 4477 ccm
Мощность двигателя(кВт/л.с.): 243 PS
TOYOTA LAND CRUISER Пикап (_J7_) 4.2 D 4x4 Код двигателя : 1H-Z
Объем двигателя(куб.см): 4164 ccm
Мощность двигателя(кВт/л.с.): 136 PS
TOYOTA LAND CRUISER Пикап (_J7_) 4.2 TD 24V 4x4 (HDJ79) Код двигателя : 1HD-FT
Объем двигателя(куб.см): 4164 ccm
Мощность двигателя(кВт/л.с.): 166 PS
TOYOTA LAND CRUISER Пикап (_J7_) 4.0 D 4x4 (HJ75) Код двигателя : 2H
Объем двигателя(куб.см): 3980 ccm
Мощность двигателя(кВт/л.с.): 103 PS
TOYOTA LAND CRUISER Пикап (_J7_) 4.2 D 4x4 (HZJ7__V) Код двигателя : 1H-Z
Объем двигателя(куб.см): 4164 ccm
Мощность двигателя(кВт/л.с.): 131 PS
TOYOTA LAND CRUISER Пикап (_J7_) 4.5 TD 24V 4x4 (VDJ79) Код двигателя : 1VD-FTV
Объем двигателя(куб.см): 4461 ccm
Мощность двигателя(кВт/л.с.): 205 PS
TOYOTA LAND CRUISER Пикап (_J7_) 4.5 EFi 4x4 (FZJ75) Код двигателя : 1FZ-FE
Объем двигателя(куб.см): 4477 ccm
Мощность двигателя(кВт/л.с.): 215 PS
TOYOTA LAND CRUISER Пикап (_J7_) 4.5 MPFi 4x4 (FZJ79) Код двигателя : 1FZ-FE
Объем двигателя(куб.см): 4477 ccm
Мощность двигателя(кВт/л.с.): 224 PS
TOYOTA LAND CRUISER Пикап (_J7_) 4.0 4x4 Код двигателя : 1GR-FE
Объем двигателя(куб.см): 3956 ccm
Мощность двигателя(кВт/л.с.): 231 PS

Категории

Кнопка связи