top
LPR 7D0364
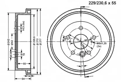
Диаметр: 228.6
: 3
A.B.S. 2633S
колесный диск: 5 отверстия
Высота: 64
Масса: 4.67
: 62
ABE C62035ABE
Место установки: задний мост
Толщина: 230.6 мм
Диаметр: 228.6
Высота: 64
: 62
Минимальная толщина: 55
APEC braking DRM9524
Диаметр: 230.6
Ширина: 55
: 5
Внешний диаметр: 280
ASHIKA 5602214
Место установки: задний мост
: 62
BORG & BECK BBR7181
Диаметр: 230.6
Ширина: 55
: 64
Внешний диаметр: 280
DJ PARTS BR1026
Место установки: задний мост
: 64.4
FENOX TO216104
Место установки: задний мост
: 228.6
FERODO FDR329342
Место установки: задний мост
Масса: 5.2
: 114.3
Дополнительная информация: без колесного подшипника
FREMAX BD4443
колесный диск: 5 отверстия
Место установки: задний мост
Высота: 64
: 228
HELLA 8DT355300031
Масса: 4.5
: 60405
Дополнительная информация: без ступицы
HERTH+BUSS JAKOPARTS J3402016
Высота: 64
: 3
JAPANPARTS TA214
Место установки: задний мост
: 62
JAPKO 56214
Место установки: задний мост
: 62
JP GROUP 4863500309
Место установки: задний мост
Диаметр: 228.6
: 8/5
JURID 329339J
Место установки: задний мост
: 114.3
JURID 329342J
Место установки: задний мост
Масса: 5.2
: 62.1
Дополнительная информация: без колесного подшипника
KAVO PARTS BD9609
Высота: 64
: 62
LYNXauto BM1185
Место установки: задний мост
: 114.3
MINTEX MBD154
Масса: 4.5
: 12.3
Дополнительная информация: без ступицы
NK 254518
колесный диск: 5 отверстия
: 64
NPS T340A12
Место установки: задний мост
Высота: 64.4
: 2
Внешний диаметр: 271.9
OPTIMAL BT1660
Место установки: задний мост
Высота: 64.4
: 228
OPTIMAL BT1680
Место установки: задний мост
Высота: 64.3
: 228.6
QUINTON HAZELL BDR373
Высота: 64
: 5
sbs 1825254518
колесный диск: 5 отверстия
: 64
STELLOX 60259929SX
Место установки: задний мост
: 114.3
TEXTAR 94022200
Масса: 4.5
: 16.8
Дополнительная информация: без ступицы
Двигатель
TOYOTA RAV 4 I (_A1_) 2.0 4WD (SXA10)
Код двигателя: 3S-FE
TOYOTA RAV 4 I (_A1_) 2.0 4WD (SXA10) Код двигателя : 3S-FE
Объем двигателя(куб.см): 1998 ccm
Мощность двигателя(кВт/л.с.): 129 PS
TOYOTA RAV 4 I (_A1_) 2.0 4WD Код двигателя : 3S-GE
Объем двигателя(куб.см): 1998 ccm
Мощность двигателя(кВт/л.с.): 165 PS
TOYOTA RAV 4 I (_A1_) Electric EV Код двигателя : EM
Объем двигателя(куб.см): 0 ccm
Мощность двигателя(кВт/л.с.): 61 PS
TOYOTA RAV 4 I (_A1_) 2.0 (SXA1_) Код двигателя : 3S-FE
Объем двигателя(куб.см): 1998 ccm
Мощность двигателя(кВт/л.с.): 135 PS
TOYOTA RAV 4 I (_A1_) 2.0 4WD Код двигателя : 3S-FE
Объем двигателя(куб.см): 1998 ccm
Мощность двигателя(кВт/л.с.): 135 PS
TOYOTA RAV 4 I (_A1_) 2.0 Код двигателя : 3S-FE
Объем двигателя(куб.см): 1998 ccm
Мощность двигателя(кВт/л.с.): 121 PS
TOYOTA RAV 4 I (_A1_) 2.0 AWD Код двигателя : 3S-FE
Объем двигателя(куб.см): 1998 ccm
Мощность двигателя(кВт/л.с.): 121 PS
TOYOTA RAV 4 I (_A1_) Electric EV Код двигателя :
Объем двигателя(куб.см): 0 ccm
Мощность двигателя(кВт/л.с.): 68 PS
TOYOTA RAV 4 I (_A1_) Electric EV 4WD Код двигателя :
Объем двигателя(куб.см): 0 ccm
Мощность двигателя(кВт/л.с.): 68 PS
TOYOTA RAV 4 I (_A1_) 2.0 Код двигателя : 3S-FE
Объем двигателя(куб.см): 1998 ccm
Мощность двигателя(кВт/л.с.): 129 PS

Категории

Кнопка связи