top
HELLA 8DD355117421
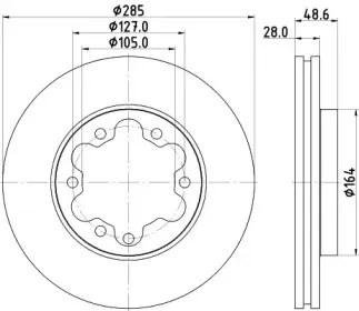
Диаметр: 285
Высота: 48.6
Масса: 8
: 55349
Толщина диска: 28
Минимальная толщина: 26
Дополнительная информация: без ступицы
MINTEX MDC2313
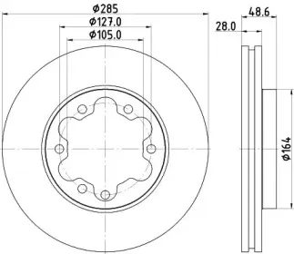
Диаметр: 285
Высота: 48.6
Масса: 7.7
: 12
Толщина диска: 28
Минимальная толщина: 26
Дополнительная информация: без ступицы
TEXTAR 92234900
Диаметр: 285
Высота: 48.6
Масса: 7.7
: 12
Толщина диска: 28
Минимальная толщина: 26
Дополнительная информация: без ступицы
Двигатель
TOYOTA TOYO ACE c бортовой платформой/ходовая часть (_Y2_) 2.0
Код двигателя: 1TR-FE

Категории

Кнопка связи