top
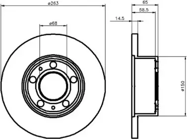
BOSCH 0986478143
A.B.S. 15915
колесный диск: 5 отверстия
Диаметр: 263
Высота: 65
Масса: 4.99
: 68
Толщина диска: 14.3
Минимальная толщина: 12.7
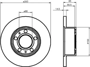
A.B.S. 15916
колесный диск: 5 отверстия
Диаметр: 263
Высота: 64.5
Масса: 5.72
: 68
Толщина диска: 24
Минимальная толщина: 22
A.B.S. 15917
колесный диск: 5 отверстия
Диаметр: 281
Высота: 73.5
Масса: 5.11
: 68
Толщина диска: 9.6
Минимальная толщина: 8.4
ABE C3V003ABE
Толщина: 22 мм
Диаметр: 263
Высота: 67.3
: 68
Толщина диска: 22
Минимальная толщина: 20.4
Дополнительная информация: с винтами
ABE C4V001ABE
Место установки: задний мост
Толщина: 9.6 мм
Диаметр: 281
Высота: 73.2
: с интегрированным контактом датчика износа
Толщина диска: 9.6
Минимальная толщина: 8.4
Дополнительная информация: с винтами
AP 10021
Диаметр: 263
Высота: 65
: 110
Толщина диска: 14.3
Минимальная толщина: 12.7
Дополнительная информация: с винтами
AP 10022E
Диаметр: 281
Высота: 73.2
: 110
Толщина диска: 9.6
Минимальная толщина: 8.4
Дополнительная информация: с винтами
AP 20040
Диаметр: 263
Высота: 64.3
: 110
Толщина диска: 24
Минимальная толщина: 22.8
Дополнительная информация: с винтами
AP 20102
Диаметр: 263
Высота: 67.3
: 110
Толщина диска: 22
Минимальная толщина: 20.4
Дополнительная информация: с винтами
ATE 24011001891
Диаметр: 281
Высота: 73.2
:
Толщина диска: 9.6
Минимальная толщина: 8.4
ATE 24011401011
Диаметр: 263
Высота: 65
:
Толщина диска: 14.3
Минимальная толщина: 12.7
ATE 24012201271
Диаметр: 263
Высота: 67.3
:
Толщина диска: 22
Минимальная толщина: 20.4
BORG & BECK BBD4862
Диаметр: 281
: 9.7
Минимальная толщина: 8.4
BORG & BECK BBD4866
Диаметр: 263
: 14.4
Минимальная толщина: 13
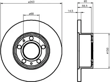
BOSCH 0986479480
Диаметр: 263
Высота: 67.3
: 68
Толщина диска: 22
Минимальная толщина: 20.4
Дополнительная информация: без винтов
BOSCH 0986479835
Диаметр: 281
: 68
Толщина диска: 9.8
Минимальная толщина: 8.6
BRECO BS7209
Диаметр: 281
Высота: 73.2
: 110
Толщина диска: 9.6
Минимальная толщина: 8.4
Дополнительная информация: с винтами
BRECO BS7367
Диаметр: 263
Высота: 65
: 110
Толщина диска: 14.3
Минимальная толщина: 12.7
Дополнительная информация: с винтами
BRECO BS7836
Диаметр: 263
Высота: 64.3
: 110
Толщина диска: 24
Минимальная толщина: 22.8
Дополнительная информация: с винтами
BRECO BS7923
Диаметр: 263
Высота: 67.3
: 110
Толщина диска: 22
Минимальная толщина: 20.4
Дополнительная информация: с винтами
BREMBO 08344124
Диаметр: 281
Высота: 73.2
: 110
Толщина диска: 9.6
Минимальная толщина: 8.4
Дополнительная информация: с винтами
BREMBO 08498210
Диаметр: 263
Высота: 65
: 110
Толщина диска: 14.3
Минимальная толщина: 12.7
Дополнительная информация: с винтами
BREMBO 09344210
Диаметр: 263
Высота: 64.3
: 110
Толщина диска: 24
Минимальная толщина: 22.8
Дополнительная информация: с винтами
BREMBO 09462910
Диаметр: 263
Высота: 67.3
: 110
Толщина диска: 22
Минимальная толщина: 20.4
Дополнительная информация: с винтами
CAR 142652
Диаметр: 263
Высота: 65
Масса: 5.14
: 142.652
Толщина диска: 14.2
Минимальная толщина: 12.7
CAR 142653
Диаметр: 281
Высота: 73.2
Масса: 4.92
: 142.653
Толщина диска: 9.6
Минимальная толщина: 8.4
CAR 142654
Диаметр: 263
Высота: 67.3
Масса: 5.73
: 142.654
Толщина диска: 22
Минимальная толщина: 20.4
CAR 142662
Диаметр: 263.5
Высота: 64.5
Масса: 5.95
: 142.662
Толщина диска: 24
Минимальная толщина: 22.8
CAR HPD652
Диаметр: 263
Высота: 65
Масса: 5.14
: HPD 652
Толщина диска: 14.2
Минимальная толщина: 12.7
CAR HPD653
Диаметр: 281
Высота: 73.2
Масса: 4.92
: HPD 653
Толщина диска: 9.6
Минимальная толщина: 8.4
CAR HPD654
Диаметр: 263
Высота: 67.3
Масса: 5.73
: HPD 654
Толщина диска: 22
Минимальная толщина: 20.4
CAR HPD662
Диаметр: 263.5
Высота: 64.5
Масса: 5.95
: HPD 662
Толщина диска: 24
Минимальная толщина: 22.8
CIFAM 800074
: 68
Диаметр: 280.5
Высота: 73
Толщина диска: 9.5
Минимальная толщина: 8.4
CIFAM 800225
: 68
Диаметр: 263
Высота: 67.5
Толщина диска: 22
Минимальная толщина: 20.4
COMLINE ADC1902
Место установки: задний мост
Высота: 73
: 108
Толщина диска: 10
Минимальная толщина: 8.4
Внешний диаметр: 281
COMLINE AND6905
Место установки: задний мост
Высота: 73
: с покрытием
Толщина диска: 10
Минимальная толщина: 8.4
Внешний диаметр: 281
DELPHI BG2103
Диаметр: 281
: 73.2
Толщина диска: 9.6
Минимальная толщина: 8.4
DELPHI BG2103C
Диаметр: 281
: 73.2
Толщина диска: 9.6
Минимальная толщина: 8.4
DELPHI BG2139
Диаметр: 263
: 65
Толщина диска: 14.4
Минимальная толщина: 13
DELPHI BG2140
Диаметр: 263.5
: 64.3
Толщина диска: 24
Минимальная толщина: 22.8
DELPHI BG2207
Диаметр: 263
: 67.3
Толщина диска: 22
Минимальная толщина: 20.4
DJ PARTS BD1826
Место установки: задний мост
: 68
Толщина диска: 9.6
DJ PARTS BD2004
Место установки: передний мост
: 68
Толщина диска: 22.1
DYNAMATRIX DBD080
Место установки: задний мост
Диаметр: 281
Высота: 73.2
Масса: 10.19
: 110
Толщина диска: 9.6
Минимальная толщина: 8.4
Дополнительная информация: с винтами
DYNAMATRIX DBD136
Место установки: передний мост
Диаметр: 263
Высота: 65
Масса: 10.58
: 110
Толщина диска: 14.3
Минимальная толщина: 12.7
Дополнительная информация: с винтами
DYNAMATRIX DBD163
Место установки: передний мост
Диаметр: 263
Высота: 64.3
Масса: 11.69
: Ate
Толщина диска: 24
Минимальная толщина: 22.8
Дополнительная информация: с винтами
DYNAMATRIX DBD174
Место установки: передний мост
Диаметр: 263
Высота: 67.3
Масса: 11.78
: TRW
Толщина диска: 22
Минимальная толщина: 20.4
Дополнительная информация: с винтами
E.T.F. 195782
Диаметр: 281
Высота: 73.5
: 19-5782
Толщина диска: 9.6
Минимальная толщина: 8.4
E.T.F. 199131
Диаметр: 263
Высота: 67.5
: 19-9131
Толщина диска: 22
Минимальная толщина: 20.4
E.T.F. 199427
Диаметр: 263
Высота: 65
: 19-9427
Толщина диска: 14.3
Минимальная толщина: 12.7
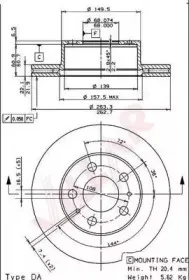
FEBI BILSTEIN 11449
колесный диск: 4 отверстия
Место установки: задний мост
Масса: 4.93
Необходимое количество: 2
: полный
Толщина диска: 9.6
Внешний диаметр: 281
FEBI BILSTEIN 11450
колесный диск: 5 отверстия
Место установки: передний мост
Масса: 5.62
Необходимое количество: 2
: с внутренней вентиляцией
Толщина диска: 22
Внешний диаметр: 263
FERODO DDF080
Место установки: задний мост
Диаметр: 281
Высота: 73.2
Масса: 10.19
: комплект
Толщина диска: 9.6
Минимальная толщина: 8.4
Дополнительная информация: с винтами
FERODO DDF136
Место установки: передний мост
Диаметр: 263
Высота: 65
Масса: 10.58
: комплект
Толщина диска: 14.3
Минимальная толщина: 12.7
Дополнительная информация: с винтами
FERODO DDF163
Место установки: передний мост
Диаметр: 263
Высота: 64.3
Масса: 11.69
: комплект
Толщина диска: 24
Минимальная толщина: 22.8
Дополнительная информация: с винтами
FERODO DDF174
Место установки: передний мост
Диаметр: 263
Высота: 67.3
Масса: 11.78
: комплект
Толщина диска: 22
Минимальная толщина: 20.4
Дополнительная информация: с винтами
FREMAX BD5782
колесный диск: 5 отверстия
Место установки: задний мост
Диаметр: 281
Высота: 73.1
: 68
Толщина диска: 9.6
Минимальная толщина: 8.3
FREMAX BD9131
колесный диск: 5 отверстия
Место установки: передний мост
Диаметр: 263
Высота: 67.3
: 68
Толщина диска: 22
Минимальная толщина: 20.3
FREMAX BD9427
колесный диск: 5 отверстия
Место установки: передний мост
Диаметр: 263
Высота: 65
: 68
Толщина диска: 14.3
Минимальная толщина: 12.6
fri.tech. BD0046
: 68
Диаметр: 280.5
Высота: 73
Толщина диска: 9.5
Минимальная толщина: 8.4
fri.tech. BD0266
: 68
Диаметр: 263
Высота: 67.5
Толщина диска: 22
Минимальная толщина: 20.4
FTE BS3121
Диаметр: 281
Высота: 73.5
: 108
Толщина диска: 9.7
Минимальная толщина: 8.4
FTE BS3121B
Диаметр: 281
Высота: 73.5
: с покрытием
Толщина диска: 9.7
Минимальная толщина: 8.4
FTE BS3457
Диаметр: 263
Высота: 67.6
: 108
Толщина диска: 22
Минимальная толщина: 20.4
GIRLING 6016744
Диаметр: 281
Высота: 73.3
: лакированный
Толщина диска: 9.6
Минимальная толщина: 8.4
Цвет: черный
GIRLING 6016871
Диаметр: 263
Высота: 67.3
: лакированный
Толщина диска: 22
Минимальная толщина: 20.8
Цвет: черный
HELLA 8DD355100341
Диаметр: 263
Высота: 67.3
Масса: 5.62
: 54011
Толщина диска: 22
Минимальная толщина: 20.4
Дополнительная информация: без ступицы
HELLA 8DD355100451
Диаметр: 263
Высота: 65
Масса: 5.17
: 54004
Толщина диска: 14.3
Минимальная толщина: 12.7
Дополнительная информация: без ступицы
HELLA 8DD355100461
Диаметр: 263
Высота: 64.3
Масса: 5.83
: 54010
Толщина диска: 24
Минимальная толщина: 22.8
Дополнительная информация: без ступицы
HELLA 8DD355100891
Диаметр: 281
Высота: 73.5
Масса: 4.9
: 54001
Толщина диска: 9.5
Минимальная толщина: 8.4
Дополнительная информация: без ступицы
ICER 78BD57821
Исп. моста: Rear
Толщина: 9.6 мм
Диаметр: 281
Высота: 73.2
Масса: 5.35
: 78BD5782-1
Минимальная толщина: 8.4
ICER 78BD91312
Исп. моста: Front
Толщина: 22 мм
Диаметр: 263
Высота: 67.5
Масса: 12.09
: 78BD9131-2
Минимальная толщина: 20.3
JP GROUP 4963200109
Место установки: задний мост
Диаметр: 281
: 9/5
Толщина диска: 9.7
JURID 561115J
Место установки: передний мост
Диаметр: 263
Высота: 65
: 108
Толщина диска: 14.4
Минимальная толщина: 13
JURID 561116J
Место установки: задний мост
Диаметр: 281
Высота: 73.5
: 108
Толщина диска: 9.6
Минимальная толщина: 8.4
JURID 561116JC
Место установки: задний мост
Диаметр: 281
Высота: 73.5
: JC
Толщина диска: 9.6
Минимальная толщина: 8.4
JURID 561174J
Место установки: передний мост
Диаметр: 264
Высота: 64.5
: 108
Толщина диска: 24
Минимальная толщина: 22.8
JURID 561185J
Место установки: передний мост
Диаметр: 263
Высота: 67.5
: 108
Толщина диска: 22
Минимальная толщина: 20
JURID 561185JC
Место установки: передний мост
Диаметр: 263
Высота: 67.5
: JC
Толщина диска: 22
Минимальная толщина: 20
KAWE 38294
Место установки: передний мост
Диаметр: 264
Высота: 64.5
: 103
Толщина диска: 24
KAWE 623300
Место установки: передний мост
Диаметр: 263
Высота: 65
Масса: 5.1
: 68
Толщина диска: 14
Минимальная толщина: 12.7
KAWE 628300
Место установки: задний мост
: 68
Диаметр: 281
Высота: 73.2
Масса: 5.2
Толщина диска: 9.6
Минимальная толщина: 8.4
KAWE 640910
Место установки: передний мост
: 68
Диаметр: 263
Высота: 67.3
Масса: 5.7
Толщина диска: 22
Минимальная толщина: 20.4
KRAFT AUTOMOTIVE 6056310
Диаметр: 281
Высота: 73.3
: 68
Толщина диска: 9.6
дюймы: 6056310
LEMFÖRDER 1909102
Место установки: задний мост
Диаметр: 281
Высота: 73.2
: 04/09
Толщина диска: 9.5
Минимальная толщина: 8.4
LEMFÖRDER 1909302
Место установки: передний мост
Диаметр: 263
Высота: 67.3
: 05/07
Толщина диска: 22
Минимальная толщина: 20.4
LPR V1031P
Диаметр: 263
Высота: 65
: TRW
Толщина диска: 14
Минимальная толщина: 13.1
LPR V1041P
Диаметр: 281
Высота: 74
: TRW
Толщина диска: 10
Минимальная толщина: 8.4
LPR V1091V
Диаметр: 263
Высота: 68
: TRW
Толщина диска: 22
Минимальная толщина: 20.4
MAPCO 15976
Место установки: задний мост
Качество: Kreuzschliff
Диаметр: 281
Масса: 4.95
: 108
Толщина диска: 9.6
Минимальная толщина: 8.4
MAXGEAR 192618
Место установки: задний мост
Диаметр: 281
Высота: 73.2
Масса: 5
: 16
Толщина диска: 9.5
Минимальная толщина: 8.4
Дополнительная информация: без ступицы
MAXGEAR 192766
колесный диск: 5 отверстия
Место установки: передний мост
Диаметр: 263
Высота: 65.3
Масса: 5.04
: 68
Толщина диска: 14.4
Минимальная толщина: 13
MAXGEAR 192766SPORT
колесный диск: 5 отверстия
Место установки: передний мост
Диаметр: 263
Высота: 65.3
Масса: 5.04
: 68
Толщина диска: 14.4
Минимальная толщина: 13
METELLI 230074
: 68
Диаметр: 280.5
Высота: 73
Толщина диска: 9.5
Минимальная толщина: 8.4
METELLI 230225
: 68
Диаметр: 263
Высота: 67.5
Толщина диска: 22
Минимальная толщина: 20.4
METZGER 6110452
вар. оснащения: beschichtet
Диаметр: 281
Высота: 73.4
: 110
Толщина диска: 9.6
Минимальная толщина: 8.4
Дополнительная информация: С комлектом установочных винтов
MEYLE 5155215004
Место установки: передний мост
Высота: 67.3
Необходимое количество: 2
: 108
Толщина диска: 22
Минимальная толщина: 20.8
Внешний диаметр: 263
подходящий для термостата с температурой открытия: 16.5 °С
MEYLE 5155215004PD
Место установки: передний мост
Высота: 67.3
Необходимое количество: 2
: не хромированное (Cr VI) покрытие
Толщина диска: 22
Минимальная толщина: 20.8
Внешний диаметр: 263
MEYLE 5155215009PD
Место установки: передний мост
Высота: 65
Необходимое количество: 2
: оцинкованная
Толщина диска: 14.3
Минимальная толщина: 12.7
Внешний диаметр: 263
MEYLE 5155215013
Место установки: задний мост
Высота: 73.2
Необходимое количество: 2
: 108
Толщина диска: 9.5
Минимальная толщина: 8.4
Внешний диаметр: 281
подходящий для термостата с температурой открытия: 16.5 °С
MEYLE 5155215013PD
Место установки: задний мост
Высота: 73.2
Необходимое количество: 2
: не хромированное (Cr VI) покрытие
Толщина диска: 9.5
Минимальная толщина: 8.4
Внешний диаметр: 281
MINTEX MDC1087
Диаметр: 263
Высота: 64.3
Масса: 5.83
: 108
Толщина диска: 24
Минимальная толщина: 22.8
Дополнительная информация: без ступицы
MINTEX MDC20
Диаметр: 263
Высота: 65
Масса: 5.17
: 108
Толщина диска: 14.3
Минимальная толщина: 12.7
Дополнительная информация: без ступицы
MINTEX MDC21
Диаметр: 281
Высота: 73.5
Масса: 4.9
: 16
Толщина диска: 9.5
Минимальная толщина: 8.4
Дополнительная информация: без ступицы
MINTEX MDC543
Диаметр: 263
Высота: 67.3
Масса: 5.62
: 15
Толщина диска: 22
Минимальная толщина: 20.4
Дополнительная информация: без ступицы
NATIONAL NBD071
Место установки: задний мост
Диаметр: 281
Высота: 73.5
: 5
Толщина диска: 9.5
Минимальная толщина: 8.4
NK 204806
колесный диск: 5 отверстия
Диаметр: 263
Высота: 65.3
Масса: 5.04
: 68
Толщина диска: 14.4
Минимальная толщина: 13
NK 204807
колесный диск: 5 отверстия
Диаметр: 281
Высота: 73.5
Масса: 4.85
: 68
Толщина диска: 9.7
Минимальная толщина: 8.4
NK 204809
колесный диск: 5 отверстия
Диаметр: 263
Высота: 67.6
Масса: 5.7
: 68
Толщина диска: 22
Минимальная толщина: 20.4
NK 204810
колесный диск: 5 отверстия
Диаметр: 263
Высота: 64.3
Масса: 5.99
: 68
Толщина диска: 24
Минимальная толщина: 22.8
NK 314807
колесный диск: 5 отверстия
Диаметр: 281
Высота: 73.5
Масса: 4.85
: с покрытием
Толщина диска: 9.7
Минимальная толщина: 8.4
OPTIMAL BS2330
Место установки: передний мост
Диаметр: 263
Высота: 65
: 68
Толщина диска: 14.3
Минимальная толщина: 12.7
OPTIMAL BS2830
Место установки: задний мост
Диаметр: 281
Высота: 73.2
: 68
Толщина диска: 9.6
Минимальная толщина: 8.4
OPTIMAL BS2830C
Место установки: задний мост
Диаметр: 281
Высота: 73.2
: с покрытием
Толщина диска: 9.6
Минимальная толщина: 8.4
OPTIMAL BS4090
Место установки: передний мост
Диаметр: 263
Высота: 67.3
: 68
Толщина диска: 22
Минимальная толщина: 20.4
OPTIMAL BS4090C
Место установки: передний мост
Диаметр: 263.2
Высота: 67.3
: 68
Толщина диска: 22.1
Минимальная толщина: 20.4
PATRON PBD1674
Диаметр: 281
Высота: 73.3
: лакированный
Толщина диска: 9.6
Минимальная толщина: 8.4
Цвет: черный
PILENGA 5162
Место установки: передний мост
Диаметр: 263
Высота: 65
: 2
Толщина диска: 14.3
Минимальная толщина: 12.7
PILENGA 5163
Место установки: задний мост
Диаметр: 281
Высота: 73.5
: 5
Толщина диска: 9.6
Минимальная толщина: 8.4
PILENGA V165
Место установки: передний мост
Диаметр: 263
Высота: 67.3
: 2
Толщина диска: 22
Минимальная толщина: 20.4
PROTECHNIC PRD1178
Диаметр: 263
Высота: 65
: 11
Толщина диска: 14.3
Минимальная толщина: 12.7
Дополнительная информация: с винтами
PROTECHNIC PRD2236
Диаметр: 263
Высота: 67.3
: 11
Толщина диска: 22
Минимальная толщина: 20.4
Дополнительная информация: с винтами
PROTECHNIC PRD5153
Диаметр: 281
Высота: 73.2
: 11
Толщина диска: 9.6
Минимальная толщина: 8.4
Дополнительная информация: с винтами
QUINTON HAZELL BDC3121
Диаметр: 281
Высота: 73.3
: 68
Толщина диска: 9.6
Минимальная толщина: 8.4
QUINTON HAZELL BDC3122
Диаметр: 263
Высота: 65
: 68
Толщина диска: 14.3
Минимальная толщина: 13.1
QUINTON HAZELL BDC3457
Диаметр: 263
Высота: 67.3
: 68
Толщина диска: 22
Минимальная толщина: 20.4
REMSA 623300
Место установки: передний мост
Диаметр: 263
Высота: 65
Масса: 5.1
: 68
Толщина диска: 14
Минимальная толщина: 12.7
REMSA 628300
Место установки: задний мост
: 68
Диаметр: 281
Высота: 73.2
Масса: 5.2
Толщина диска: 9.6
Минимальная толщина: 8.4
REMSA 640910
Место установки: передний мост
: 68
Диаметр: 263
Высота: 67.3
Масса: 5.7
Толщина диска: 22
Минимальная толщина: 20.4
ROADHOUSE 623300
Место установки: передний мост
Диаметр: 263
Высота: 65
Масса: 5.1
: 68
Толщина диска: 14
Минимальная толщина: 12.7
ROADHOUSE 628300
Место установки: задний мост
: 68
Диаметр: 281
Высота: 73.2
Масса: 5.2
Толщина диска: 9.6
Минимальная толщина: 8.4
ROADHOUSE 640910
Место установки: передний мост
: 68
Диаметр: 263
Высота: 67.3
Масса: 5.7
Толщина диска: 22
Минимальная толщина: 20.4
sbs 1815204806
колесный диск: 5 отверстия
Диаметр: 263
Высота: 65.3
Масса: 5.04
: 68
Толщина диска: 14.4
Минимальная толщина: 13
sbs 1815204807
колесный диск: 5 отверстия
Диаметр: 281
Высота: 73.5
Масса: 4.85
: 68
Толщина диска: 9.7
Минимальная толщина: 8.4
sbs 1815204809
колесный диск: 5 отверстия
Диаметр: 263
Высота: 67.6
Масса: 5.7
: 68
Толщина диска: 22
Минимальная толщина: 20.4
sbs 1815204810
колесный диск: 5 отверстия
Диаметр: 263
Высота: 64.3
Масса: 5.99
: 68
Толщина диска: 24
Минимальная толщина: 22.8
sbs 1815314806
колесный диск: 5 отверстия
Диаметр: 263
Высота: 65.3
: с покрытием
Толщина диска: 14.4
Минимальная толщина: 13
sbs 1815314807
колесный диск: 5 отверстия
Диаметр: 281
Высота: 73.5
Масса: 4.85
: с покрытием
Толщина диска: 9.7
Минимальная толщина: 8.4
sbs 1815314809
колесный диск: 5 отверстия
Диаметр: 263
Высота: 67.6
: с покрытием
Толщина диска: 22
Минимальная толщина: 20.4
sbs 1815314810
колесный диск: 5 отверстия
Диаметр: 263
Высота: 64.3
: с покрытием
Толщина диска: 24
Минимальная толщина: 22.8
STELLOX 60204807SX
Место установки: задний мост
Диаметр: 281
Высота: 73.2
: 108
Толщина диска: 9.7
Минимальная толщина: 8.4
STOP 561116S
Место установки: задний мост
Диаметр: 281
Высота: 73.5
: комплект
Толщина диска: 9.6
Минимальная толщина: 8.4
STOP 561185S
Место установки: передний мост
Диаметр: 263.5
Высота: 67.3
: Lucas
Толщина диска: 22
Минимальная толщина: 20
SWAG 55911449
колесный диск: 4 отверстия
Место установки: задний мост
Масса: 4.93
Необходимое количество: 2
: полный
Толщина диска: 9.6
Внешний диаметр: 281
SWAG 55911450
колесный диск: 5 отверстия
Место установки: передний мост
Масса: 5.62
Необходимое количество: 2
: с внутренней вентиляцией
Толщина диска: 22
Внешний диаметр: 263
TEXTAR 92018600
Диаметр: 263
Высота: 67.3
Масса: 5.62
: 15
Толщина диска: 22
Минимальная толщина: 20.4
Дополнительная информация: без ступицы
TEXTAR 92021800
Диаметр: 263
Высота: 64.3
Масса: 5.83
: 15
Толщина диска: 24
Минимальная толщина: 22.8
Дополнительная информация: без ступицы
TEXTAR 92031400
Диаметр: 281
Высота: 73.5
Масса: 4.9
: 16
Толщина диска: 9.5
Минимальная толщина: 8.4
Дополнительная информация: без ступицы
TRISCAN 812027105
Диаметр: 263
: 5
Толщина диска: 14.3
TRISCAN 812027106C
Диаметр: 281
: 5
Толщина диска: 9.6
TRISCAN 812027107C
Диаметр: 263
: 5
Толщина диска: 22
TRISCAN 812027122
Диаметр: 263
: 5
Толщина диска: 24
TRUSTING DF046
: 68
Диаметр: 280.5
Высота: 73
Толщина диска: 9.5
Минимальная толщина: 8.4
TRUSTING DF266
: 68
Диаметр: 263
Высота: 67.5
Толщина диска: 22
Минимальная толщина: 20.4
TRW DF1674
Диаметр: 281
Высота: 73.3
: лакированный
Толщина диска: 9.6
Минимальная толщина: 8.4
Цвет: черный
TRW DF1677
Диаметр: 263
Высота: 64
: 108
Толщина диска: 24
Минимальная толщина: 22
TRW DF1687
Диаметр: 263
Высота: 67.3
: лакированный
Толщина диска: 22
Минимальная толщина: 20.8
Цвет: черный
VAICO V9540001
Диаметр: 281
Высота: 73.2
: R90
Толщина диска: 9.6
Минимальная толщина: 8.4
VALEO 186256
колесный диск: 4 отверстия
Место установки: задний мост
Высота: 73.2
Масса: 10.6
: 1
Толщина диска: 9.6
Минимальная толщина: 8.4
Внешний диаметр: 281
VEMA 98583
Место установки: Позиция оси 1
VILLAR 6281609
Диаметр: 263
Высота: 67.3
: 110
Толщина диска: 22
Минимальная толщина: 20.4
Дополнительная информация: с винтами
VILLAR 6281626
Диаметр: 263
Высота: 64.3
: 110
Толщина диска: 24
Минимальная толщина: 22.8
Дополнительная информация: с винтами
VILLAR 6281627
Диаметр: 281
Высота: 73.2
: 110
Толщина диска: 9.6
Минимальная толщина: 8.4
Дополнительная информация: с винтами
VILLAR 6281628
Диаметр: 263
Высота: 65
: 110
Толщина диска: 14.3
Минимальная толщина: 12.7
Дополнительная информация: с винтами
WOKING D623300
Место установки: передний мост
Диаметр: 263
Высота: 65
Масса: 5.1
: 68
Толщина диска: 14
Минимальная толщина: 12.7
WOKING D628300
Место установки: задний мост
: 68
Диаметр: 281
Высота: 73.2
Масса: 5.2
Толщина диска: 9.6
Минимальная толщина: 8.4
WOKING D640910
Место установки: передний мост
: 68
Диаметр: 263
Высота: 67.3
Масса: 5.7
Толщина диска: 22
Минимальная толщина: 20.4
ZIMMERMANN 610117120
Толщина: 9.7 мм
Высота: 73.5
Масса: 5
: 68
Минимальная толщина: 8.6
Внешний диаметр: 281
ZIMMERMANN 610117152
№ ABE: KBA 60934
Толщина: 9.7 мм
Высота: 73.5
Масса: 5
: 68
Минимальная толщина: 8.6
Внешний диаметр: 281
ZIMMERMANN 610118220
Толщина: 22 мм
Высота: 67.5
Масса: 5.6
: 68
Минимальная толщина: 20.4
Внешний диаметр: 263
ZIMMERMANN 610118252
№ ABE: KBA 60872
Толщина: 22 мм
Высота: 67.5
Масса: 5.6
: 68
Минимальная толщина: 20.4
Внешний диаметр: 263
Двигатель
VOLVO 240 Kombi (P245) 2.1
Код двигателя: B 21 A
VOLVO 240 Kombi (P245) 2.1 Код двигателя : B 21 A
Объем двигателя(куб.см): 2127 ccm
Мощность двигателя(кВт/л.с.): 100 PS
VOLVO 240 Kombi (P245) 2.1 Код двигателя : B 21 F
Объем двигателя(куб.см): 2127 ccm
Мощность двигателя(кВт/л.с.): 109 PS
VOLVO 240 Kombi (P245) 2.1 Код двигателя : B 21 E
Объем двигателя(куб.см): 2127 ccm
Мощность двигателя(кВт/л.с.): 122 PS
VOLVO 240 Kombi (P245) 2.1 Turbo Код двигателя : B 21 ET
Объем двигателя(куб.см): 2127 ccm
Мощность двигателя(кВт/л.с.): 155 PS
VOLVO 240 Kombi (P245) 2.3 Код двигателя : B 230 A
Объем двигателя(куб.см): 2316 ccm
Мощность двигателя(кВт/л.с.): 110 PS
VOLVO 240 Kombi (P245) 2.3 Код двигателя : B 23 A
Объем двигателя(куб.см): 2316 ccm
Мощность двигателя(кВт/л.с.): 112 PS
VOLVO 240 Kombi (P245) 2.3 Код двигателя : B 230 F
Объем двигателя(куб.см): 2316 ccm
Мощность двигателя(кВт/л.с.): 113 PS
VOLVO 240 Kombi (P245) 2.3 Код двигателя : B 230 E
Объем двигателя(куб.см): 2316 ccm
Мощность двигателя(кВт/л.с.): 131 PS
VOLVO 240 Kombi (P245) 2.3 Код двигателя : B 23 E
Объем двигателя(куб.см): 2316 ccm
Мощность двигателя(кВт/л.с.): 133 PS
VOLVO 240 Kombi (P245) 2.4 Diesel Код двигателя : D 24
Объем двигателя(куб.см): 2383 ccm
Мощность двигателя(кВт/л.с.): 79 PS
VOLVO 240 Kombi (P245) 2.4 Diesel Код двигателя : D 24
Объем двигателя(куб.см): 2383 ccm
Мощность двигателя(кВт/л.с.): 82 PS
VOLVO 240 Kombi (P245) 2.3 i Cat Код двигателя : B 230 F
Объем двигателя(куб.см): 2316 ccm
Мощность двигателя(кВт/л.с.): 115 PS
VOLVO 240 Kombi (P245) 2.3 Код двигателя : B 23 E
Объем двигателя(куб.см): 2316 ccm
Мощность двигателя(кВт/л.с.): 136 PS
VOLVO 240 Kombi (P245) 2.0 Код двигателя : B 20 A
Объем двигателя(куб.см): 1986 ccm
Мощность двигателя(кВт/л.с.): 82 PS
VOLVO 240 Kombi (P245) 2.0 Код двигателя : B 19 K
Объем двигателя(куб.см): 1986 ccm
Мощность двигателя(кВт/л.с.): 97 PS
VOLVO 240 Kombi (P245) 2.1 Код двигателя : B 21 A
Объем двигателя(куб.см): 2127 ccm
Мощность двигателя(кВт/л.с.): 97 PS
VOLVO 240 Kombi (P245) 2.0 Код двигателя : B 19 A
Объем двигателя(куб.см): 1986 ccm
Мощность двигателя(кВт/л.с.): 90 PS
VOLVO 240 Kombi (P245) 2.0 Код двигателя : B 200 K
Объем двигателя(куб.см): 1986 ccm
Мощность двигателя(кВт/л.с.): 103 PS
VOLVO 240 Kombi (P245) 2.7 GLT6 Код двигателя : B 27 E
Объем двигателя(куб.см): 2664 ccm
Мощность двигателя(кВт/л.с.): 141 PS
VOLVO 240 Kombi (P245) 2.0 Код двигателя : B 200 E
Объем двигателя(куб.см): 1986 ccm
Мощность двигателя(кВт/л.с.): 117 PS
VOLVO 240 Kombi (P245) 2.1 Код двигателя : B 21 A
Объем двигателя(куб.см): 2127 ccm
Мощность двигателя(кВт/л.с.): 107 PS
VOLVO 240 Kombi (P245) 2.3 Код двигателя : B 230 K
Объем двигателя(куб.см): 2316 ccm
Мощность двигателя(кВт/л.с.): 115 PS
VOLVO 240 Kombi (P245) 2.3 Cat Код двигателя : B 230 F
Объем двигателя(куб.см): 2316 ccm
Мощность двигателя(кВт/л.с.): 136 PS
VOLVO 240 Kombi (P245) 2.0 Код двигателя : B 19 ET
Объем двигателя(куб.см): 1986 ccm
Мощность двигателя(кВт/л.с.): 136 PS
VOLVO 240 Kombi (P245) 2.1 Код двигателя : B 21 E
Объем двигателя(куб.см): 2127 ccm
Мощность двигателя(кВт/л.с.): 117 PS
VOLVO 240 Kombi (P245) 2.8 Код двигателя : B 28 A
Объем двигателя(куб.см): 2849 ccm
Мощность двигателя(кВт/л.с.): 129 PS
VOLVO 240 Kombi (P245) 2.0 D Код двигателя : D 20
Объем двигателя(куб.см): 1985 ccm
Мощность двигателя(кВт/л.с.): 68 PS
VOLVO 240 Kombi (P245) 2.8 Код двигателя : B 28 E
Объем двигателя(куб.см): 2849 ccm
Мощность двигателя(кВт/л.с.): 155 PS
VOLVO 240 Kombi (P245) 2.0 Код двигателя : B 200 F
Объем двигателя(куб.см): 1986 ccm
Мощность двигателя(кВт/л.с.): 111 PS
VOLVO 240 Kombi (P245) 2.1 Код двигателя : B 21 FT
Объем двигателя(куб.см): 2127 ccm
Мощность двигателя(кВт/л.с.): 165 PS
VOLVO 240 Kombi (P245) 2.3 Код двигателя : B 230 F
Объем двигателя(куб.см): 2316 ccm
Мощность двигателя(кВт/л.с.): 114 PS
VOLVO 240 Kombi (P245) 2.0 T Код двигателя : B 19 ET
Объем двигателя(куб.см): 1986 ccm
Мощность двигателя(кВт/л.с.): 144 PS

Категории

Кнопка связи