top
BOSCH 0986479397
BOSCH 0986479398
BOSCH 0986479620
BREMBO 08A53611
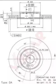
Диаметр: 302
Высота: 69.2
: с покрытием
Толщина диска: 12
Минимальная толщина: 10
BREMBO 09A42611
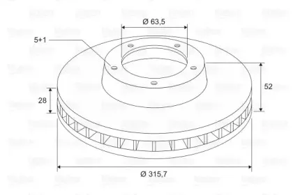
Диаметр: 316
Высота: 52
: с покрытием
Толщина диска: 28
Минимальная толщина: 26
BREMBO 09A42711
Диаметр: 300
Высота: 52
: с покрытием
Толщина диска: 28
Минимальная толщина: 26
FERODO DDF1567C
Место установки: передний мост
Диаметр: 300
Высота: 52
Масса: 8.98
: 15.8
Толщина диска: 28
Минимальная толщина: 26
FERODO DDF1681C
Место установки: задний мост
Диаметр: 302
Высота: 40.8
Масса: 6.73
: комплект
Толщина диска: 22
Минимальная толщина: 20
ZIMMERMANN 250136052
№ ABE: KBA 60872
Толщина: 28 мм
Высота: 52
Масса: 8.7
: 63.5
Минимальная толщина: 26
Внешний диаметр: 300
ZIMMERMANN 610371152
№ ABE: KBA 60872
Толщина: 28 мм
Высота: 52
Масса: 10.2
: 63.5
Минимальная толщина: 26
Внешний диаметр: 316
ZIMMERMANN 610371420
Толщина: 11 мм
Высота: 40.8
Масса: 4.9
: 63.5
Минимальная толщина: 9
Внешний диаметр: 302
A.B.S. 17752
колесный диск: 5 отверстия
Диаметр: 300
Высота: 52.3
Масса: 9.18
: 63.4
Толщина диска: 28
Минимальная толщина: 26
A.B.S. 17753
колесный диск: 5 отверстия
Диаметр: 316
Высота: 52.3
Масса: 10.1
: 63.4
Толщина диска: 28
Минимальная толщина: 26
A.B.S. 17908
колесный диск: 5 отверстия
Диаметр: 302
Высота: 40.7
Масса: 5.05
: 63.6
Толщина диска: 11
Минимальная толщина: 9
A.B.S. 17930
колесный диск: 5 отверстия
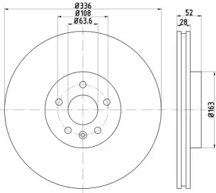
Диаметр: 336
Высота: 52.2
Масса: 11.17
: 63.5
Толщина диска: 28
Минимальная толщина: 26
A.B.S. 17931
колесный диск: 5 отверстия
Диаметр: 302
Высота: 41
Масса: 6.82
: 63.5
Толщина диска: 22
Минимальная толщина: 20
A.B.S. 17933
колесный диск: 5 отверстия
Диаметр: 302
Высота: 69.4
Масса: 6.56
: 63.5
Толщина диска: 12
Минимальная толщина: 10
ABE C3G044ABE
Диаметр: 316
Высота: 52
Толщина диска: 28
: 63.5
ABE C4V011ABE
Диаметр: 301.6
Толщина диска: 11
Минимальная толщина: 9
: 40.7
ABE C4V012ABE
Диаметр: 302
Толщина диска: 12
Минимальная толщина: 10
: 69.3
ABE C4V014ABE
Диаметр: 302
Высота: 40.8
Толщина диска: 22
: 63.5
ACEMARK 242815
Место установки: передний мост
Диаметр: 300
Высота: 52
: 108
Толщина диска: 28
Минимальная толщина: 26
AP 14966
Диаметр: 302
Высота: 40.7
: 140
Толщина диска: 11
Минимальная толщина: 9
AP 14966V
Диаметр: 302
Высота: 40.7
: с покрытием
Толщина диска: 11
Минимальная толщина: 9
AP 14972
Диаметр: 302
Высота: 69.2
: 140
Толщина диска: 12
Минимальная толщина: 10
AP 14972V
Диаметр: 302
Высота: 69.2
: с покрытием
Толщина диска: 12
Минимальная толщина: 10
AP 25107V
Диаметр: 336
Высота: 52
: с покрытием
Толщина диска: 28
Минимальная толщина: 26
AP 25108V
Диаметр: 302
Высота: 40.8
: с покрытием
Толщина диска: 22
Минимальная толщина: 20
AP 25159
Диаметр: 300
Высота: 52
: 170
Толщина диска: 28
Минимальная толщина: 26
AP 25159V
Диаметр: 300
Высота: 52
: с покрытием
Толщина диска: 28
Минимальная толщина: 26
AP 25159X
Диаметр: 300
Высота: 52
: с покрытием
Толщина диска: 28
Минимальная толщина: 26.5
AP 25180
Диаметр: 316
Высота: 52
: 170
Толщина диска: 28
Минимальная толщина: 26
AP 25180V
Диаметр: 316
Высота: 52
: с покрытием
Толщина диска: 28
Минимальная толщина: 26
AP 25180X
Диаметр: 316
Высота: 52
: с покрытием
Толщина диска: 28
Минимальная толщина: 26.5
ATE 24011101471
Диаметр: 302
Высота: 40.8
:
Толщина диска: 11
Минимальная толщина: 9
Дополнительная информация: с винтами
ATE 24011201801
Диаметр: 302
Высота: 69.2
:
Толщина диска: 12
Минимальная толщина: 10
Дополнительная информация: с винтами
ATE 24012202591
Диаметр: 302
Высота: 40.8
:
Толщина диска: 22
Минимальная толщина: 20
Дополнительная информация: с винтами
ATE 24012801541
Диаметр: 300
Высота: 52
:
Толщина диска: 28
Минимальная толщина: 26
Дополнительная информация: с винтами
ATE 24012801621
Диаметр: 316
Высота: 52
:
Толщина диска: 28
Минимальная толщина: 26
Дополнительная информация: с винтами
ATE 24012802101
Диаметр: 336
Высота: 52
:
Толщина диска: 28
Минимальная толщина: 26
Дополнительная информация: с винтами
ATE 24032801541
Диаметр: 300
Высота: 52
:
Толщина диска: 28
Минимальная толщина: 26
Дополнительная информация: с винтами
ATE 24032801621
Диаметр: 316
Высота: 52
:
Толщина диска: 28
Минимальная толщина: 26
Дополнительная информация: с винтами
AUTOMOTOR France ADC4689
Диаметр: 300
Высота: 52
: 108
Толщина диска: 28
Минимальная толщина: 26
BLUE PRINT ADF124306
колесный диск: 5 отверстия
Место установки: задний мост
Толщина: 40.7 мм
Масса: 5.5
Необходимое количество: 2
:
Толщина диска: 11
Минимальная толщина: 9
Внешний диаметр: 302
BORG & BECK BBD4730
Диаметр: 302
: 11
Минимальная толщина: 9
BORG & BECK BBD4759
Диаметр: 302
: 22
Минимальная толщина: 20
BORG & BECK BBD5800S
Диаметр: 316
: 28
Минимальная толщина: 26
BORG & BECK BBD5960S
Диаметр: 336
: 28
Минимальная толщина: 26
BOSCH 0986479395
Диаметр: 336
: 63.5
Толщина диска: 28
Минимальная толщина: 26
BOSCH 0986479396
Диаметр: 302
: E1 90R-02C0241/0559
Толщина диска: 12
Минимальная толщина: 10
BOSCH 0986479974
Диаметр: 300
: 63.5
Толщина диска: 28
Минимальная толщина: 26
BRECK BR392VA100
Диаметр: 300
Высота: 52
: 108
Толщина диска: 28
Минимальная толщина: 26
Цвет: серый
Дополнительная информация: без подшипника
BRECK BR418VH100
Диаметр: 316
Высота: 52
: 108
Толщина диска: 28
Минимальная толщина: 26
Цвет: серый
Дополнительная информация: без подшипника
BRECO BS7757
Диаметр: 302
Высота: 40.7
: 140
Толщина диска: 11
Минимальная толщина: 9
BRECO BS7763
Диаметр: 302
Высота: 69.2
: 140
Толщина диска: 12
Минимальная толщина: 10
BRECO BS8769
Диаметр: 300
Высота: 52
: 170
Толщина диска: 28
Минимальная толщина: 26
BRECO BS8790
Диаметр: 316
Высота: 52
: 170
Толщина диска: 28
Минимальная толщина: 26
BRECO BV7757
Диаметр: 302
Высота: 40.7
: с покрытием
Толщина диска: 11
Минимальная толщина: 9
BRECO BV7763
Диаметр: 302
Высота: 69.2
: с покрытием
Толщина диска: 12
Минимальная толщина: 10
BRECO BV8716
Диаметр: 336
Высота: 52
: с покрытием
Толщина диска: 28
Минимальная толщина: 26
BRECO BV8717
Диаметр: 302
Высота: 40.8
: с покрытием
Толщина диска: 22
Минимальная толщина: 20
BRECO BV8769
Диаметр: 300
Высота: 52
: с покрытием
Толщина диска: 28
Минимальная толщина: 26
BRECO BV8790
Диаметр: 316
Высота: 52
: с покрытием
Толщина диска: 28
Минимальная толщина: 26
BREMBO 08A53610
Диаметр: 302
Высота: 69.2
: 140
Толщина диска: 12
Минимальная толщина: 10
BREMBO 08A53710
Диаметр: 302
Высота: 40.7
: 140
Толщина диска: 11
Минимальная толщина: 9
BREMBO 08A53711
Диаметр: 302
Высота: 40.7
: с покрытием
Толщина диска: 11
Минимальная толщина: 9
BREMBO 09958611
Диаметр: 336
Высота: 52
: с покрытием
Толщина диска: 28
Минимальная толщина: 26
BREMBO 09958711
Диаметр: 302
Высота: 40.8
: с покрытием
Толщина диска: 22
Минимальная толщина: 20
BREMBO 09A42610
Диаметр: 316
Высота: 52
: 170
Толщина диска: 28
Минимальная толщина: 26
BREMBO 09A4261X
Диаметр: 316
Высота: 52
: с покрытием
Толщина диска: 28
Минимальная толщина: 26.5
BREMBO 09A42710
Диаметр: 300
Высота: 52
: 170
Толщина диска: 28
Минимальная толщина: 26
BREMBO 09A4271X
Диаметр: 300
Высота: 52
: с покрытием
Толщина диска: 28
Минимальная толщина: 26.5
BSG BSG30210024
Место установки: передний мост
Диаметр: 300
Высота: 52
Масса: 17.95
: комплект
Толщина диска: 28
Минимальная толщина: 26
Дополнительная информация: без винтов
CAR 1421365
Диаметр: 300
Высота: 52
Масса: 8.81
: 142.1365
Толщина диска: 28
Минимальная толщина: 26
CAR 1421366
Диаметр: 300
Высота: 52
Масса: 8.87
: 142.1366
Толщина диска: 28
Минимальная толщина: 26
CAR 1421399
Диаметр: 316
Высота: 52
Масса: 10.19
: 142.1399
Толщина диска: 28
Минимальная толщина: 26
CAR 1421489
Диаметр: 302
Высота: 40.8
Масса: 6.67
: 142.1489
Толщина диска: 22
Минимальная толщина: 20
CAR 1421527
Диаметр: 336
Высота: 52
Масса: 11.36
: 142.1527
Толщина диска: 28
Минимальная толщина: 26
CAR 1421537
Диаметр: 302
Высота: 69.2
Масса: 6.55
: 142.1537
Толщина диска: 12
Минимальная толщина: 10
CAR 1421538
Диаметр: 302
Высота: 40.8
Масса: 4.99
: 142.1538
Толщина диска: 11
Минимальная толщина: 9
CAR HPD1365
Диаметр: 300
Высота: 52
Масса: 8.81
: HPD 1365
Толщина диска: 28
Минимальная толщина: 26
CAR HPD1366
Диаметр: 300
Высота: 52
Масса: 8.87
: HPD 1366
Толщина диска: 28
Минимальная толщина: 26
CAR HPD1399
Диаметр: 316
Высота: 52
Масса: 10.19
: HPD 1399
Толщина диска: 28
Минимальная толщина: 26
CIFAM 8001202C
Место установки: задний мост
: лакированный
Диаметр: 302
Высота: 69.3
Толщина диска: 12
Минимальная толщина: 10
CIFAM 800896C
Место установки: передний мост
: лакированный
Диаметр: 300
Высота: 52
Толщина диска: 28
Минимальная толщина: 26
CIFAM 800992C
Место установки: задний мост
: лакированный
Диаметр: 302
Высота: 41
Толщина диска: 11
Минимальная толщина: 9
CIFAM 800993C
Место установки: задний мост
: лакированный
Диаметр: 302
Высота: 40.8
Толщина диска: 22
Минимальная толщина: 20
COMLINE ADC1237V
Место установки: передний мост
Высота: 52
: с покрытием
Толщина диска: 28
Минимальная толщина: 26
Внешний диаметр: 300
COMLINE ADC1251V
Место установки: передний мост
Высота: 52.3
: с покрытием
Толщина диска: 28
Минимальная толщина: 26
Внешний диаметр: 316
COMLINE ADC1921V
Место установки: задний мост
Высота: 41
: 108
Толщина диска: 22
Минимальная толщина: 20
Внешний диаметр: 302
COMLINE ADC1922
Место установки: задний мост
Высота: 41
: 108
Толщина диска: 11
Минимальная толщина: 9
Внешний диаметр: 302
COMLINE ADC1923
Место установки: задний мост
Высота: 69.5
: 108
Толщина диска: 12
Минимальная толщина: 10
Внешний диаметр: 302
COMLINE ADC1924V
Место установки: передний мост
Высота: 52
: 108
Толщина диска: 28
Минимальная толщина: 26
Внешний диаметр: 336
COMLINE AND6018
Место установки: передний мост
Высота: 52
: с покрытием
Толщина диска: 28
Минимальная толщина: 26
Внешний диаметр: 300
COMLINE AND6417
Место установки: задний мост
Высота: 41
: с покрытием
Толщина диска: 11
Минимальная толщина: 9
Внешний диаметр: 302
COMLINE AND6495
Место установки: передний мост
Высота: 52.3
: с покрытием
Толщина диска: 28
Минимальная толщина: 26
Внешний диаметр: 316
COMLINE AND6772
Место установки: задний мост
Высота: 41
: с покрытием
Толщина диска: 22
Минимальная толщина: 20
Внешний диаметр: 302
COMLINE AND6928
Место установки: задний мост
Высота: 69.5
: с покрытием
Толщина диска: 12
Минимальная толщина: 10
Внешний диаметр: 302
COMLINE AND6929
Место установки: передний мост
Высота: 52
: с покрытием
Толщина диска: 28
Минимальная толщина: 26
Внешний диаметр: 336
DELPHI BG4094
Диаметр: 300
: 52
Толщина диска: 28
Минимальная толщина: 26
DELPHI BG4094C
Диаметр: 300
: 52
Толщина диска: 28
Минимальная толщина: 26
DELPHI BG4238
Диаметр: 302
: 69.3
Толщина диска: 12
Минимальная толщина: 10
DELPHI BG4238C
Диаметр: 302
: 69.3
Толщина диска: 12
Минимальная толщина: 10
DELPHI BG4239
Диаметр: 302
: 40.7
Толщина диска: 11
Минимальная толщина: 9
DELPHI BG4239C
Диаметр: 302
: 40.7
Толщина диска: 11
Минимальная толщина: 9
DELPHI BG4240
Диаметр: 302
: 40.8
Толщина диска: 22
Минимальная толщина: 20
DELPHI BG4240C
Диаметр: 302
: 40.8
Толщина диска: 22
Минимальная толщина: 20
DELPHI BG9077
Диаметр: 336
: 52
Толщина диска: 28
Минимальная толщина: 26
DELPHI BG9077C
Диаметр: 336
: 52
Толщина диска: 28
Минимальная толщина: 26
DENCKERMANN B130398
Место установки: передний мост
Диаметр: 336
Высота: 52
: 108
Толщина диска: 28
Минимальная толщина: 26
DENCKERMANN B130627
Место установки: задний мост
Диаметр: 302
Высота: 40.8
: 108
Толщина диска: 11
Минимальная толщина: 9
DYNAMATRIX DBD1567
Место установки: передний мост
Диаметр: 300
Высота: 52
Масса: 17.95
: 63.6
Толщина диска: 28
Минимальная толщина: 26
Дополнительная информация: без винтов
DYNAMATRIX DBD1607
Место установки: передний мост
Диаметр: 316
Высота: 52
Масса: 20.16
: 63.5
Толщина диска: 28
Минимальная толщина: 26
Дополнительная информация: без винтов
DYNAMATRIX DBD1680
вар. оснащения: Pillar Vent. Type
Место установки: передний мост
Диаметр: 336
Высота: 52
Масса: 23.64
: 63.5
Толщина диска: 28
Минимальная толщина: 26
Дополнительная информация: без винтов
DYNAMATRIX DBD1681
Место установки: задний мост
Диаметр: 302
Высота: 40.8
Масса: 13.46
: 63.5
Толщина диска: 22
Минимальная толщина: 20
Дополнительная информация: без винтов
DYNAMATRIX DBD1720
Место установки: задний мост
Диаметр: 300
Высота: 40.7
Масса: 10.13
: 63.6
Толщина диска: 11
Минимальная толщина: 9
Дополнительная информация: без винтов
E.T.F. 191532
Диаметр: 300
Высота: 52
: 19-1532
Толщина диска: 28
Минимальная толщина: 26
E.T.F. 192400
Диаметр: 316
Высота: 52
: 19-2400
Толщина диска: 28
Минимальная толщина: 26
E.T.F. 192638
Диаметр: 336
Высота: 52
: 19-2638
Толщина диска: 28
Минимальная толщина: 26
E.T.F. 192648
Диаметр: 302
Высота: 69.2
: 19-2648
Толщина диска: 12
Минимальная толщина: 10
E.T.F. 192649
Диаметр: 302
Высота: 40.8
: 19-2649
Толщина диска: 11
Минимальная толщина: 9
E.T.F. 193060
Диаметр: 302
Высота: 40.8
: 19-3060
Толщина диска: 22
Минимальная толщина: 20
FEBI BILSTEIN 28361
колесный диск: 5 отверстия
Место установки: передний мост
Толщина: 28 мм
Масса: 9
: 63.5
Толщина диска: 28
Минимальная толщина: 26
Внешний диаметр: 300
FEBI BILSTEIN 43882
колесный диск: 5 отверстия
Место установки: задний мост
Толщина: 40.7 мм
Масса: 4.96
Необходимое количество: 2
: 1
Толщина диска: 11
Минимальная толщина: 9
Внешний диаметр: 301.6
FEBI BILSTEIN 43883
колесный диск: 5 отверстия
Место установки: задний мост
Толщина: 63.2 мм
Масса: 6.48
Необходимое количество: 2
: 1
Толщина диска: 12
Минимальная толщина: 10
Внешний диаметр: 302
FEBI BILSTEIN 43966
колесный диск: 5 отверстия
Место установки: передний мост
Толщина: 52 мм
Масса: 11.42
Необходимое количество: 2
: 1
Толщина диска: 28
Минимальная толщина: 26
Внешний диаметр: 336
FENOX TB217890
колесный диск: 5 отверстия
Место установки: передний мост
Диаметр: 302
Толщина диска: 28
: 5
FERODO DDF1567
Место установки: передний мост
Диаметр: 300
Высота: 52
Масса: 17.95
: 15.8
Толщина диска: 28
Минимальная толщина: 26
Дополнительная информация: без винтов
FERODO DDF1607
Место установки: передний мост
Диаметр: 316
Высота: 52
Масса: 20.16
: комплект
Толщина диска: 28
Минимальная толщина: 26
Дополнительная информация: без винтов
FERODO DDF1607C1
Место установки: передний мост
Диаметр: 316
Высота: 52
Масса: 20.16
: Штука
Толщина диска: 28
Минимальная толщина: 26
Дополнительная информация: без винтов
FERODO DDF1680
вар. оснащения: Pillar Vent. Type
Место установки: передний мост
Диаметр: 336
Высота: 52
Масса: 23.64
: комплект
Толщина диска: 28
Минимальная толщина: 26
Дополнительная информация: без винтов
FERODO DDF1680C1
Место установки: передний мост
Диаметр: 336
Высота: 52
Масса: 23.64
: Штука
Толщина диска: 28
Минимальная толщина: 26
Дополнительная информация: без винтов
FERODO DDF1681
Место установки: задний мост
Диаметр: 302
Высота: 40.8
Масса: 13.46
: комплект
Толщина диска: 22
Минимальная толщина: 20
Дополнительная информация: без винтов
FERODO DDF1720
Место установки: задний мост
Диаметр: 300
Высота: 40.7
Масса: 10.13
: комплект
Толщина диска: 11
Минимальная толщина: 9
Дополнительная информация: без винтов
FERODO DDF1720C
Место установки: задний мост
Диаметр: 300
Высота: 40.7
Масса: 5.07
: комплект
Толщина диска: 11
Минимальная толщина: 9
FREMAX BD1181
Место установки: передний мост
Диаметр: 316
Высота: 52.3
: 63.4
Толщина диска: 28
Минимальная толщина: 26
FREMAX BD6765
Место установки: передний мост
Диаметр: 300
Высота: 52.3
: 63.5
Толщина диска: 28
Минимальная толщина: 26
FREMAX BD7292
Место установки: передний мост
Диаметр: 336
Высота: 52.2
: 63.5
Толщина диска: 28
Минимальная толщина: 26
Цвет: черный
FREMAX BD7293
Место установки: задний мост
Диаметр: 302
Высота: 41
: 63.5
Толщина диска: 22
Минимальная толщина: 20
Цвет: черный
FREMAX BD9077
Место установки: задний мост
Диаметр: 302
Высота: 40.7
: 63.6
Толщина диска: 11
Минимальная толщина: 9
Цвет: черный
FREMAX BD9078
колесный диск: 5 отверстия
Место установки: задний мост
Диаметр: 302
Высота: 69.4
: 63.5
Толщина диска: 12
Минимальная толщина: 10
Цвет: черный
fri.tech. BD1005
Место установки: передний мост
: лакированный
Диаметр: 300
Высота: 52
Толщина диска: 28
Минимальная толщина: 26
fri.tech. BD1186
Место установки: задний мост
: лакированный
Диаметр: 302
Высота: 41
Толщина диска: 11
Минимальная толщина: 9
fri.tech. BD1237
Место установки: задний мост
: лакированный
Диаметр: 302
Высота: 40.8
Толщина диска: 22
Минимальная толщина: 20
fri.tech. BD1301
Место установки: задний мост
: лакированный
Диаметр: 302
Высота: 69.3
Толщина диска: 12
Минимальная толщина: 10
FTE BS5562
Диаметр: 300
Высота: 52
: 108
Толщина диска: 28
Минимальная толщина: 26
FTE BS5562B
Диаметр: 300
Высота: 52.3
: с покрытием
Толщина диска: 28
Минимальная толщина: 26
FTE BS5562HB
Диаметр: 300
: с покрытием
Толщина диска: 28
Минимальная толщина: 26
подходящий для термостата с температурой открытия: 15.8 °С
FTE BS7127
Диаметр: 316
Высота: 52.3
: 108
Толщина диска: 28
Минимальная толщина: 26
FTE BS7127B
Диаметр: 316
Высота: 52.3
: с покрытием
Толщина диска: 28
Минимальная толщина: 26
FTE BS7151
Диаметр: 301.6
Высота: 40.7
: 108
Толщина диска: 11
Минимальная толщина: 9
FTE BS7151B
Диаметр: 301.6
Высота: 40.7
: с покрытием
Толщина диска: 11
Минимальная толщина: 9
FTE BS7202
Диаметр: 336
Высота: 52
: 108
Толщина диска: 28
Минимальная толщина: 26
FTE BS7202B
Диаметр: 336
Высота: 52
: с покрытием
Толщина диска: 28
Минимальная толщина: 26
FTE BS7213
Диаметр: 302
Высота: 40.8
: 108
Толщина диска: 22
Минимальная толщина: 20
FTE BS7213B
Диаметр: 302
Высота: 40.8
: с покрытием
Толщина диска: 22
Минимальная толщина: 20
FTE BS7271
Диаметр: 302
Высота: 69.4
: 108
Толщина диска: 12
Минимальная толщина: 10
FTE BS7271B
Диаметр: 302
Высота: 69.4
: с покрытием
Толщина диска: 12
Минимальная толщина: 10
GALFER B1G22801541
Диаметр: 300
Высота: 52
: с покрытием
Толщина диска: 28
Минимальная толщина: 26
Дополнительная информация: с винтами
GIRLING 6048505
Диаметр: 300
Высота: 52
: лакированный
Толщина диска: 28
Минимальная толщина: 26
Цвет: черный
GIRLING 6048515
Диаметр: 336
Высота: 52
: 108
Толщина диска: 28
Минимальная толщина: 26
GIRLING 6061855
Диаметр: 316
Высота: 52
: лакированный
Толщина диска: 28
Минимальная толщина: 26
Цвет: черный
GIRLING 6061874
Диаметр: 302
Высота: 40.7
: лакированный
Толщина диска: 11
Минимальная толщина: 9
Цвет: черный
GIRLING 6063872
Диаметр: 302
Высота: 40.8
: лакированный
Толщина диска: 22
Минимальная толщина: 20
Цвет: черный
HELLA 8DD355114151
Диаметр: 302
Высота: 40.7
Масса: 5
: 54629
Толщина диска: 11
Минимальная толщина: 9
Дополнительная информация: без ступицы
HELLA 8DD355118831
Диаметр: 300
Высота: 52.1
Масса: 8.8
: 54592PRO
Толщина диска: 28
Минимальная толщина: 26
Дополнительная информация: без ступицы
подходящий для термостата с температурой открытия: 15.75 °С
HELLA 8DD355118891
Диаметр: 316
Высота: 52
Масса: 10.2
: 54623PRO
Толщина диска: 28
Минимальная толщина: 26
Дополнительная информация: без ступицы
HELLA 8DD355119131
Диаметр: 336
Высота: 52
Масса: 11.44
: 54682PRO
Толщина диска: 28
Минимальная толщина: 26
Дополнительная информация: без ступицы
HELLA 8DD355119141
Диаметр: 302
Высота: 40.8
Масса: 6.7
: 54683PRO
Толщина диска: 22
Минимальная толщина: 20
Дополнительная информация: без ступицы
HELLA 8DD355119151
Диаметр: 302
Высота: 69.3
Масса: 6.5
: 54684PRO
Толщина диска: 12
Минимальная толщина: 10
Дополнительная информация: без ступицы
HELLA 8DD355120371
Диаметр: 302
Высота: 40.7
Масса: 5
: 54629PRO
Толщина диска: 11
Минимальная толщина: 9
Дополнительная информация: без ступицы
HELLA 8DD355129551
Диаметр: 302
Высота: 40.8
Масса: 6.7
: 54683PRO_HC
Толщина диска: 22
Минимальная толщина: 20
Дополнительная информация: без ступицы
ICER 78BD11812
Исп. моста: Front
Толщина: 28 мм
Диаметр: 316
Высота: 52.3
Масса: 21.28
: 78BD1181-2
Минимальная толщина: 26
ICER 78BD67652
Исп. моста: Front
Толщина: 28 мм
Диаметр: 300
Высота: 52.3
Масса: 18.51
: 78BD6765-2
Минимальная толщина: 26
ICER 78BD72932
Исп. моста: Rear
Толщина: 22 мм
Диаметр: 302
Высота: 40.9
Масса: 14.81
: 78BD7293-2
Минимальная толщина: 20
ICER 78BD90772
Исп. моста: Rear
Толщина: 11 мм
Диаметр: 302
Высота: 40.9
Масса: 10.59
: 78BD9077-2
Минимальная толщина: 9
ICER 78BD90781
Исп. моста: Rear
Толщина: 12 мм
Диаметр: 302
Высота: 69.3
Масса: 7.09
: 78BD9078-1
Минимальная толщина: 10
JP GROUP 1563102800
Место установки: передний мост
Диаметр: 316
: 6/5
Толщина диска: 28
JP GROUP 1563102809
Место установки: передний мост
Диаметр: 316
: 6/5
Толщина диска: 28
JP GROUP 4963200809
Место установки: задний мост
Диаметр: 302
: 6/5
Толщина диска: 22
JURID 562591JC
Место установки: задний мост
Диаметр: 322
Высота: 68
: JC
Толщина диска: 28
Минимальная толщина: 26
JURID 562628JC
Место установки: передний мост
Диаметр: 300
Высота: 52
: JC
Толщина диска: 28
Минимальная толщина: 26
JURID 562643JC
Место установки: передний мост
Диаметр: 315.7
Высота: 52
: JC
Толщина диска: 28
Минимальная толщина: 26
JURID 562650JC
Место установки: задний мост
Диаметр: 302
Высота: 40.8
: JC
Толщина диска: 22
Минимальная толщина: 20
JURID 562652JC
вар. оснащения: Pillar Vent. Type
Место установки: передний мост
Диаметр: 336
Высота: 52
: JC
Толщина диска: 28
Минимальная толщина: 26
JURID 562741JC
Место установки: задний мост
Диаметр: 301.6
Высота: 40.7
: 0
Толщина диска: 11
Минимальная толщина: 9
KAMOKA 103176
Диаметр: 302
Высота: 40.8
:
Толщина диска: 11
Минимальная толщина: 9
KAMOKA 103193
Диаметр: 302
Высота: 69.2
:
Толщина диска: 12
Минимальная толщина: 10
KAMOKA 103236
Диаметр: 302
Высота: 40.8
:
Толщина диска: 22
Минимальная толщина: 20
KAMOKA 103275
Диаметр: 316
Высота: 52
:
Толщина диска: 28
Минимальная толщина: 26
Дополнительная информация: с винтами
KRAFT AUTOMOTIVE 6042007
Высота: 52
Толщина диска: 28
: 63.5
дюймы: 6042007
KRAFT AUTOMOTIVE 6042220
Место установки: передний мост
Высота: 52
Толщина диска: 28
: 63.5
дюймы: K6042220
KRAFT AUTOMOTIVE 6056354
Место установки: задний мост
Высота: 40.8
Толщина диска: 11
: 63.5
дюймы: K6056354
KRAFT AUTOMOTIVE 6056355
Место установки: задний мост
Высота: 69.2
Толщина диска: 12
: 63.5
дюймы: K6056355
KRAFT AUTOMOTIVE 6056356
Место установки: задний мост
Высота: 40.8
Толщина диска: 22
: 63.5
дюймы: K6056356
LPR F1035V
Диаметр: 300
Высота: 52
: F1035V
Толщина диска: 28
Минимальная толщина: 26
LPR F1035VR
Диаметр: 300
Высота: 52
: с покрытием
Толщина диска: 28
Минимальная толщина: 26
LPR V1009P
Диаметр: 301.6
Высота: 40.7
: TRW
Толщина диска: 11
Минимальная толщина: 9
LPR V1010P
Диаметр: 302
Высота: 69.4
: TRW
Толщина диска: 12
Минимальная толщина: 10
LPR V1012V
Диаметр: 316
Высота: 52.3
: V1012V
Толщина диска: 28
Минимальная толщина: 26
LPR V1015V
Диаметр: 302
Высота: 40.8
: V1015V
Толщина диска: 22
Минимальная толщина: 20
LPR V1016V
Диаметр: 336
Высота: 52
: V1016V
Толщина диска: 28
Минимальная толщина: 26
LYNXauto BN1027
Место установки: передний мост
Диаметр: 300
Высота: 52
: 108
Толщина диска: 28
Минимальная толщина: 26
LYNXauto BN1615
Место установки: передний мост
Диаметр: 316
Высота: 52
: 108
Толщина диска: 28
Минимальная толщина: 26
LYNXauto BN2013
Место установки: передний мост
Диаметр: 336
Высота: 52
: 108
Толщина диска: 28
Минимальная толщина: 26
LYNXauto BN2014
Место установки: задний мост
Диаметр: 302
Высота: 41
: 108
Толщина диска: 11
Минимальная толщина: 9
LYNXauto BN2015
Место установки: задний мост
Диаметр: 302
Высота: 41
: 108
Толщина диска: 22
Минимальная толщина: 20
LYNXauto BN2016
Место установки: задний мост
Диаметр: 302
Высота: 69
: 108
Толщина диска: 12
Минимальная толщина: 10
MAGNETI MARELLI 361302040118
Диаметр: 300
Высота: 52
Толщина диска: 28
Минимальная толщина: 26
: 63.6
MALГ’ 1110115
колесный диск: 5 отверстия
Диаметр: 300
Высота: 52
Масса: 8.53
: COATED
Толщина диска: 28
Минимальная толщина: 26
MALГ’ 1110263
колесный диск: 5 отверстия
Диаметр: 301.6
Высота: 40.7
Масса: 4.98
: COATED
Толщина диска: 11
Минимальная толщина: 9
MALГ’ 1110267
колесный диск: 5 отверстия
Диаметр: 302
Высота: 69.4
Масса: 6.47
: COATED
Толщина диска: 12
Минимальная толщина: 10
MALГ’ 1110329
колесный диск: 5 отверстия
Диаметр: 316
Высота: 52.3
Масса: 10.11
: COATED
Толщина диска: 28
Минимальная толщина: 26
MALГ’ 1110349
Диаметр: 302
Высота: 40.8
Масса: 6.69
: COATED
Толщина диска: 22
Минимальная толщина: 20
MALГ’ 1110350
колесный диск: 5 отверстия
Диаметр: 336
Высота: 52
Масса: 11.44
: COATED
Толщина диска: 28
Минимальная толщина: 26
MAPCO 25821
Место установки: передний мост
Качество: Kreuzschliff
Диаметр: 300
Высота: 52
: 108
Толщина диска: 28
MAPCO 25821C
Место установки: передний мост
Качество: Kreuzschliff
Диаметр: 300
Высота: 52
: с покрытием
Толщина диска: 28
MAPCO 25828
Место установки: передний мост
Качество: Kreuzschliff
Диаметр: 316
Высота: 52
: 63.5
Толщина диска: 28
MAPCO 25828C
Место установки: передний мост
Диаметр: 316
Высота: 52
: с покрытием
Толщина диска: 28
Минимальная толщина: 26
MAPCO 25905
Место установки: задний мост
Диаметр: 302
Высота: 40.7
: 63.5
Толщина диска: 11
Минимальная толщина: 9
MASTER-SPORT 24011101471PCSMS
Место установки: задний мост
Диаметр: 302
Высота: 40.8
: Штука
Толщина диска: 11
Минимальная толщина: 9
MASTER-SPORT 24011101471SETMS
Место установки: задний мост
Диаметр: 302
Высота: 40.8
: комплект
Толщина диска: 11
Минимальная толщина: 9
MASTER-SPORT 24011201801PCSMS
Место установки: задний мост
Диаметр: 302
Высота: 69.2
: Штука
Толщина диска: 12
Минимальная толщина: 10
MASTER-SPORT 24011201801SETMS
Место установки: задний мост
Диаметр: 302
Высота: 69.2
: комплект
Толщина диска: 12
Минимальная толщина: 10
MASTER-SPORT 24012801541PCSMS
Место установки: передний мост
Диаметр: 300
: Штука
Толщина диска: 28
Минимальная толщина: 26
MASTER-SPORT 24012801541SETMS
Место установки: передний мост
Диаметр: 300
: комплект
Толщина диска: 28
Минимальная толщина: 26
MASTER-SPORT 24012802101PCSMS
Место установки: передний мост
Диаметр: 336
: Штука
Толщина диска: 28
MASTER-SPORT 24012802101SETMS
Место установки: передний мост
Диаметр: 336
: комплект
Толщина диска: 28
MAXGEAR 191332
Место установки: передний мост
Диаметр: 300
Высота: 52
Масса: 8.78
: 108
Толщина диска: 28
Минимальная толщина: 26
Дополнительная информация: без колесной крепящей оси
подходящий для термостата с температурой открытия: 15.75 °С
MAXGEAR 191332MAX
Диаметр: 300
Высота: 52
Масса: 8.9
: 12
Толщина диска: 28
Минимальная толщина: 26
Дополнительная информация: без ступицы
подходящий для термостата с температурой открытия: 15.75 °С
MAXGEAR 191332SPORT
Диаметр: 300
Высота: 52
Масса: 8.78
: 98200 1592 0 1
Толщина диска: 28
Минимальная толщина: 26
Дополнительная информация: без ступицы
подходящий для термостата с температурой открытия: 15.75 °С
MAXGEAR 192337
Место установки: задний мост
Диаметр: 302
Высота: 69.3
Масса: 6.47
: 108
Толщина диска: 12
Минимальная толщина: 10
Дополнительная информация: без ступицы
MAXGEAR 192337SPORT
Место установки: задний мост
Диаметр: 302
Высота: 69.3
Масса: 6.47
: 108
Толщина диска: 12
Минимальная толщина: 10
Дополнительная информация: без ступицы
MAXGEAR 192338
Место установки: передний мост
Диаметр: 336
Высота: 52
Масса: 11.44
: 98200 1682 0 1
Толщина диска: 28
Минимальная толщина: 26
Дополнительная информация: без ступицы
MAXGEAR 192338SPORT
Место установки: передний мост
Диаметр: 336
Высота: 52
Масса: 11.44
: 98200 1682 0 1
Толщина диска: 28
Минимальная толщина: 26
Дополнительная информация: без ступицы
MAXGEAR 192429
Место установки: передний мост
Диаметр: 316
Высота: 52
Масса: 10.11
: 108
Толщина диска: 28
Минимальная толщина: 26
Дополнительная информация: без ступицы
MAXGEAR 192429SPORT
Место установки: передний мост
Диаметр: 316
Высота: 52
Масса: 10.11
: 108
Толщина диска: 28
Минимальная толщина: 26
Дополнительная информация: без ступицы
MAXGEAR 192470
Место установки: задний мост
Диаметр: 302
Высота: 40.8
Масса: 6.69
: 108
Толщина диска: 22
Минимальная толщина: 20
Дополнительная информация: без ступицы
MAXGEAR 192470SPORT
Место установки: задний мост
Диаметр: 302
Высота: 40.8
Масса: 6.69
: 108
Толщина диска: 22
Минимальная толщина: 20
Дополнительная информация: без ступицы
METELLI 230896C
Место установки: передний мост
: лакированный
Диаметр: 300
Высота: 52
Толщина диска: 28
Минимальная толщина: 26
METELLI 230992C
Место установки: задний мост
: лакированный
Диаметр: 302
Высота: 41
Толщина диска: 11
Минимальная толщина: 9
METELLI 230993C
Место установки: задний мост
: лакированный
Диаметр: 302
Высота: 40.8
Толщина диска: 22
Минимальная толщина: 20
METELLI 231202C
Место установки: задний мост
: лакированный
Диаметр: 302
Высота: 69.3
Толщина диска: 12
Минимальная толщина: 10
METZGER 6110073
вар. оснащения: beschichtet
Диаметр: 300
Высота: 51.9
: 100
Толщина диска: 28
Минимальная толщина: 26
METZGER 6110504
вар. оснащения: beschichtet
Диаметр: 315.8
Высота: 52
: 170
Толщина диска: 28
Минимальная толщина: 26
METZGER 6110590
вар. оснащения: beschichtet
Диаметр: 302
Высота: 40.8
: 140
Толщина диска: 22
Минимальная толщина: 20
METZGER 6110615
вар. оснащения: beschichtet
Диаметр: 301.8
Высота: 69
: 140
Толщина диска: 12
Минимальная толщина: 10
METZGER 6110659
вар. оснащения: beschichtet
Диаметр: 336
Высота: 52
: 140
Толщина диска: 28
Минимальная толщина: 26
METZGER 6110728
вар. оснащения: beschichtet
Диаметр: 302
Высота: 40.7
: 63.6
Толщина диска: 11
Минимальная толщина: 9
Дополнительная информация: С комлектом установочных винтов
MEYLE 5155210003PD
Место установки: передний мост
Высота: 52
Необходимое количество: 2
: не хромированное (Cr VI) покрытие
Толщина диска: 28
Минимальная толщина: 26
Внешний диаметр: 336
подходящий для термостата с температурой открытия: 16 °С
MEYLE 5155210004PD
Место установки: передний мост
Высота: 52
Необходимое количество: 2
: покрытый УФ-лаком
Толщина диска: 28
Минимальная толщина: 26
Внешний диаметр: 316
подходящий для термостата с температурой открытия: 16 °С
MEYLE 5155230002PD
Место установки: задний мост
Высота: 40.8
: покрытый УФ-лаком
Толщина диска: 11
Минимальная толщина: 9
Внешний диаметр: 302
подходящий для термостата с температурой открытия: 16 °С
MEYLE 5155230004PD
Место установки: задний мост
Высота: 40.8
Необходимое количество: 2
: покрытый УФ-лаком
Толщина диска: 22
Минимальная толщина: 20
Внешний диаметр: 302
подходящий для термостата с температурой открытия: 15.8 °С
MEYLE 5155230006PD
Место установки: задний мост
Высота: 40.8
Необходимое количество: 2
: оцинкованная
Толщина диска: 22
Минимальная толщина: 20
Внешний диаметр: 302
подходящий для термостата с температурой открытия: 15.8 °С
MEYLE 5155230010PD
Место установки: задний мост
Высота: 40.8
Необходимое количество: 2
: оцинкованная
Толщина диска: 11
Минимальная толщина: 9
Внешний диаметр: 302
подходящий для термостата с температурой открытия: 16 °С
MEYLE 5835210003PD
Место установки: передний мост
Высота: 52
Необходимое количество: 2
: оцинкованная
Толщина диска: 28
Минимальная толщина: 26
Внешний диаметр: 336
подходящий для термостата с температурой открытия: 16 °С
MEYLE 5835210004PD
Место установки: передний мост
Высота: 52
Необходимое количество: 2
: оцинкованная
Толщина диска: 28
Минимальная толщина: 26
Внешний диаметр: 316
подходящий для термостата с температурой открытия: 16 °С
MEYLE 7155210026PD
Место установки: передний мост
Высота: 52
Необходимое количество: 2
: покрытый УФ-лаком
Толщина диска: 28
Минимальная толщина: 26
Внешний диаметр: 300
подходящий для термостата с температурой открытия: 15.9 °С
MEYLE 7835210026PD
Место установки: передний мост
Высота: 52
Необходимое количество: 2
: оцинкованная
Толщина диска: 28
Минимальная толщина: 26
Внешний диаметр: 300
подходящий для термостата с температурой открытия: 15.9 °С
MINTEX MDC1809
Диаметр: 300
Высота: 52.1
Масса: 8.8
: 12
Толщина диска: 28
Минимальная толщина: 26
Дополнительная информация: без ступицы
подходящий для термостата с температурой открытия: 15.75 °С
MINTEX MDC1809C
Диаметр: 300
Высота: 52.1
Масса: 8.8
: 12
Толщина диска: 28
Минимальная толщина: 26
Дополнительная информация: без ступицы
подходящий для термостата с температурой открытия: 15.75 °С
MINTEX MDC1828
Диаметр: 316
Высота: 52
Масса: 10.2
: 7
Толщина диска: 28
Минимальная толщина: 26
Дополнительная информация: без ступицы
MINTEX MDC2033
Диаметр: 302
Высота: 69.3
Масса: 6.5
: 15
Толщина диска: 12
Минимальная толщина: 10
Дополнительная информация: без ступицы
MINTEX MDC2034
Диаметр: 302
Высота: 40.8
Масса: 6.7
: 9.5
Толщина диска: 22
Минимальная толщина: 20
Дополнительная информация: без ступицы
MINTEX MDC2035
Диаметр: 336
Высота: 52
Масса: 11.2
: 8
Толщина диска: 28
Минимальная толщина: 26
Дополнительная информация: без ступицы
MINTEX MDC2054
Диаметр: 302
Высота: 40.7
Масса: 5
: 9.5
Толщина диска: 11
Минимальная толщина: 9
Дополнительная информация: без ступицы
MOTAQUIP LVBD1241Z
Диаметр: 300
Высота: 52
: 15.8mm Bolt Hole
Толщина диска: 28
Минимальная толщина: 26
MOTAQUIP LVBD1269Z
Диаметр: 316
Высота: 52.3
: 63.4
Толщина диска: 28
Минимальная толщина: 26
MOTAQUIP LVBD1332Z
Диаметр: 302
Высота: 40.7
: 63.6
Толщина диска: 11
Минимальная толщина: 9
MOTAQUIP LVBD1333Z
Диаметр: 302
Высота: 69.4
: 63.5
Толщина диска: 12
Минимальная толщина: 10
MOTAQUIP LVBD1372
Диаметр: 302
Высота: 41
: 63.5
Толщина диска: 22
Минимальная толщина: 20
MOTAQUIP LVBD1670
Диаметр: 336
Высота: 52
: 63.6
Толщина диска: 28
Минимальная толщина: 26
NK 202570
колесный диск: 5 отверстия
Диаметр: 316
Высота: 52.3
Масса: 10.11
: 89011670 Bolt
Толщина диска: 28
Минимальная толщина: 26
NK 202573
колесный диск: 5 отверстия
Диаметр: 300
Высота: 52
Масса: 8.53
: 89011670 Bolt
Толщина диска: 28
Минимальная толщина: 26
NK 204856
колесный диск: 5 отверстия
Диаметр: 336
Высота: 52
Масса: 11.44
: 63.6
Толщина диска: 28
Минимальная толщина: 26
NK 204857
колесный диск: 5 отверстия
Диаметр: 301.6
Высота: 40.7
Масса: 4.98
: 63.6
Толщина диска: 11
Минимальная толщина: 9
NK 204858
Диаметр: 302
Высота: 40.8
Масса: 6.69
: 63.6
Толщина диска: 22
Минимальная толщина: 20
NK 204859
колесный диск: 5 отверстия
Диаметр: 302
Высота: 69.4
Масса: 6.47
: 63.5
Толщина диска: 12
Минимальная толщина: 10
NK 312570
колесный диск: 5 отверстия
Диаметр: 316
Высота: 52.3
Масса: 10.11
: с покрытием
Толщина диска: 28
Минимальная толщина: 26
NK 312573
колесный диск: 5 отверстия
Диаметр: 300
Высота: 52
Масса: 8.53
: с покрытием
Толщина диска: 28
Минимальная толщина: 26
NK 314856
колесный диск: 5 отверстия
Диаметр: 336
Высота: 52
Масса: 11.44
: с покрытием
Толщина диска: 28
Минимальная толщина: 26
NK 314857
колесный диск: 5 отверстия
Диаметр: 301.6
Высота: 40.7
Масса: 4.98
: с покрытием
Толщина диска: 11
Минимальная толщина: 9
NK 314858
Диаметр: 302
Высота: 40.8
Масса: 6.69
: с покрытием
Толщина диска: 22
Минимальная толщина: 20
NK 314859
колесный диск: 5 отверстия
Диаметр: 302
Высота: 69.4
Масса: 6.47
: с покрытием
Толщина диска: 12
Минимальная толщина: 10
Omnicraft 2133954
Диаметр: 300
Высота: 52
: 170
Толщина диска: 28
Минимальная толщина: 26
OPTIMAL BS8210
Место установки: задний мост
Диаметр: 302
Высота: 69.4
: для автомобилей без электронного стояночного тормоза
Толщина диска: 12
Минимальная толщина: 10
OPTIMAL BS8210C
Место установки: задний мост
Диаметр: 302
Высота: 69.4
: с покрытием
Толщина диска: 12
Минимальная толщина: 10
OPTIMAL BS8212
Место установки: задний мост
Диаметр: 301.6
Высота: 40.7
: для транспортных средств с электронным стояночным тормозом
Толщина диска: 11
Минимальная толщина: 9
OPTIMAL BS8212C
Место установки: задний мост
Диаметр: 301.6
Высота: 40.7
: с покрытием
Толщина диска: 11
Минимальная толщина: 9
OPTIMAL BS8214
Место установки: задний мост
Диаметр: 302
Высота: 40.8
: для транспортных средств с электронным стояночным тормозом
Толщина диска: 22
Минимальная толщина: 20
OPTIMAL BS8214C
Место установки: задний мост
Диаметр: 302
Высота: 40.8
: с покрытием
Толщина диска: 22
Минимальная толщина: 20
OPTIMAL BS8256
Место установки: передний мост
Диаметр: 300
Высота: 52
: 63.4
Толщина диска: 28
Минимальная толщина: 26
OPTIMAL BS8256C
Место установки: передний мост
Диаметр: 300
Высота: 52
: с покрытием
Толщина диска: 28
Минимальная толщина: 26
OPTIMAL BS8480
Место установки: передний мост
Диаметр: 316
Высота: 52
: 63.5
Толщина диска: 28
Минимальная толщина: 26
OPTIMAL BS8480C
Место установки: передний мост
Диаметр: 316
Высота: 52
: с покрытием
Толщина диска: 28
Минимальная толщина: 26
OPTIMAL BS8514
Размер колесного диска: 18 дюймы
Место установки: передний мост
Диаметр: 336
Высота: 52
: 63.6
Толщина диска: 28
Минимальная толщина: 26
OPTIMAL BS8514C
Размер колесного диска: 18 дюймы
Место установки: передний мост
Диаметр: 336
Высота: 52
: с покрытием
Толщина диска: 28
Минимальная толщина: 26
PATRON PBD1812
Диаметр: 316
Высота: 52
: лакированный
Толщина диска: 28
Минимальная толщина: 26
Цвет: черный
PATRON PBD1918
Диаметр: 302
Высота: 40.7
: лакированный
Толщина диска: 11
Минимальная толщина: 9
Цвет: черный
PATRON PBD1920
Диаметр: 302
Высота: 40.8
: лакированный
Толщина диска: 22
Минимальная толщина: 20
Цвет: черный
PATRON PBD4850
Диаметр: 300
Высота: 52
: лакированный
Толщина диска: 28
Минимальная толщина: 26
Цвет: черный
PATRON PBD4851
Диаметр: 336
Высота: 52
: 108
Толщина диска: 28
Минимальная толщина: 26
PILENGA 5580
Место установки: задний мост
Диаметр: 302
Высота: 40.8
: 1
Толщина диска: 11
Минимальная толщина: 9
PILENGA V1500
Место установки: задний мост
Диаметр: 302
Высота: 40.7
: 1
Толщина диска: 22
Минимальная толщина: 20
PILENGA V259
Место установки: передний мост
Диаметр: 300
Высота: 52
: 1
Толщина диска: 28
Минимальная толщина: 26
PILENGA V444
Место установки: передний мост
Диаметр: 316
Высота: 52
: 1
Толщина диска: 28
Минимальная толщина: 26
PILENGA V582
Место установки: передний мост
Диаметр: 336
Высота: 52
: 1
Толщина диска: 28
PROTECHNIC PRD2757
Диаметр: 336
Высота: 52
: 63.5
Толщина диска: 28
Минимальная толщина: 26
PROTECHNIC PRD2762
Диаметр: 316
Высота: 52
: 63.6
Толщина диска: 28
Минимальная толщина: 26
PROTECHNIC PRD5388
Диаметр: 302
Высота: 40.7
: 63.6
Толщина диска: 11
Минимальная толщина: 9
PROTECHNIC PRD6190
Диаметр: 302
Высота: 40.8
: 63.5
Толщина диска: 22
Минимальная толщина: 20
QUINTON HAZELL BDC5718
Диаметр: 316
Высота: 52.3
: 63.4
Толщина диска: 28
Минимальная толщина: 26
QUINTON HAZELL BDC5850
Диаметр: 302
Высота: 69.3
: 63.5
Толщина диска: 12
Минимальная толщина: 10
QUINTON HAZELL BDC5851
Диаметр: 302
Высота: 40.7
: 63.6
Толщина диска: 11
Минимальная толщина: 9
QUINTON HAZELL BDC5852
Диаметр: 302
Высота: 40.8
: 63.6
Толщина диска: 22
Минимальная толщина: 20
SASIC 6106147
для OE-№: LR000571
Место установки: передний мост
Диаметр: 300
Высота: 52
: 63.5
Толщина диска: 28
Минимальная толщина: 26
Дополнительная информация: без валового подшипника
SASIC 6106287
для OE-№: 30769059
Место установки: задний мост
Диаметр: 301.6
Высота: 40.7
: 63.6
Толщина диска: 11
Минимальная толщина: 9
Дополнительная информация: без валового подшипника
SASIC 6106288
для OE-№: 30769058
Место установки: передний мост
Диаметр: 302
Высота: 69.3
: 63.6
Толщина диска: 12
Минимальная толщина: 26
Дополнительная информация: без валового подшипника
SASIC 6106289
для OE-№: 30769057
Место установки: передний мост
Диаметр: 336
Высота: 52
: 63.6
Толщина диска: 28
Минимальная толщина: 26
Дополнительная информация: без валового подшипника
SASIC 6106291
для OE-№: 31341483
Место установки: задний мост
Диаметр: 302
Высота: 40.9
: 63.5
Толщина диска: 22
Минимальная толщина: 20
Дополнительная информация: без валового подшипника
sbs 1815202570
колесный диск: 5 отверстия
Диаметр: 316
Высота: 52.3
Масса: 10.11
: 89011670 Bolt
Толщина диска: 28
Минимальная толщина: 26
sbs 1815202573
колесный диск: 5 отверстия
Диаметр: 300
Высота: 52
Масса: 8.53
: 89011670 Bolt
Толщина диска: 28
Минимальная толщина: 26
sbs 1815204856
колесный диск: 5 отверстия
Диаметр: 336
Высота: 52
Масса: 11.44
: 63.6
Толщина диска: 28
Минимальная толщина: 26
sbs 1815204857
колесный диск: 5 отверстия
Диаметр: 301.6
Высота: 40.7
Масса: 4.98
: 63.6
Толщина диска: 11
Минимальная толщина: 9
sbs 1815204858
Диаметр: 302
Высота: 40.8
Масса: 6.69
: 63.6
Толщина диска: 22
Минимальная толщина: 20
sbs 1815204859
колесный диск: 5 отверстия
Диаметр: 302
Высота: 69.4
Масса: 6.47
: 63.5
Толщина диска: 12
Минимальная толщина: 10
sbs 1815312570
колесный диск: 5 отверстия
Диаметр: 316
Высота: 52.3
Масса: 10.11
: с покрытием
Толщина диска: 28
Минимальная толщина: 26
sbs 1815312573
колесный диск: 5 отверстия
Диаметр: 300
Высота: 52
Масса: 8.53
: с покрытием
Толщина диска: 28
Минимальная толщина: 26
sbs 1815314856
колесный диск: 5 отверстия
Диаметр: 336
Высота: 52
Масса: 11.44
: с покрытием
Толщина диска: 28
Минимальная толщина: 26
sbs 1815314857
колесный диск: 5 отверстия
Диаметр: 301.6
Высота: 40.7
Масса: 4.98
: с покрытием
Толщина диска: 11
Минимальная толщина: 9
sbs 1815314858
Диаметр: 302
Высота: 40.8
Масса: 6.69
: с покрытием
Толщина диска: 22
Минимальная толщина: 20
sbs 1815314859
колесный диск: 5 отверстия
Диаметр: 302
Высота: 69.4
Масса: 6.47
: с покрытием
Толщина диска: 12
Минимальная толщина: 10
STELLOX 60201080VSX
Место установки: передний мост
Диаметр: 300
: 15.8
Толщина диска: 28
Минимальная толщина: 26
SWAG 50928361
колесный диск: 5 отверстия
Место установки: передний мост
Толщина: 28 мм
Масса: 9
: 63.5
Толщина диска: 28
Минимальная толщина: 26
Внешний диаметр: 300
SWAG 55943882
колесный диск: 5 отверстия
Место установки: задний мост
Толщина: 40.7 мм
Масса: 4.96
Необходимое количество: 2
: 1
Толщина диска: 11
Минимальная толщина: 9
Внешний диаметр: 301.6
SWAG 55943883
колесный диск: 5 отверстия
Место установки: задний мост
Толщина: 63.2 мм
Масса: 6.48
Необходимое количество: 2
: 1
Толщина диска: 12
Минимальная толщина: 10
Внешний диаметр: 302
SWAG 55943966
колесный диск: 5 отверстия
Место установки: передний мост
Толщина: 52 мм
Масса: 11.42
Необходимое количество: 2
: 1
Толщина диска: 28
Минимальная толщина: 26
Внешний диаметр: 336
TEXTAR 92159203
Диаметр: 300
Высота: 52.1
Масса: 8.8
: 12
Толщина диска: 28
Минимальная толщина: 26
Дополнительная информация: без ступицы
подходящий для термостата с температурой открытия: 15.75 °С
TEXTAR 92162303
Диаметр: 316
Высота: 52
Масса: 10.2
: 7
Толщина диска: 28
Минимальная толщина: 26
Дополнительная информация: без ступицы
TEXTAR 92162903
Диаметр: 302
Высота: 40.7
Масса: 5
: 9.5
Толщина диска: 11
Минимальная толщина: 9
Дополнительная информация: без ступицы
TEXTAR 92168203
Диаметр: 336
Высота: 52
Масса: 11.2
: 8
Толщина диска: 28
Минимальная толщина: 26
Дополнительная информация: без ступицы
TEXTAR 92168303
Диаметр: 302
Высота: 40.8
Масса: 6.7
: 9.5
Толщина диска: 22
Минимальная толщина: 20
Дополнительная информация: без ступицы
TEXTAR 92168403
Диаметр: 302
Высота: 69.3
Масса: 6.5
: 15
Толщина диска: 12
Минимальная толщина: 10
Дополнительная информация: без ступицы
TOPRAN 303976
колесный диск: 5 отверстия
Место установки: передний мост
Высота: 52
: 63.5
Толщина диска: 28
Внешний диаметр: 300
TRISCAN 812016148C
Диаметр: 300
Высота: 52
: 15.75
Толщина диска: 28
Минимальная толщина: 26
TRISCAN 812027138C
Диаметр: 302
: с покрытием
Толщина диска: 11
Минимальная толщина: 9
TRISCAN 812027141C
Диаметр: 316
Высота: 52.3
: с покрытием
Толщина диска: 28
Минимальная толщина: 26
TRISCAN 812027142
Диаметр: 336
Высота: 52
: 63.6
Толщина диска: 28
Минимальная толщина: 26
TRISCAN 812027142C
Диаметр: 336
Высота: 52
: с покрытием
Толщина диска: 28
Минимальная толщина: 26
TRISCAN 812027143
Диаметр: 302
Высота: 40.8
: 63.5
Толщина диска: 22
Минимальная толщина: 20
TRISCAN 812027143C
Диаметр: 302
Высота: 40.8
: с покрытием
Толщина диска: 22
Минимальная толщина: 20
TRUSTING DF1005
Место установки: передний мост
: лакированный
Диаметр: 300
Высота: 52
Толщина диска: 28
Минимальная толщина: 26
TRUSTING DF1186
Место установки: задний мост
: лакированный
Диаметр: 302
Высота: 41
Толщина диска: 11
Минимальная толщина: 9
TRUSTING DF1237
Место установки: задний мост
: лакированный
Диаметр: 302
Высота: 40.8
Толщина диска: 22
Минимальная толщина: 20
TRUSTING DF1301
Место установки: задний мост
: лакированный
Диаметр: 302
Высота: 69.3
Толщина диска: 12
Минимальная толщина: 10
TRW DF4850S
Диаметр: 300
Высота: 52
: лакированный
Толщина диска: 28
Минимальная толщина: 26
Цвет: черный
TRW DF4851S
Диаметр: 336
Высота: 52
: 108
Толщина диска: 28
Минимальная толщина: 26
TRW DF6185S
Диаметр: 316
Высота: 52
: лакированный
Толщина диска: 28
Минимальная толщина: 26
Цвет: черный
TRW DF6187
Диаметр: 302
Высота: 40.7
: лакированный
Толщина диска: 11
Минимальная толщина: 9
Цвет: черный
TRW DF6387
Диаметр: 302
Высота: 40.8
: лакированный
Толщина диска: 22
Минимальная толщина: 20
Цвет: черный
VAICO V2580008
Место установки: передний мост
Диаметр: 300
Высота: 52
: R90
Толщина диска: 28
Минимальная толщина: 26
VAICO V2580031
Место установки: передний мост
Диаметр: 368
Высота: 52
: 108
Толщина диска: 28
Минимальная толщина: 26
Внешний диаметр: 316
VAICO V9540011
Диаметр: 302
Высота: 40.8
: R90
Толщина диска: 11
Минимальная толщина: 9
VAICO V9540012
Диаметр: 302
Высота: 69.2
: R90
Толщина диска: 12
Минимальная толщина: 10
VAICO V9580014
Диаметр: 302
Высота: 40.8
: 108
Толщина диска: 22
Минимальная толщина: 20
VALEO 197055
колесный диск: 5 отверстия
Место установки: передний мост
Высота: 52
Масса: 9
: 1
Толщина диска: 28
Минимальная толщина: 26
Внешний диаметр: 300
VALEO 197616
колесный диск: 5 отверстия
Место установки: передний мост
Высота: 52
Масса: 10.6
: 1
Толщина диска: 28
Минимальная толщина: 26
Внешний диаметр: 315.7
VEMA 98670
Место установки: Позиция оси 1
VEMA 98879
Место установки: передний мост
VEMA 98880
вар. оснащения: ventilato
Место установки: задний мост
VILLAR 6282176
Диаметр: 336
Высота: 52
: с покрытием
Толщина диска: 28
Минимальная толщина: 26
VILLAR 6282177
Диаметр: 302
Высота: 40.8
: с покрытием
Толщина диска: 22
Минимальная толщина: 20
VILLAR 6282271
Диаметр: 302
Высота: 69.2
: 140
Толщина диска: 12
Минимальная толщина: 10
VILLAR 6282272
Диаметр: 302
Высота: 40.7
: 140
Толщина диска: 11
Минимальная толщина: 9
VILLAR 6282533
Диаметр: 316
Высота: 52
: 170
Толщина диска: 28
Минимальная толщина: 26
VILLAR 6282534
Диаметр: 300
Высота: 52
: 170
Толщина диска: 28
Минимальная толщина: 26
WAGNER WGR15671
Место установки: передний мост
Диаметр: 300
Высота: 52
Масса: 17.95
: 15.8
Толщина диска: 28
Минимальная толщина: 26
Дополнительная информация: без винтов
ZIMMERMANN 250136020
Толщина: 28 мм
Высота: 52
Масса: 8.7
: 63.5
Минимальная толщина: 26
Внешний диаметр: 300
ZIMMERMANN 610371120
Толщина: 28 мм
Высота: 52
Масса: 10.2
: 63.5
Минимальная толщина: 26
Внешний диаметр: 316
ZIMMERMANN 610371220
Толщина: 28 мм
Высота: 52
Масса: 11.4
: 63.5
Минимальная толщина: 26
Внешний диаметр: 336
ZIMMERMANN 610371320
Толщина: 12 мм
Высота: 69.3
Масса: 6.5
: 63.5
Минимальная толщина: 10
Внешний диаметр: 302
ZIMMERMANN 610371520
Толщина: 22 мм
Высота: 41
Масса: 6.8
: 63.5
Минимальная толщина: 20
Внешний диаметр: 302
Двигатель
VOLVO XC70 II 3.2 AWD
Код двигателя: B 6324 S5
VOLVO XC70 II 3.2 AWD Код двигателя : B 6324 S5
Объем двигателя(куб.см): 3192 ccm
Мощность двигателя(кВт/л.с.): 243 PS
VOLVO XC70 II T6 AWD Код двигателя : B 6304 T4
Объем двигателя(куб.см): 2953 ccm
Мощность двигателя(кВт/л.с.): 304 PS
VOLVO XC70 II D5 AWD Код двигателя : D 5244 T15
Объем двигателя(куб.см): 2400 ccm
Мощность двигателя(кВт/л.с.): 215 PS
VOLVO XC70 II D3 Код двигателя : D 5204 T3
Объем двигателя(куб.см): 1984 ccm
Мощность двигателя(кВт/л.с.): 163 PS
VOLVO XC70 II 3.2 Код двигателя : B 6324 S5
Объем двигателя(куб.см): 3192 ccm
Мощность двигателя(кВт/л.с.): 243 PS
VOLVO XC70 II 3.2 AWD Код двигателя : B 6324 S
Объем двигателя(куб.см): 3192 ccm
Мощность двигателя(кВт/л.с.): 238 PS
VOLVO XC70 II D5 AWD Код двигателя : D 5244 T4
Объем двигателя(куб.см): 2400 ccm
Мощность двигателя(кВт/л.с.): 185 PS
VOLVO XC70 II 2.4 D / D4 AWD Код двигателя : D 5244 T5
Объем двигателя(куб.см): 2400 ccm
Мощность двигателя(кВт/л.с.): 163 PS
VOLVO XC70 II T6 AWD Код двигателя : B 6304 T2
Объем двигателя(куб.см): 2953 ccm
Мощность двигателя(кВт/л.с.): 286 PS
VOLVO XC70 II D5 AWD Код двигателя : D 5244 T10
Объем двигателя(куб.см): 2400 ccm
Мощность двигателя(кВт/л.с.): 205 PS
VOLVO XC70 II 2.4 D Код двигателя : D 5244 T14
Объем двигателя(куб.см): 2400 ccm
Мощность двигателя(кВт/л.с.): 175 PS
VOLVO XC70 II 3.2 AWD Код двигателя : B 6324 S2
Объем двигателя(куб.см): 3192 ccm
Мощность двигателя(кВт/л.с.): 228 PS
VOLVO XC70 II 3.2 AWD Код двигателя : B 6324 S4
Объем двигателя(куб.см): 3192 ccm
Мощность двигателя(кВт/л.с.): 233 PS
VOLVO XC70 II D4 AWD Код двигателя : D 5244 T12
Объем двигателя(куб.см): 2400 ccm
Мощность двигателя(кВт/л.с.): 181 PS
VOLVO XC70 II D4 Код двигателя : D 4204 T5
Объем двигателя(куб.см): 1969 ccm
Мощность двигателя(кВт/л.с.): 181 PS
VOLVO XC70 II T5 Код двигателя : B 4204 T11
Объем двигателя(куб.см): 1969 ccm
Мощность двигателя(кВт/л.с.): 245 PS
VOLVO XC70 II 3.2 Код двигателя : B 6324 S4
Объем двигателя(куб.см): 3192 ccm
Мощность двигателя(кВт/л.с.): 233 PS
VOLVO XC70 II D5 AWD Код двигателя : D 5244 T20
Объем двигателя(куб.см): 2400 ccm
Мощность двигателя(кВт/л.с.): 220 PS
VOLVO XC70 II T5 AWD Код двигателя : B 5254 T12
Объем двигателя(куб.см): 2497 ccm
Мощность двигателя(кВт/л.с.): 254 PS
VOLVO XC70 II T6 AWD Код двигателя : B 5254 T14
Объем двигателя(куб.см): 2497 ccm
Мощность двигателя(кВт/л.с.): 249 PS

Категории

Кнопка связи