top
A.B.S. 7165S
колесный диск: 5 отверстия
Высота: 83
Масса: 7.36
: 93
A.B.S. 7167S
колесный диск: 6 отверстия
Высота: 141
Масса: 13.2
: 164
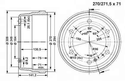
ABE C6W005ABE
колесный диск: 6 отверстия
Место установки: задний мост
Толщина: 271.5 мм
Диаметр: 270
Высота: 141
: 164
Минимальная толщина: 75
BORG & BECK BBR7050
Диаметр: 271.5
Ширина: 75
: 141
Внешний диаметр: 310
HELLA 8DT355301661
Масса: 12.4
: 63908
Дополнительная информация: без ступицы
JURID 329134J
Место установки: задний мост
: 164
MINTEX MBD217
Масса: 12.4
: 205
Дополнительная информация: без ступицы
NK 264707
колесный диск: 6 отверстия
: 141
QUINTON HAZELL BDR181
Высота: 83
: 160
QUINTON HAZELL BDR512
Высота: 141
: 205
REMSA 708800
Место установки: задний мост
: 205
ROADHOUSE 708800
Место установки: задний мост
: 205
sbs 1825264707
колесный диск: 6 отверстия
: 141
TEXTAR 94006300
Масса: 12.9
: 17.6
Дополнительная информация: без ступицы
VEMA 800855
Место установки: задний мост
WOKING B708800
Место установки: задний мост
: 205
Двигатель
VW LT 40-55 I c бортовой платформой/ходовая часть (293-909) 2.0
Код двигателя: CH
VW LT 40-55 I c бортовой платформой/ходовая часть (293-909) 2.0 Код двигателя : CH
Объем двигателя(куб.см): 1984 ccm
Мощность двигателя(кВт/л.с.): 75 PS
VW LT 40-55 I c бортовой платформой/ходовая часть (293-909) 2.4 D Код двигателя : ACT
Объем двигателя(куб.см): 2383 ccm
Мощность двигателя(кВт/л.с.): 69 PS
VW LT 40-55 I c бортовой платформой/ходовая часть (293-909) 2.4 D Код двигателя : DW
Объем двигателя(куб.см): 2383 ccm
Мощность двигателя(кВт/л.с.): 75 PS
VW LT 40-55 I c бортовой платформой/ходовая часть (293-909) 2.4 TD Код двигателя : ACL
Объем двигателя(куб.см): 2383 ccm
Мощность двигателя(кВт/л.с.): 95 PS
VW LT 40-55 I c бортовой платформой/ходовая часть (293-909) 2.4 TD Код двигателя : DV
Объем двигателя(куб.см): 2383 ccm
Мощность двигателя(кВт/л.с.): 102 PS
VW LT 40-55 I c бортовой платформой/ходовая часть (293-909) 2.4 i Код двигателя : 1E
Объем двигателя(куб.см): 2383 ccm
Мощность двигателя(кВт/л.с.): 94 PS
VW LT 40-55 I c бортовой платформой/ходовая часть (293-909) 2.4 TD Syncro Код двигателя : ACL
Объем двигателя(куб.см): 2383 ccm
Мощность двигателя(кВт/л.с.): 95 PS
VW LT 40-55 I c бортовой платформой/ходовая часть (293-909) 2.4 Syncro Код двигателя : DL
Объем двигателя(куб.см): 2383 ccm
Мощность двигателя(кВт/л.с.): 90 PS
VW LT 40-55 I c бортовой платформой/ходовая часть (293-909) 2.4 Код двигателя : DL
Объем двигателя(куб.см): 2383 ccm
Мощность двигателя(кВт/л.с.): 90 PS
VW LT 40-55 I c бортовой платформой/ходовая часть (293-909) 2.4 Код двигателя : 1E
Объем двигателя(куб.см): 2383 ccm
Мощность двигателя(кВт/л.с.): 95 PS
VW LT 40-55 I c бортовой платформой/ходовая часть (293-909) 2.4 TD Код двигателя : 1G
Объем двигателя(куб.см): 2383 ccm
Мощность двигателя(кВт/л.с.): 92 PS
VW LT 40-55 I c бортовой платформой/ходовая часть (293-909) 2.4 TD Syncro Код двигателя : 1G
Объем двигателя(куб.см): 2383 ccm
Мощность двигателя(кВт/л.с.): 92 PS
VW LT 40-55 I c бортовой платформой/ходовая часть (293-909) 2.4 TD Syncro Код двигателя : DV
Объем двигателя(куб.см): 2383 ccm
Мощность двигателя(кВт/л.с.): 102 PS

Категории

Кнопка связи